故障现象:接通电源开关,插入一盒带盒机构良好的录像带,面板上(PLAY)指示灯亮,加载完毕,主导轴电机不转,一秒钟后卸载并自动切断电源,随后停止指示灯闪烁。重新接通电源开关,按快进或倒带键,操作指示灯亮,但带盘不转动,按出盒键,带盒弹出后磁带拖在机内。
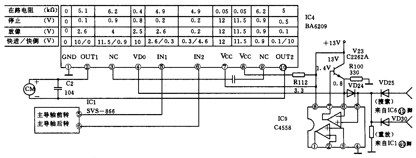
分析与检修:该机能够进盒、出盒、加载、卸载,并且按下各功能键,面板上相应的操作指示灯能够点亮,说明该机带仓机构和系统控制电路工作基本工作。根据上述故障现象分析,故障可能存在主导轴电机驱动块IC4或激励控制电路中,该电路如附图所示。为了迅速确定故障存在的部位,在停止状态下先用500型万用表检查IC4各脚对地电压,发现④脚(主导轴电机激励信号输入)电压仅有0.4V,正常值为0.8V。按下重放键④键仍为0.4V(正常值为2.5V),说明主导轴激励控制电路工作有问题。接着在停止状态下检查激励控制管V23各极电压,测得V\(_{C}\)=13V、VB=13V、V\(_{E}\)=0.5V(正常值VC=13V、V\(_{B}\)=1.4V、VE=0.8E)。从电路板上焊下V23(2SC2236A)检查其直流正反向电阻,发现集—射间已击穿损坏。V23损坏后,主导轴驱动集成块IC4④脚无激励控制信号输入,②、⑩脚就没有电机驱动电压输出,主导轴电机不转动,于是出现上述故障现象。更换V23(2SC2236A)后,机器工作恢复正常。如果手头没有备件更换,也可用国产3DA21A、3DK9C和3DA87等晶体三极管直接代换。

注:珠声VF—2215、珠波F—900T、长海VF2215、山峡VF2215、厦新VP—7000、高士达TP—920、斯塔VF2215等放像机同属这一机型。(黄福森)