虽然对音响系统放大器的性能指标要求不算苛刻,但音响爱好者大多希望能对之进行摩机,令音色更完美。本文以广东产高保真放大器LHG-K913为例,介绍一些摩机方法,供大家参考。
1.更换运算放大集成电路。这是最简单而效果最显著的摩机方法。将素质相对较低的运放集成块换成高转换速率、低噪声、宽频带的优质运放集成块。经这样摩机后,音质均有明显提高、分析力大幅度上升,音乐中的细节更清晰,超高频的空气感更好,低频的控制力相应加强,无需进行比较即可听出明显差别。近几年国内市场上出现的一些顶级器件,如LT1028、LT1057、HA5112、NE5534、NE5532、OP248及国产F5037等,它们的出现都掀起了一阵阵狂劲的发烧热潮。实际选择Hi-Fi运放块时,应视其参数指标接近理想运放的程度、实听音质效果及应用场合而定,其参数指标要求如下:
①输入失调电压≤2mV;
②最大温漂≤5μV/℃;
③转换速率≥5V/μs;
④增益带宽积≥5MHz;
⑤输入噪声电压≤0.707μVrms或≤30nV/\(\sqrt{Hz}\)。
LHG-K913功率放大器总共用双运放块TL082(图纸标LM4558)4块:唱头放大器、线路放大、音调控制和功率激励各一块。摩机时可根据个人经济条件和器件来源选择Hi-Fi运放块。另外,OP37实属运放上品,其性能指标可同LT1057相比。LT1028和LT1057虽是发烧友公推极品,但其价格之昂贵非一般人可问津。OP37是美国发烧友一致推崇的靓声运放,而价格仅十多元一只(指陶瓷封装,塑料封装价格更便宜,但性能指标不及陶封)。如用2枚单运放OP37组合代替TL082实为一经济之举。代换时可按图1制作小电路板两块,亦可刀刻。集成块直接焊于印制铜箔面,用元器件管脚代替连接线焊于电路板上。制作时应采取屏蔽措施,以防自激,可焊一马口铁皮块接地盖于集成块上方。此法同样适用于NE5534和LT1028等单运放。

(2)电容的更换。将耦合用的电解电容换成无极性电容,将较小容量的滤波电容换成较大容量的,在其上并联小电容,将普通的瓷片电容换成介质损耗小、精度高的云母、苯乙烯或纸介电容,均可明显改善音质。电解电容本身介质损耗较大,又有直流漏电,其卷绕的芯子或多或少存在一定的等效电感,对高频呈现较大阻抗,容量和漏电流常随两端的电压及频率的变化而变化,使放大器音质劣化。若将原来的电解电容用棉线捆紧(目的是减小失真和改善音质)或换成高品质无极性电解电容或钽电解电容,可令音色更舒畅活跃,瞬变更神速。另外,本机中使用的瓷片电容亦可换成精度高漏电小的云母、苯乙烯或铁石电容。经这样摩机后可显著提高分析力,使音乐起落更富有韵昧,音场更开阔。最后,有条件还可将唱头放大器和线路放大器当中的22μF电解电容改用4只22μF/6.3V钽电容组成(见图2),这样接法做成总容量为22μF无极性电容,对低频响应有很大改进。

3.电源的改制。K913机末级功放采用±45V供电,而滤波电容每组仅10000μF,引起该类机低频交流声较明显。我们可以对该类机电源进行改制。该机电源部分电路见图3。

①变压器和整流滤波部分的改制。本机电源变压器两个次级绕组均采用中心抽头方式,利用桥式整流器分别得到±45V和±22V两组电源。这种供电方式将引起两个声道的相互干扰和电源低频交流声的加重,使音质的纯净度受到影响。这时,我们可将本机供电改制成正负电源独立整流滤波供电,可基本消除交流声。首先改制变压器。将变压器取下,打开屏蔽罩,在次级绕组线头这边用锋利的小刀划开青壳纸,注意勿将漆包线划破,然后找到引出线和漆包线的焊头,其中有两股漆包线和一根引出线焊在一起的即为中心抽头,分开这两股漆包线,再另用一根较粗的引出线分别引出两个抽头,用透明胶纸封好青壳纸,合上屏蔽罩即告改装完成。±22V供电绕组因线头在里层,且对音质影响不大,可不必改制。接着改制整流滤波部分,改制后电路见图4。在改制中,为延时、零点保护电路供电的+30V电源需另外增加一组桥式整流电路,将180Ω保险电阻增大到到1kΩ/2W。电路板可重新制作,亦可增加一块小电路板。在体积允许的情况下,我们可适当在±45V电源上各并上4700μF、100μF、1μF、4700pF和2200pF等不同容量的小电容,这样可使音质更纯净,音色更舒畅。

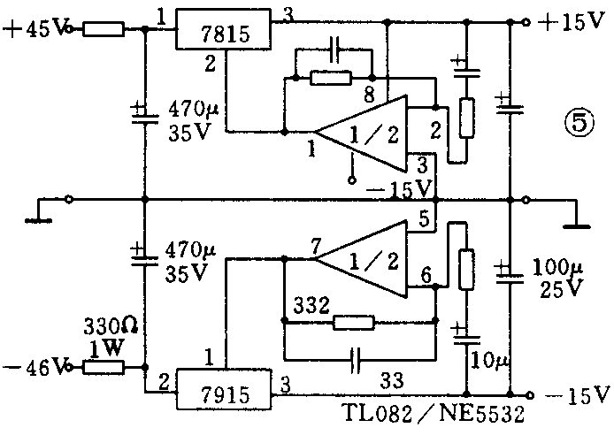
②加强前置电源供电。K913扩大器前置电源采用一般分立件串稳电路,这样对弱音的表现不佳。三端稳压集成电源的性能较好,比较接近蓄电池,在频率很低的范围性能非常好,而对于音频领域的高频端来说就显得差劲了。选用由高速运放和三端稳压集成电路搭配组成的“有源伺服电源”,利用运放来对高频端加以补偿,对于音频范围的7V\(_{p}\)-p峰峰值猝发信号的电压变动情况比蓄电池还好,而其噪声也远小于其它类型的有源电源。因此,改用有源伺服电源替代分立件串隐电路,可使音质大幅度改善。有源伺服电源电路的输入电压要求比一般手册上给出的要高,不是一般的高2.5V,而是起码应高出8V,但也不能超出15V。改制时,可自制一块电路板置于原串隐电路板上方,用粗引线管脚连接于电路板上即可,粗引线兼做支撑用。三端稳压集成块需加一小块散热片。改制后电路见图5。

4.增加动态降噪系统。与放大器搭配的录音卡座一般不带降噪系统,增加降噪系统可以非常明显地降低噪声,提高信噪比,改善音质。在卡座中增加降噪系统不如在放大器中增加更具实用性。在众多形式的降噪系统中,DNR动态降噪系统是近年来出现的单端式或叫非互补式噪声抑制系统,它与所有预录磁带和FM兼容,有大于10dB的降噪效果,是一种很有前途的优选电路。如将此动态降噪系统放在低放后级(即功放之前)将能达到20dB以上的降噪效果。典型电路是采用美国NS公司推出的单片降噪集成电路LM1894。选择使用此电路进行改装,因其电路简单、兼容性好、电路板较小,这样对加装有利。K913机有五路信号输入:唱机输入PHONE、卡座输入TAPE、收音头TUNER、激光唱机输入CD和音像设备输入AV。其中除AV路为自锁开关外,其余四路为互锁开关。近年来,由于CD唱机日益普及、电唱机已逐遭淘汰,这时我们可将唱机开关改为自锁开关,进行降噪与非降噪选择。改装时,可先将此开关取下,将互锁连动片向上弯折起来,使另外三路开关互锁自如,然后换上一同尺寸规格自锁开关即可。在连线时,需先将与此开关相连的铜箔割断,信号线焊接在开关上部引脚,电路板需进行屏蔽。连接无误后即可通电试机,仔细调节降噪板上的电位器RP,兼顾各种音源,使高频成分不致抑制过多而又能达到明显降噪效果即告完成。经过这样改制,对利用本放大器转录噪声较大的录像带伴音信号将特别实用。
5.卡拉OK电路的更换。BBD器件作为延迟元件使用是很方便的,但其本身存在着偏差,尤其在重放Hi—END级单源时,采用BBD器件的混响器在信噪比、失真率、动态范围和通频带等方面已明显不足。随着数字音频技术的发展,数字延迟器件(DDC)应运而生。目前,数字延迟元件不断问世,已逐步集成化,不仅体积小、效果好,而且功能齐全,使用方便,在专业级音响中得到广泛应用。在众多的数字延迟器件当中,以日本三菱公司生产的数字延迟大规模集成电路M50195P、M50197P、M50199P和浙江宁波天马公司生产的DN888最为常见。
K913扩大机(包括另外众多牌号的放大器)卡拉OK电路延时、混响器件采用BBD器件MN3207、MN3102,如能将之更换成数字延迟器件构成的延时、混响电路,则可大大改善卡拉OK演唱和混响效果,令演唱者声音更加圆润清晰,临场感更强。
M50197P构成的数字延迟电路比同出一格的M50195P和DN888应用更方便,因前者将后者需要的动态RAM和比较器也集成进去了,成为单片式延迟混响电路。因此,有条件选用M50197P作为替换BBD的器件较好。
经过以上几项摩机,整机性能指标均有很大改善。(陈继勇)