近年来,SCA广播正在我国各大城市陆续启用,有的已用来播送证券、股票等的动态行情,有的用来对汽车司机播放道路情况来疏导城市交通中的车辆运行。可以预料,随着社会经济的发展,SCA广播将会得到更广泛的应用。
什么是调频SCA广播
“SCA”是附加信道语言广播。它实际上是把语言信号插到调频立体声复合信号中,作为一个独立的附加广播信道,利用原有的调频发射设备和发射天线进行广播的。一般说来,两个相邻调频广播台之间至少有300kHz的频率间隔,美国规定的是400kHz,欧洲规定的是300kHz。在这个频率间隔里,两个调频广播台的立体声复合信号占用了100kHz左右,还有近200kHz空闲着,每个调频广播台各有100KHz左右。SCA广播正是利用了这个100KHz的频率间隔,先把语言信号用调频方式调制到67kHz的副载频上,让它落到空闲着的100kHz间隔里,然后与立体声复合信号一起送射频频率调制,最后由天线向空间发射。图1是调频立体声带附加信道的信号频谱分布图。为了使附加信道不去窜扰立体声广播,通常对附加信道的带宽都有严格的限制。我国标准中规定附加信道的带宽不得大于12kHz,其实作为语言广播这样的带宽也足够了。

由于副载频带宽的限制,它的最大频偏只有±4kHz,而立体声广播的最大频偏有±75kHz。相比之下,附加信道的频偏是立体声广播的1/16,附加信道的频偏极小。在这样小的频偏下,要想获得满意的信噪比和动态范围,在SCA广播中,对副载频中的语言信号还要使用压缩和扩张的技术处理。在电台的发射端,语言信号要经过压缩后再调制到67kHz副载频上。整个压缩过程是将语言信号以0dB为轴心进行的,该0dB电平值通常由所使用的压缩电路所规定,高于0dB的电平向下压,低于0dB的电平向上抬。例如,当信号电平为+10dB时,压缩后就变为+5dB;-20dB时,压缩后则为-10dB电平,都是以2:1的dB比率进行的。在SCA收音机中,从副载频中解调出来的音频信号,要经过扩张后才能正常放音。扩张的过程正好与压缩相反,但也是以0dB为轴心进行的。对于+5dB信号,扩张后就为+10dB,-10dB的信号经扩张后便为-20dB。
用TDA70××电路解调副载频
与通常的调频收音机不同的是,SCA广播收音机还要对从射频信号中解调出来的67kHz副载频再进行一次调频解调,才能得到SCA的语言信号。对副载频的解调可以使用TDA70××系列电路,这是因为67kHz的副载频频率正好落在TDA70××系列电路的中频范围内。使用TDA70××系列电路来解调副载频,不仅具有外围元件简单,不用调试等优点,而且还具有解调灵敏度高的特点。
根据TDA70××系列电路的技术参数,对于±22.5kHz的射频信号,其输出电压为75~90mV。所以,对于±4kHz频偏的副载频解调,其输出电压也将达到67~80mV,输出信噪比也可达到59dB。图2是TDA7010T的副载频解调电路,67kHz副载频信号从第11脚输入,第5脚悬空让本振回路断开不工作,中频频偏压缩环路也不工作,使副载频信号经混频电路后直接送中放、限幅和解调。考虑到TDA7010T的最低工作电压是2.8V,当使用两节干电池供电时,应选用TDA7021T。图3是TDA7021T的副载频解调电路,该解调频率的范围可以从60kHz一直到100kHz。


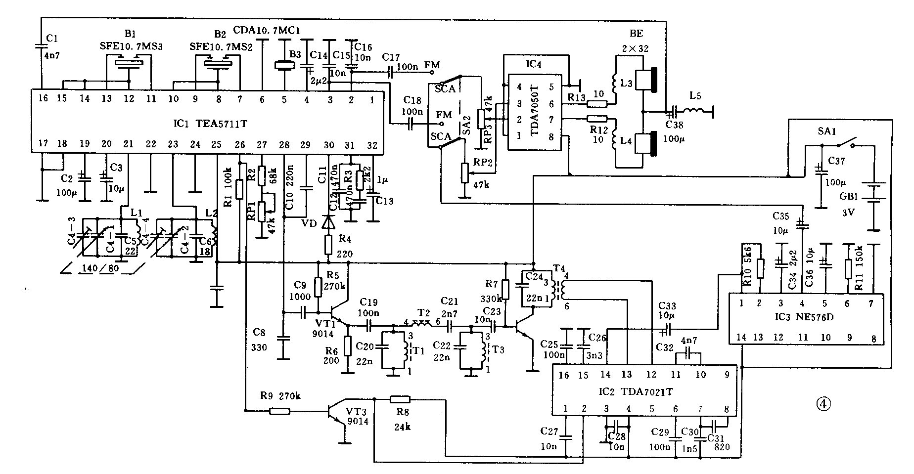
SCA广播收音机实例

图4是一台完整的SCA/FM立体声广播收音机电路图,用开关S2来选择是收听SCA广播还是FM立体声广播。射频接收部分使用了一块单片FM/AM带立体声解码电路的收音集成电路TEA5711T,这里只用了它的调频电路部分。该电路无高电位接地线,而且采用二级中频分离滤波,性能稳定,印制板布线简单。另外,电路内部的对称AFC使调谐手感特好。此外,该电路的FM灵敏度要比其它单片收音电路高6dB。该收音机使用耳机线作天线,从耳机线上收到的天线信号经耦合电容C1从第16脚上送入调频高放级。立体声音频信号从第2和3脚出来,经选择开关S2后,送音频功放电路TDA7050T去推动耳机放音。从第28脚上输出的带SCA副载频的信号先经过一个由C20、C21、C22、T1、T2和T3组成的带通滤波器,取出67kHz副载频信号。晶体管VT1为射极跟随器,用于带通滤波器的阻抗匹配。晶体管VT2和T4构成67kHz副载频的调谐放大器,经放大后的副载频信号,用平衡输入的方式送给TDA7021T的第12和13脚。从副载频中解调出来的SCA音频信号从TDA7021T的第14脚上输出,电容C26是副载频的50μs去加重电容、从TEA7021T输出信号最后送扩张电路NES76D进行语言的扩张还原。经扩张后的信号从NES76D的第4脚输出送选择开关S2。NE576D是一块低电压扩张电路,最低工作电压可达1.8V,晶体管VT3是TDA7021T的静噪控制电子开关,受TEA5711T的调谐指示电平控制。当调谐在无电台位置时,晶体管VT3导通,TDA7021T便处于静噪状态,无输出。各电感线圈的参数都列在表1中,供读者制作时参考。(虞建达)
