本文介绍的遥控开关,由两套不同频率的遥控开关组成,可以两路同时操作,互不干扰,控制距离在15m范围内。
电路简介

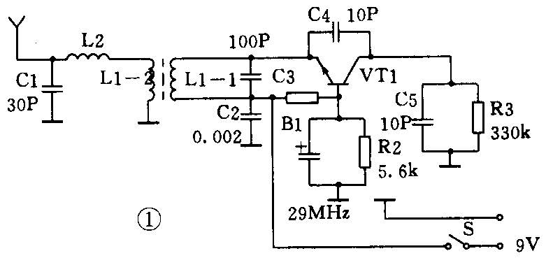
图1为A型单通道遥控开关发射机电路图。VT1为高频振荡器,L1-1与C3组成LC振荡回路,振荡频率为27MHz,并接上B1晶振,使其稳定在27MHz频率上发射。

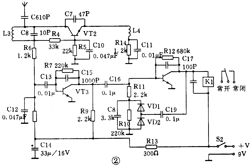
图2为A型单通道遥控接收机电路图,它由超再生检波器、音频放大器、功率开关放大器三部分组成。其中VT2为高频三极管,由它组成超再生检波器,R8、R6、R4、R5决定VT2的工作点。R5、C10决定超再生检波器的猝熄频率,调整C10可以使猝熄频率固定在一个适当的数值上,使超再生检波器的灵敏度和稳定性都处于较好的状态。L3、C8组成接收机的调谐回路,转动L3的磁芯可调整接收机的接收频率。L4为高频扼流圈,C7为反馈电容,改变C7的值对从R8两端取得的超再生检波器输出信号大小有一定影响。在R8两端接上耳机就能听到超再生的“哗哗”噪声。由VT3组成音频放大器,将噪声信号放大。由C13输送到VT3的基极,R7、C15组成负反馈基极偏置电路,可防止电路自激。放大后的信号经C16输入到VT4的基极,进行开关功率放大。VD1、VD2、C18组成倍压检波电路,使VT4基极上得到大于0.7V的低频噪声信号电压。此时继电器K1吸动,常闭触点断开,使被该组触点控制的电器断电不工作。当发射机工作时,接收机收到27MHz的高频信号,使接收机电路谐振,此时超再生噪声熄灭,VT3基极上就无音频噪声信号了,K1释放,常闭触点接通,被该组触点控制的电器电路开始接通并工作。这样,通过继电器的触点,就能有效地控制各种家电设备、玩具电源的开和关。
制作与调试
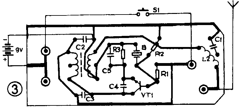
VT1、VT2选用BVceo≥20V、β≥100的高频三极管,如9018;VT3选用BVceo≥20V、β≥200的低频晶体三极管,可选用9011;VT4选用BVceo≥20V、β≥10的低频中功率管,如9013;电感线圈L1的制作方法是:在外径为8mm、长为10mm的胶木管上用Φ0.15mm漆包线绕11圈作为L1-1,L1-2绕3圈,胶木管内安装Φ6mm、长10mm的高频磁芯;L2是在1/8W1MΩ电阻上用Φ0.1mm漆包线绕30圈而成;L3是在直径为6mm、长10mm的磁芯上用Φ0.27mm漆包线绕11圈。发射机天线用Φ0.23mm金属丝取30cm制成。图3、图4为发射机、接收机印制电路板图。焊接时要防止假焊,全部装好后再调试。


B型单通道遥控开关发射机及接收机,与A型基本相同,需要改变的如下;(1)B1用29.8MHz晶振。(2)L1-1为10圈,L2为25圈,接收机上的L3为10圈。因为A、B两振荡频率是二个台,不会引起干扰,可双机并发,自行收发。(张德礼)