我曾在1991年第五期《无线电》杂志上看到示波器多波形显示装置的文章,在做实验过程发现此装置存在以下缺点:
1.示波器在一次扫描中连续显示八路波形。
2.不能准确地观察各信号之间的相位关系。
3.输入输出无确定的定量关系。
在原装置中去掉NE555时钟脉冲电路,改成由示波器提供的脉冲作为计数器的时钟脉冲,这样可与扫描信号准确地同频同相,克服荧光屏出现一次扫描连续显示多个信号的现象,各信号之间的相位关系也符合实际。
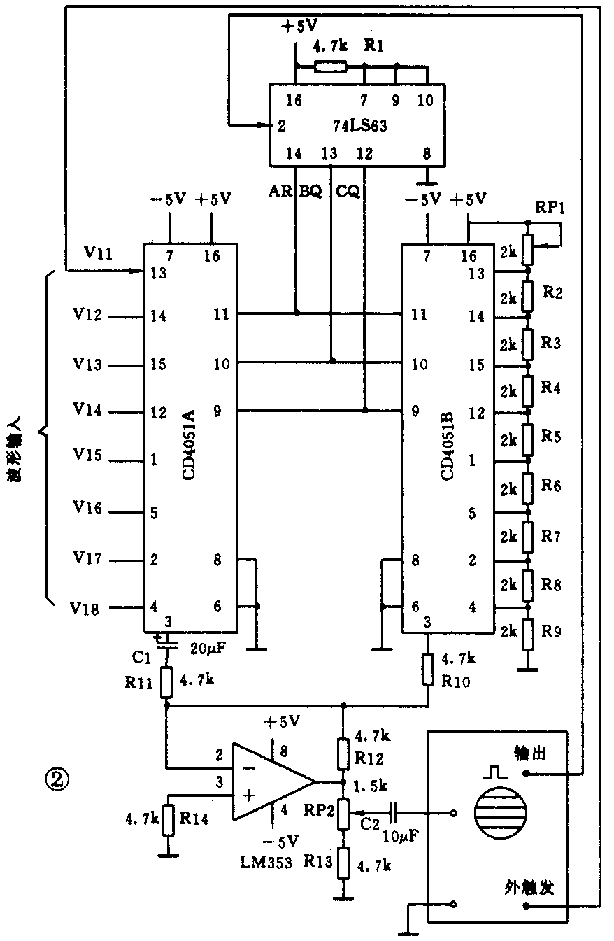
改进后的测试原理框图如图1所示。

工作原理:当系统启动以后,计数器对输出脉冲计数,对应每一个计数状态,多路开关选择一路输入,同时直流电平电路提供一直流电平,二者通过求和电路叠加。由于输出脉冲与扫描周期相同,又由于各路输入所对应的直流电平不同,因此各路信号在荧光屏Y方向分开,不会发生混叠。此外,由于外触发信号是选择一路输入,且各信号间一般有整数频率关系,因此各路信号的相位关系可准确显示。
本设计线路与原设计线路的区别:①去除NE555改成由普通示波器(单踪或双踪)提供时钟脉冲,消除人为误差。如果示波器无输出脉冲就从示波器引出闸门信号(与扫描信号周期)作为计数器脉冲。②一次扫描只有一路输出,而不是一次扫描多路显示。③能准确显示相位关系。
多波形显示装置的用途很广,现仅举一例说明其应用。下面以测试计数器为例说明,图4是一个用J-K触发器构成的异步十进制计数器电路,当在CP端加入脉冲信号后,用示波器观察Q1、Q2、Q3及Q4端的波形如图5所示。(吴建平)



