笔者利用两块廉价的运放ICLM324及少量的普通元器件,设计制作了本文介绍的时间控制器。本装置成本很低、功能较多、使用方便、安全可靠,广泛适用于对各种家用电器和工矿企业用电设备的定时开关控制或循环通断电控制,还可用于装饰灯电路、模拟自然风电路、空城计防盗灯电路以及其它自动化设备中。它有以下功能和特点:
1.两路定时开关功能。分别控制两路用电器各一次开机和一次关机动作,互不影响;若将两路合并,则可控制同一路用电器两次开机和两次关机动作。两路各自的开机和关机时间分别由四只电位器编程预置,可在0~2分钟、0~1小时或0~12小时三档范围内任意调节。
2.自启动四级循环时序控制功能。上述定时开关程序可以自启动循环进行。若合理编程并组合利用继电器触点,可控制四组灯具或其它电器循环流动工作,循环周期可在前述三档时间范围内任意调节,周期内各级所占时间也可灵活分配。
3.掉电记忆功能。若定时过程中停电,不论时间长短,不需辅助电源,来电后仍保证按预设定时间执行各路的开机和关机控制。
4.电源适应性强。能在市电电压为160V到300V宽范围内安全可靠地工作。
基本原理

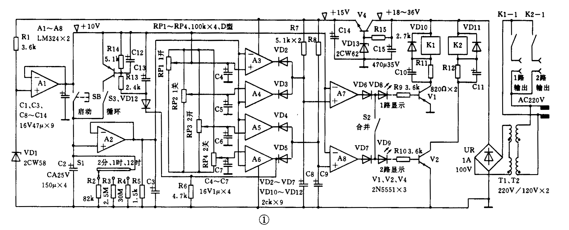
图1为电原理图。市电经T1、T2降压,UR整流,C15滤波,获得+24V电压作为继电器工作电源。V4等元件组成稳压电路为运放IC提供稳定的+15V工作电压。由于本装置在实际使用中将长时间接入市电,从安全角度考虑,将两只相同的小型电源变压器初次级分别串联使用,每只都只承受一半电压。实践证明,即使在300V电压连续带载工作数十小时也不会明显发热。R11、C10、R12、C11的作用是使继电器在吸合时能得到较大的冲击电流,而吸合后只能得到较小的维护电流,既降低了能耗又提高了可靠性。选用绕组工作电压为24V、直流电阻为1kΩ左右的继电器。据实测,当市电电压低至160V时,电路直流电压为18V,继电器能可靠吸合;当市电电压高达300V时,直流电压为36V,但继电器吸合后其绕组两端电压仅20V,属正常范围,这就保证了本装置能在很宽的电压范围内安全可靠地工作。
R1、VD1为A1提供基准电压,A1接成电压跟随器,其输出端为后级电压比较器提供精密的+10V参考电压。若按一下启动按钮SB,C2被充电,其正极电位迅速上升到+10V,因运算放大器输入阻抗极高,所以C2只有经R2、R3或R4放电。取放电终止电压为+0.9V(可由R6调节),则放电时间为:T=RCln(10V/0.9V)=2.4RC,取C=600μF,接入R4=30MΩ,则T=2.4×600×30=43200(秒)即12小时,这就是最大定时范围。若拨动档位开关S1换接R3或R2,则最大定时范围分别为1小时和2分钟。因电容放电有独立回路不受通断电源的影响,所以停电将不会引起预置定时控制时间的改变。A2接成电压跟随器起隔离作用,其输出端电位将与C2正极电位同步变化,在定时过程中按对数规律从+10V降到+0.9V,为A3~A6提供共用的控制信号电压。A3~A6均接成电压比较器,当正输入端电位高于负输入端电位时,输出端为1(高电平),当正输入端电位低于负输入端电位时,输出端为0(低电平)。RP1~RP4分别为A3~A6提供可调的比较电位,调节RP1~RP4将分别决定A3~A6输出状态翻转的时间,也就分别决定了1路开机、1路关机、2路开机和2路关机的控制时间。A7、A8直接取+10V为比较电压,VD2、VD3与上拉电阻R7配合A7实现有0出0、全1出1的逻辑功能,另一路VD4、VD5、R8与A8工作原理相同。

下面说明控制过程的工作原理。图2表示A2~A8输出电平随时间变化的情况。设RP1~RP4滑动触头提供的电位分别为Ua、Ub、Uc、Ud,R6分压为Ue,且+10V>Ua>Ub>Uc>Ud>Ue;设A2输出电位降至Ua~Ue所经过的时间分别为Ta、Tb、Tc、Td、Te。电路刚启动时,A2输出电位为+10V,高于Ua~Ue,A3输出为0,A4输出为1,A7输出为0,后级V1截止,K1触点不吸合,1路电器不工作;另一路A5、A6、A8、V2、K2工作原理相同,此时2路电器也不工作。当经过时间Ta后,A2输出电位已低于Ua,A3输出由0变为1,使A7输出由0变为1,V1导通,K1触点吸合,执行对1路电器的开机控制。当经过时间Tb后,A2输出电位已低于Ub,A4输出由1变为0,使A7输出由1变为0,V1又截止,K1触点释放,执行对1路电器的关机控制。同理可知另一路的工作情况,当经过时间Tc后,K2触点吸合,执行对2路电器的开机控制;当经过时间Td后,K2触点释放,执行对2路电器的关机控制。经过时间Te后,A2输出电位已低于Ue,分析可知两路电器都将无条件关机。
C4~C7的作用是滤除从电位器滑动触头和连线串入的交流干扰信号,以免在临界电平时引起A3~A6误输出,导致电路误动作。C8、C9是消抖动电容器可使继电器触点的转换动作干脆利索。VD8、VD9作两路输出显示之用。
如果闭合合并开关S2,则A7、A8输出端合并为一路,可对同一路电器执行两次开机和两次关机控制。
如果闭合循环开关S3,A6输出的执行2路关机的低电平信号兼作循环启动控制信号,使V3导通,对C2充电。当C2充足电后,A2输出电位回升到+10V,A6又恢复输出高电平,V3截止,停止对C2充电,这样,控制程序将循环进行。因刚开机时,C2无电,A6输出低电平,立即引起V3导通对C2充电,所以电路能自启动。C12的作用是使V3延时导通,延时对C2充电,保证A6有足够时间对C13充电。C13的作用是使V3延时截止,保证对C2充分充电。R14的作用是在较短时间内泄放掉C12的残留电荷,以免V3截止程度不够,继续对C2缓慢充电,造成程序时间误差。

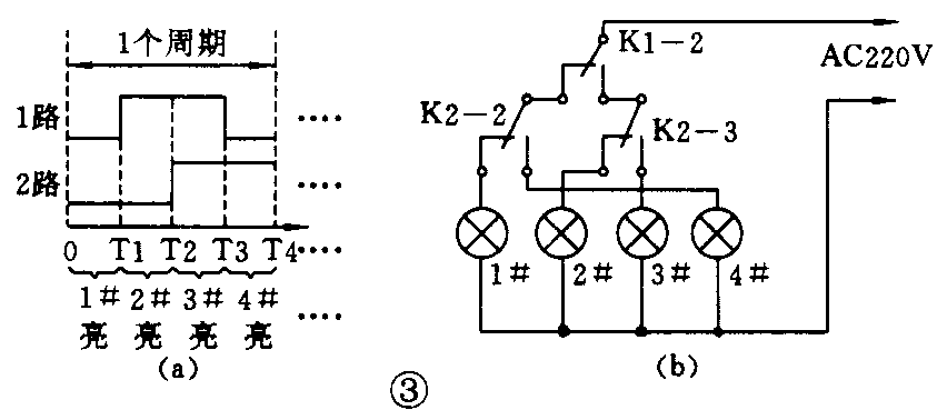
如果按图3a编程并按图3b所示连接继电器触点,则1\(^{#}\)~4#灯组将依次得电发光产生流动效果。若再利用原来控制两路输出的触点,使其常开与常闭状态各控制一组灯具,则一共可控制八组灯具按各不相同的规律周期性闪光,形成很活跃的气氛。
元件选择
T1、T2选用两只次级电压为20V、功率1~3W的小型电源变压器串联使用。A1~A8用两只LM324即可满意工作。C2须用漏电极小的钽或铌电解电容器,多个并联达到总的容量。RP1~RP4选用100k对数型直滑电位器,有条件则选用100k多圈电位器可大大提高调节精度。V1、V2、V4选用2N5551或其它反压高于60V的中功率三极管。V3宜用开关管,Iceo和Vces越小越好。K1、K2选用小型电磁继电器,触点负荷应满足用电器功率的要求;绕组工作电压应为直流24V;吸合电流30mA以下,比较特殊的是本电路要求其释放电流较小,以使其在9V左右电压下能维持可靠的吸合状态。其余元件无特殊要求。
装调使用

图4为印制板安装图。变压器、继电器和输出电源插座根据实物体积和形状另行妥善安装。RP1~RP4、SB、S1、S2、S3、VD8、VD9安装在自行设计的面板上。
调试很简单。先拨动S1将R3(2.5MΩ)接入电路,按一下SB,过1小时后,测出A2输出端电位应约为1V,记下其准确数值;再调R6,使其两端电压与刚才A2输出电压相等。这样只要R2、R3、R4阻值比例准确,三档时间范围将分别为0~2分钟、0~1小时、0~12小时。
装调完毕即可投入使用,具体操作方法参看原理叙述中的有关说明。这里仅谈谈掉电记忆功能的特殊用途。比如家长希望家中孩子只在规定的时间内看电视,则在上班前预置好电视机开机和关机时间(一次或两次均可);将电视机电源插头插入本装置输出插座中并使电路启动;然后将本装置锁入抽屉中,只留出电源插线。这样,只有在规定的时间内接上电源,电视机才能得电工作,不管怎样插拔电源插头,均不能改变预置的开机和关机时间。由于本装置功能较多,只要灵活编程就可在很多场合派上用场并取得满意效果。(刘志权)