要提高鸡的产蛋率,除精心喂养外,鸡每天还需要一定的光照时间,特别是到了冬季以及春、秋季的傍晚和清早,需要定时用灯光补充光照。通常鸡舍的灯光是由人工控制的。实践证明,用人工控制会出现不少弊端。为了减轻工作人员的劳动强度,提高鸡的产蛋率,本人制作了“鸡舍灯光自动控制器”。鸡舍的照明时间调好后,灯光每天自动开关,保证光照充足。即使在阴雨天的白天,鸡舍自然光照较暗时,灯光也会自动照明。该控制器经实际使用,效果良好。
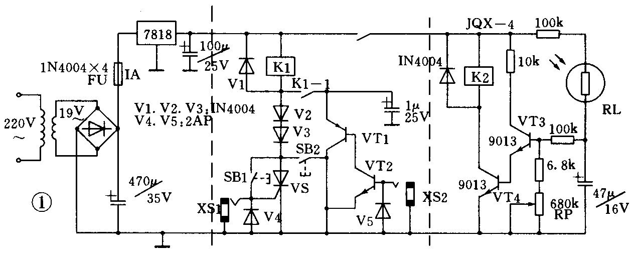
该控制器的电路如图1所示。

图1由三部分组成,左边线框内是控制器所用的电源,中间线框内是定时自动开关。右线框是光电自动控制电路,它控制继电器K2。
图1中电源部分由电源变压器、桥式整流器、滤波器、三端稳压器等组成。输出的直流稳定电压供给后面的电路使用。
图1中定时自动开关部分由三极管VT1、VT2、继电器K1、单向可控硅VS、定时插座XS1、XS2以及分别控制开与关的两只多功能电子挂表等组成。其中K1作为后面光电控制电路的电源开关。K1吸合后,接通后面的光电控制电路,使其开始工作,K1释放后,后级光电控制电路因断电而停止工作。
自动开关电路的“开”、“关’信号分别来自两只多功能电子挂表的定闹信号,定闹信号的引出是从电子表压电蜂鸣片两电极分别引出一根导线,其中一根串联一只0.0lμF的电容器,如图2所示。然后通过导线接上φ3.5的定时插头XP1即可(两只挂表信号引出线方法相同)。工作时,控制定时“开”电子表的插头XP1插入定时插座XS1中,控制定时“关”电子表的插头XP2插入定时插座XS2中。当控制“开”电子表所预定的定闹时刻一到时,它就会出音频脉冲信号,该信号在蜂鸣片发声的同时通过导线、插头XP1、插座XS1、触发VS,VS被触发导通后K1吸合,后级的光电控制电路开始工作。

通常控制“开”电子表的定闹时刻调到凌晨五、六点钟(根据需要调整),当定闹时刻到达时,K1吸合,光电控制电路工作,控制鸡舍的灯光开始照明,补充黎明前的光照。当天亮后,由光电控制电路中K2自动关断鸡舍的照明灯。傍晚,光电控制电路又控制鸡舍的灯开始照明,补充光照时间,晚上八、九点钟(根据需要调整),当控制“关”电子表的定闹信号时刻一到时,该信号通过导线、插头XP2、插座XS2传到定时电路,经三极管VT1、VT2放大,使VT2饱和导通,故单向可控硅VS截止而关断,K1释放。后级光电控制电路因断电停止工作。K2释放,受其控制的鸡舍灯光熄灭。
控制“开”、“关”两电子表的定闹时刻一旦调好后,电路每天按预定时间自动开关。鸡舍照明实现自动化。
图中SB1、SB2分别为手动控制开、关按钮。
光电控制电路工作原理,不少书上介绍都有,这里就不多叙述。图3是主控制电路。

本电路在使用时应注意:
1.两电子挂表的报闹功能(每到整点响一下)应调消失。
2.光电控制电路的光敏电阻,可装入透明塑料袋内,安放在鸡舍灯光不能直接照射的地方,以免造成干扰。也不可放在阳光直射、雨淋的地方,以延长其使用寿命。(田正泽)