心电图是诊断心脏病的手段之一,但有些阵发性或偶发性心脏病症状很难在门诊心电图室中记录下来。为此,笔者用YYH40语言集成电路设计制作了一个便携式心电图动态记录器。传统的记录器体积较大、笨重,给携带者带来许多不便。本文介绍的记录器体积小、功耗低、安全可靠、操作方便,不受时间、地点限制,且有记录信息不会丢失等优点,较好地解决了上述矛盾。经试用效果令人满意。

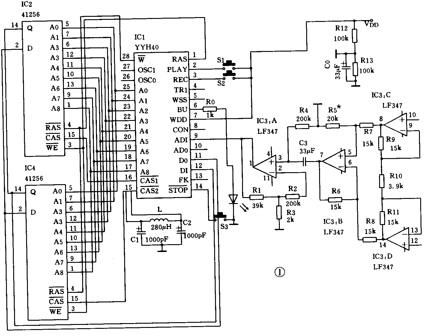
电路简介:电路原理如图1所示。YYH40为双列直插式28脚集成电路,该电路原用于“无人守候值班电话”以及“固体录音机”,功能较为完善。由于用于语言处理,该电路采样频率较高,按厂方提供的图纸,要获得40秒的录放时间,C1、C2和L应分别取470PF和100μH。心电信号最高频率小于100Hz,因此采样频率不必很高,为了获得尽可能长的录放时间,在设计中C1、C2取1000PF,L取200μH。实验证明,录放时间可以延长到2分钟。在需要记录心电信号时触发REC,发光管亮,电路由等待状态转入记录状态。心电信号由传感器拾取,被差分放大器放大,经YYH40进行模/数转换后变成数字信号,存放在外接DRAM41256中。电路中IC3的C、D为第一级差动式放大器,对差模信号放大,对共模信号进行有效地抑制,避免了50Hz干扰信号的窜入。IC3的A为第二级放大器,它将信号放大变换到适合YYH40的ADI端所要求的电平值,使之能够被YYH40处理。两分钟后,发光管熄灭,电路恢复到等待状态。要进行信号分析时,将心电示波器或心电图机接至ADO端按动PLAY键即可。STOP键可以使电路马上终止录放过程进入等待状态。图2是印制板图,供读者制做时使用。

注意事项:由于此电路应用于弱信号的拾取,在提高电路增益的同时,要特别注意抗干扰能力。为此,笔者采用了差分放大器,其原理不再多述,须特别指出的是,电路中CO不可去掉,它的作用是减小信号“地”与电源“地”之间的交流阻抗,避免噪声信号流经放大器对信号产生干扰,此电容非常重要,没有它,电路将无法工作。(彭立兴)