一台松下(乐声)L15录像机,在正常放像时雪花噪波大,图像闪动,彩色成横条纹,且时有时无,但静像,倍放及慢录放时一切都正常,伴音始终正常。
分析与检修:重放雪花噪波大,一般是磁头脏污或损伤所致,如果清洁磁头无效,则是磁头损坏无疑了。其他机型录像机静像时图像彩色正常则磁鼓一般是好的,而L15则不然:因为该机有两对磁头,一对是SP磁头,专门用于正常录放像,另一对是LP磁头,专门用于慢录放及特技重放。所以从故障现象(静像、倍放、慢录放正常)中可以看出LP磁头完好,故障是SP磁头中的一只损坏。停机,打开上盖及磁鼓护盖板,用放大镜观察磁鼓上的磁头,发现磁鼓一边的两个磁头缝隙似乎比另一边的大,像有缺损。为了确证,用示波器观察P3001第⑤脚图像信号,缺少一帧信号,再测P3001第⑨脚,切换脉冲正常,这样可以确诊为SP磁头损坏。拆下磁鼓用三用表电阻档测,果然一个SP磁头线圈因磁头崩缺而断的。

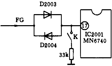
换一磁鼓是最简便的事,但价格比较昂贵,为此决定应急修理,方法有两种。一种是把磁鼓上小印制板上磁头与旋转变压器初级线圈的连线切断,将LP磁头的出线接到SP磁头至旋转变压器的一端,SP磁头不用,用这种方法能维持原有的正常录放像功能,但却丧失了其他特技功能,我认为是不可取的。另一种方法是在系统控制及伺服集成电路IC2001(MN6740)第脚对地接一个数十千欧的电阻(我接的是33kΩ),使控制系统用LP磁头代替SP磁头工作,这样在正常录放像时图像、彩色都正常,只是在特技重放时失去彩色。如果再加个微型开关,切换33kΩ电阻的加入与断开,则可兼顾正常录放及特技、慢录放。本人数次重录放同一录像带,均未见有损伤。(黄德润)