555集成时基电路的特点
555集成电路开始出现时是作定时器应用的,所以叫做555定时器或555时基电路。但是后来经过开发,它除了作定时延时控制外,还可以用于调光、调温、调压、调速等多种控制以及计量检测等作用;还可以组成脉冲振荡、单稳、双稳和脉冲调制电路,作为交流信号源以及完成电源变换、频率变换、脉冲调制等用途。由于它工作可靠、使用方便、价格低廉,因此目前被广泛用于各种小家电中。
555集成电路内部有几十个元器件,有分压器、比较器、触发器、输出管和放电管等,电路比较复杂,是模拟电路和数字电路的混合体。它的性能和参数要在非线性模拟集成电路手册中才能查到。555集成电路是8脚封装,图1(a)是双列直插型封装,按输入输出的排列可画成图1(b)。其中6脚称阀值端(TH),是上比较器的输入。2脚称触发端(TR—),是下比较器的输入。3脚是输出端(V\(_{O}\)),它有0和1两种状态,它的状态是由输入端所加的电平决定的。7脚的放电端(DIS),它是内部放电管的输出,它也有悬空和接地两种状态,也是由输入端的状态决定的。4脚是复位端(MR—),加上低电砰(<0.3伏)时可使输出成低电平。5脚称控制电压端(VC),可以用它改变上下触发电平值。8脚是电源,1脚为地端。

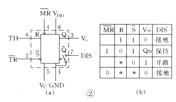
对于初学者来说,可以把555电路等效成一个带放电开关的R-S触发器,如图2(a)。这个特殊的触发器有两个输入端;阈值端(TH)可看成是置零端R,要求高电平;触发端(TR—)可看成是置位端S-,低电平有效。它只有1个输出端V\(_{O}\),VO可等效成触发器的Q端。放电端(DIS)可看成由内部的放电开关控制的一个接点,放电开关由触发器的Q-端控制:Q-=1时DIS端接地;Q-=0时DIS端悬空。此外这个触发器还有复位端MR—,控制电压端V\(_{C}\),电源端VDD和地端GND。

这个特殊的R-S触发器有2个特点:(1)两个输入端的触发电平要求一高一低:置零端R即阈值端TH要求高电平,而置低端S-即触发端TR—则要求低电平。(2)两个输入端的触发电平,也就是使它们翻转的阈值电压值也不同,当V\(_{C}\)端不接控制电压时,对TH(R)端来讲,>\(\frac{2}{3}\)VDD是高电平1,<2;3V\(_{DD}\)是低电平0;而对TR—(S-)端来讲,>\(\frac{1}{3}\)VDD是高电平1,<1;3V\(_{DD}\)是低电平0。如果在控制端(VC)加上控制电压V\(_{C}\),这时上触发电平就变成VC值,而下触发电平则变成12V\(_{C}\)。可见改变控制端的控制电压值可以改变上下触发电平值。
经过简化,555电路可以等效成一个触发器,它的功能表见图2(b)。
555集成电路有双极型和CMOS型两种。CMOS型的优点是功耗低、电源电压低、输入阻抗高,但输出功率较小,输出驱动电流只有几毫安。双极型的优点是输出功率大,驱动电流达200毫安,其它指标则不如CMOS型的。
此外还有一种556双时基电路,14脚封装,内部包含有两个相同的时基电路单元。
555的应用电路很多,大体上可分为555单稳、555双稳和555无稳三类。
555单稳电路
单稳电路有一个稳态和一个暂稳态。555的单稳电路是利用电容的充放电形成暂稳态的,因此它的输入端都带有定时电阻和定时电容,常见的555单稳电路有两种。
(1)人工启动型单稳
将555电路的6、2端并接起来接在RC定时电路上,在定时电容C\(_{T}\)两端接按钮开关SB,就成为人工启动型555单稳电路,见图3(a)。用等效触发器替代555,并略去与单稳工作无关的部分后画成等效图3(b)。下面分析它的工作:

①稳态:接上电源后,电容C\(_{T}\)很快充到VDD,从图3(b)看到,触发器输入R=1,S-=1,从功能表查到输出V\(_{o}\)=0,这是它的稳态。
②暂稳态:按下开关SB,C\(_{T}\)上电荷很快放到零,相当于触发器输入R=0,S-=0,输出立即翻转成Vo=1,暂稳态开始。开关放开后,电源又向C\(_{T}\)充电,经时间td后,C\(_{T}\)上电压升到>\(\frac{2}{3}\)VDD时,输出又翻转成V\(_{o}\)=0,暂稳态结束。td就是单稳电路的定时时间或延时时间,它和定时电阻R\(_{T}\)和定时电容CT的值有关;t\(_{d}\)=1.1RTC\(_{T}\)。
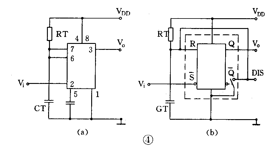
(2)脉冲启动型单稳
把555电路的6、7端并接起来接到定时电容C\(_{T}\)上,用2端作输入就成为脉冲启动型单稳电路,见图4(a)。电路的2端平时接高电平,当输入接低电平或输入负脉冲时才启动电路。用等效触发器替代555电路后可画成图4(b)。这个电路利用放电端使定时电容能快速放电。下面分析它的工作状态:

①稳态:通电后,R=1,S-=1,输出V\(_{o}\)=0,DIS端接地,CT上电压为0即R=0,输出仍保持V\(_{o}\)=0,这是它的稳态。
②暂稳态:输入负脉冲后,输入S-=0,输出翻转成V\(_{o}\)=1,DIS端开路,电源通过RT向C\(_{T}\)充电,暂稳态开始。经过td后,C\(_{T}\)上电压升到>\(\frac{2}{3}\)VDD,这时负脉冲已经消失,输入又成为R=1,S-=1,输出又翻转成V\(_{o}\)=0,暂稳态结束。这时内部放电开关接通,DIS端接地,CT上电荷很快放到零,为下一次定时控制作准备。电路的定时时间t\(_{d}\)=1.1RTC\(_{T}\)。
这两种单稳电路常用作定时延时控制。
555双稳电路
常见的555双稳电路有两种。
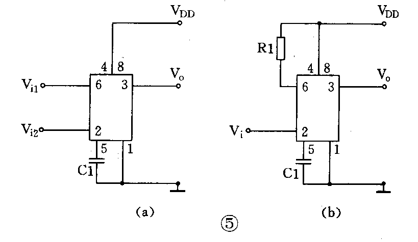
(1)R-S触发器型双稳
把555电路的6、2端作为两个控制输入端,7端不用,就成为一个R-S触发器。要注意的是两个输入端的电平要求和阈值电压都不同,见图5(a)。有时可能只有一个控制端,这时另一个控制端要设法接死,根据电路要求可以把R端接到电源端,见图5(b),也可以把S-端接地,用R端作输入。

有两个输入端的双稳电路常用作电机调速、电源上下限告警等用途,有一个输入端的双稳电路常作为单端比较器用作各种检测电路。
(2)施密特触发器型双稳
把555电路的6、2端并接起来成为只有一个输入端的触发器,见图6(a)。这个触发器因为输出电压和输入电压的关系是一个长方形的回线形,见图6(b),所以被称为施密特触发器。从曲线看到,当输入V\(_{i}\)=0时输出Vo=1。当输入电压从0上升时,要升到>\(\frac{2}{3}\)V\(_{DD}\)以后,Vo才翻转成0。而当输入电压从最高值下降时,要降到<1;3V\(_{DD}\)以后,Vo才翻转成1。所以输出电压和输入电压之间是一个回线形曲线。由于它的输入有两个不同的阈值电压,所以这种电路被用作电子开关,各种控制电路,波形变换和整形的用途。 (俞鹤飞)
