荷兰飞利浦公司专门为高档超薄微型FM收音机开发了一种新型的轻触式电调谐单片ICTDA7088T。传统的收音机调谐一般都是机械式的。微型收音机,尤其是卡片式收音机,如采用机械调谐在结构设计上有许多麻烦,而采用7088T电路电调谐时,只需用搜索和复位两只按钮。接通电源后,只要按一下搜索钮,电路会自动由低端频率向高端搜索。收到电台后,便停止搜索。若要收听下一个电台,只要再按一次搜索钮即可。当按一下复位钮时,电路立即回到最低频率端。
该IC采用双列扁平16脚微型SMT封装。采用70kHz的低中频技术和单变容管单调谐,这样降低了成本,提高了性能,很适合在礼品卡片式收音机、太阳能帽式收音机、火柴盒式收音机等产品上应用。
内部框图与应用电路
由图1可知,TDA7088T电路内部包含混频电路、本振、中频放大和限幅电路、鉴频电路、静噪电路及AFC电路等。

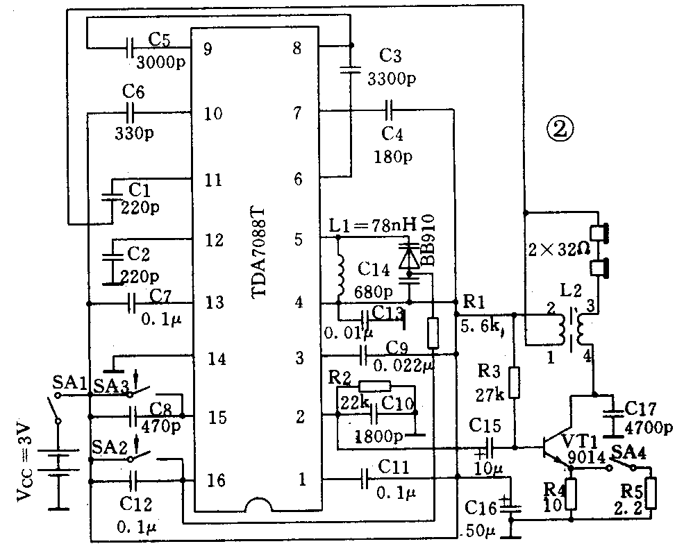
TDA7088T的典型工作电流约8mA,采用两节7号或8号电池比较合适。图2是该IC的基本应用电路,是带一级简单低放用32Ω耳机收听的调频收音机,音量的调节是通过改变三极管VT1的发射极电阻来实现的。L2是高频阻流圈,以阻止耳机线上感应到的信号被耳机线圈的分布电容及C17所分流。

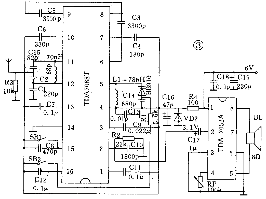
图3是采用飞利浦公司单片电路并带BTL功放TDA7052A的调频接收机电路,该功放电路不需外围元件,在6V电源、8Ω负载下可获得1W的正弦波功率,很适合用于家用音响。

TDA7088T电路内部的静噪电路在调频广播信号结束后会自动将音频信号静噪,同时,在调谐过程中静噪电路仍工作。上述电路与TDA7052A或LM386、TDA2822等功放配合使用,可以很方便地装成一台电调谐自动接收、自动关机的自动调频音箱,不需要另外加装控制电路。轻触或调谐系统也可以很方便地实现遥控操作。
制作与调试
图4是图2电路的印制板。TDA7088T电路焊接在铜箔面,注意焊接时烙铁的温度不可过高,焊锡的质量要好。不要采用一般的助焊剂,否则会加大分布电容的影响。

收音机电路中调谐电压保持电容C12应选用性能稳定、漏电小的独石电容或钽电容,C10选用涤纶电容。其余除电解电容外,均可选用高频瓷片电容。电感L1用Ф0.6mm的漆包线在Ф3mm的骨架上绕6匝,然后做成脱胎式线圈。图3中L3按同样尺寸绕5匝。射频阻流圈L2可选用调频中频变压器中的“工”字磁芯,用两根0.16mm的漆包线双线并绕7匝,两个起始端分别是①、③端,不能搞错。
元器件全部装完,检查无误后就可调试。先将一台直流电源的输出电压调至(V\(_{CC}\)-0.1V)的电压值(如VCC=3V时,则为2.9V)接至端,这时,因直流电压恒定,所以变容管的容量亦固定,拨动线圈L1的间距,改变电感量,使收音机能收到87.5MHz的信号,这是低端调节。然后将直流电源调至(V\(_{CC}\)-1.6V),只要能接收到108MHz附近的信号就可以。由于变容二极管参数特性的差异,下限电压值不完全相同,只要将调谐电压调在(VCC-1.85V)电压值以上收到108MHz信号即可。至此,频率覆盖已调试完毕,去掉外加的直流电源,收音机就可以正常工作了。 (张国鹏)