当前市场上超高频数字频率计售价较高,随着大规模集成电路及专用集成电路成本的下降,自己动手做一个性能好、成本低的数字频率计已不是难事。笔者花了二百多元制作了一台超高频数字频率计。它的特点是采用大规模集成电路,成本低、体积小、使用方便灵活。
性能指标
1.频率范围:(分两档) Ⅰ.10kHz~50MHz(示值×10\(^{4}\)Hz;Ⅱ.50kHz~700kHz(示值×104Hz)
2.灵敏度:30mV(p-p)
3.测量误差:<0.1%±1个数字
4.输入阻抗:75Ω
5.显示方式:八位LED数码管
6.电源:由220V交流电供电,变压器功率为3W
7.体积:外壳180×65×140(mm)(宽×高×深)
频率计的组成及原理
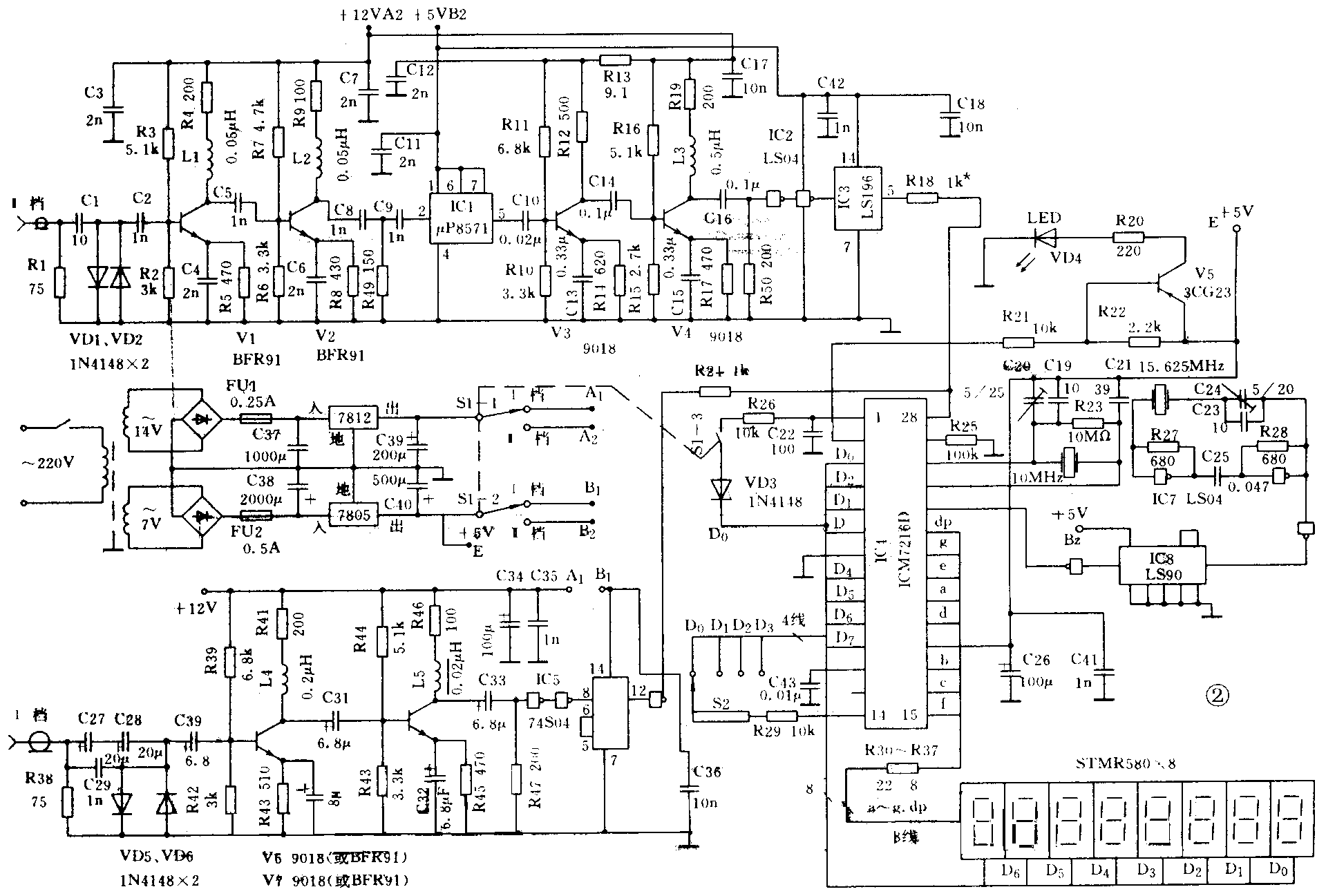
方框图见图1,电路原理见图2、图3是该频率计的面板图;图4是数码管印制板前面,图5是数码管印制板背面;图6是Ⅱ档前置放大及32分频印制板;图7是电源及主电路部分印制板;图8是Ⅱ档时基印制电路板;图9是Ⅰ档前置放大及10分频部分印制板。









整形及计数原理部分《无线电》杂志上已有过介绍,本文只介绍该电路特殊的地方。由于市场上难以购到除10超高频前置分频器,且该器件的价格比较高。本文用μPB571超高频双模前量分频器,其标称工作频率100MHz~500MHz(输入信号为正弦波),且价格较低,3O元左右。该器件根据接法不同有多种分频系数,分频系数较小时有更高的工作频率。在输入脚接300mV信号时,可达700MHz以上的工作频率。一般在50MHz~700MHz范围内均能满意工作。
该器件在低于45MHz正弦波时不能正常工作。故可采用10K系列的ECL整形电路,扩展μPB571的下限频率。但上限频率也随之下降,故需分成两档。本电路采用手头上现有且使用普遍的74系列TTL电路,将10kHz~50MHz单独做为Ⅰ档。由于受体积限制,Ⅰ档的发射极旁路电容不可能取得很大,因此下限频率不能做的太低。由于Ⅱ档总分频系数为64,故不能用10MHz时基,为了使数显屏能正确显示实测的频率数字,时基频率必须为1000MHz÷64= 15.625MHz,但ICM7216D在时基频率为15.625MHz时不能正常工作,因此,需将15.625MHz的频率进行10分频后接入外时基输入端或选用1.5625MHz晶振的外时基振荡电路。
S1进行同步控制,以选择合适的档位及正确的时基频率,并切断不工作部分的电源以降低功耗。当同步控制开关S1拨向Ⅰ档时,S1-1接通A1,S1-2接通B1,S1-3悬空,此时用内时基。当S1拨向Ⅱ档时, S1-1接通A2,S1-2接通B2,S1-3与IC4的1脚所串的10k电阻R26接通,此时计数集成块IC4使用外时基标准。由于Ⅰ档基准频率降低了,因此当测量周期选择开关S2选1秒档时,真正的一个工作周期为6秒多,频率为这一小段时间的平均值。若选0.1秒档,实际计数周期不到1秒。
制作和调试
由于Ⅱ档工作频率高,故在32分频前需要用微带线双面优质环氧印刷线路板,信号通过的印刷电路线宽应为3mm左右。阻容元件用无感阻容元件,或普通电阻剪去引线后直接焊在线路上,μPB571装在另一面,其占用面积部分的那一小块铜箔去掉。普通电容引线尽量短。将Ⅱ档前置部分和μPB571装在一块30mm×75mm印刷板上,电感采用超高频型磁环上绕0.25mm高强度漆包线制成,输入端接20mV左右超高频信号或用电视机U头输出信号,用直径1mm、长20mm的铜丝拾取。调整放大板使整个频带内的信号放大到有效值为0.3V~0.5V,或用扫频仪调,使3dB带宽在50MHz~700MHz范围内,若3dB带宽不够,可调电感或工作电流或负载电阻。负载电阻下降则带宽增加,但增益下降。工作电流最好在6mA~10mA。调整好后装在屏蔽盒内。
数码管显示板,采用双面印刷板。两面需要接通的地方(见图4、图5),可用短线将两面焊接好。由于线条较密集,要防止相互短路。印刷板自制好后,最好用万用表电阻档测一下。
电源变压器应选用屏蔽性好、隔离性强、漏磁小的。频率计做好后会出现即使不接输入信号仍有不规则的数字显示的现象。这是自激或干扰引起的。应检查电源部分及整形电路。将整形部分输入端接入一个数千欧电阻至地。使其显示为零,提高抗干扰能力。
信号输入线用SYV-75-4型同轴电缆,长度约为1m左右。发光二极管装在面板一角,做ICM7216D正常工作的指示灯,面板图见图3。频率计做好后需要用标准信号源或标准频率计来调整时基电路上的微调电容,使Ⅰ档和Ⅱ档都能在标准信号源为50MHz时,显示50MHz的数值。调好后电缆及电缆探头不应再改变。
该频率计的面板采用镜面有机玻璃边角料。用刮胡刀轻轻刮掉显示数字地方的反光涂层,这样既可显示数字,又美观挡尘,简化了制做过程。
测量周期选择开关用1×4拨动式开关,档位开关用3×2拨动开关。信号输入插座插头采用共用天线上使用的超高频插头插座,以保证低损耗和可靠性。
元件选择
二极管、三极管、集成块均用正品或拆机保用品。9018的f\(_{T}\)≥1000MHz,β=80左右,BFR91的fT≥4.5GHz,β=60左右。7812、7805要装小型散热器,以防过热。R24、R18由实际调试决定。电容耐压为工作电压的1.5倍以上。电阻为1/8W~1/4W的金属膜电阻。整流桥用1A/50V小圆形硅桥。数码管要挑选亮度均匀一致的,以免有的笔划或位部分明暗不同。 (杨百盈 毕世红)