电视游戏机的电路由计算机芯片及数字电路组成。维修时和检修计算机一样,必须有宽频带示波器及逻辑笔等,对于一般爱好者来说,要购置这些仪器是不易的。这里向大家介绍两件小仪器,只花十多元钱,就能对电视游戏机进行检测与修理。
一、自制仪器
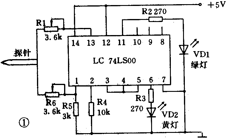
1.逻辑测试笔:图1示出逻辑测试笔电源理图。IC(74LS00)为4—2输入与非门,一组与非门(、、脚)作低电平测量;两组与非门(①~⑥脚)作高电平测量。R1为低电平上限调节电阻,VD1(绿灯)为低电平指示。R6为高电平下限调节电阻,VD2(黄灯)为高电平指示。读者可根据手头元器件情况,设计印制板,用红绿软线作电源线(接5V),组装好进行调整。

用一只电位器(1kΩ)和装好的逻辑笔并联在电视游戏机的5V电源上(通过逻辑笔和电位器的电流约10mA,对游戏机没有影响),再将逻辑笔探针与电位器滑动臂连接。用万用表监测,先将电位器动点旋到0.6V的地方,调R1使VD1此时刚好熄灭;再调电位器使动点电位升高;让VD1熄灭而VD2不亮。继续升高动点电位,黄灯会在某一高电位处发亮,再将动点电位停留在2.2V处,调R6使VD2刚好发亮。到此逻辑笔已调好,可用来进行逻辑测试:绿灯(VD1)亮为低电平(0.7V以下);黄灯(VD2)亮为高电平(2.1V以上);两灯均不亮为高阻抗。
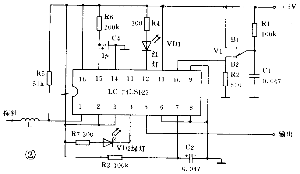
2.脉冲发生器和脉冲测试笔:图2示出它的电原理图。由一块双重可反向触发单稳态集成电路74LS123和双基二极管BT33组成两个独立电路:一个单稳态(⑤~脚)和V1组成脉冲信号发生器;另一个单稳态作脉冲测试笔。⑤~脚所组成的单稳态被联成上升沿触发电路;而①、②、③及脚则被联成下降沿触发的单稳态电路。V1和R1、C1组成弛张振荡器,在基极B2上产生尖脉冲。此类脉冲输入IC的⑩脚,触发单稳态电路使其翻转,脚变为低电平,红灯VD1导通发亮。与此同时,⑤脚输出正脉冲,其持续时间即脚低电平的维持时间,由R3、C2的时间常数来决定。由于脉冲频率高(约数百Hz),所以能看到红灯持续发亮。⑤脚输出脉冲波的宽度,可改变R3的阻值来调整(用示波器监测)。

74LS123另一组被接成下降沿触发的单稳态电路,当被测信号从探针输入到IC的①脚,在被测脉冲下降沿的作用下,单稳态被触发,使④脚输出低电平,绿灯VD2发亮。第④脚低电平的维持时间由R6、C4的常数决定,图中数值可使脉冲宽度扩展到10ms。当被测脉冲的间隔时间大于100ms时,即可看到VD2闪亮,间隔时间小于100ms时,由于IC的可重触发作用,使④脚一直保持低电平,绿灯常亮。因为IC是边沿触发,所以,被测脉冲宽度可以窄到ns数量级,可用来对电视游戏机的时钟信号进行测量。时钟信号是连续的,绿灯也就长亮不熄。不过,如果印刷电路板处理不当,它的频率响应可能达不到26MHz(游戏机的时钟信号为26.6MHz),这时可用一个几μH的色码电感L来补偿。本人制作的脉冲测试笔,未补偿前,频响为24MHz;经过补偿以后,频响达到30MHz以上。
同样根据手头元器件情况自行设计印制板,装好元器件并用红绿软线作电源线(接5V)。接上电源后脉冲发生器的红灯应该发亮,如果不亮,焊接有误或元器件损坏,应重新检查。可用示波器观测R2两端,看V1的B2是否有尖脉冲输出。如此处有尖脉冲,而红灯不亮,则为IC部分有问题。如红灯能持续发光,则焊接正确。可用导线将输出端与探针相连接,这时绿灯也应同时发亮。如红灯亮而绿灯不亮,则为R3、C2与R1、C1没有配合好,可适当减小R3。如能用示波器监测输出波形,调整R3使脉冲波占空系数为50%最好。
二、快速修理几例
任何型号的任天堂系列游戏机,发生无图无声故障时,在排除稳压电源和射频调制器的问题后,就得测试一下时钟脉冲。用脉冲测试笔探针测量CPU的及PPU的,看测试笔上绿灯是否发亮。如绿灯能持续发亮,则时针脉冲正常。请注意!必须将探针置于与CPU及PPU相联电容器的另一端,才能测试准确。
游戏机中地址线、数据线及片选信号的波形是不稳定的,就是用示波器也无法进行定量分析。因为CPU及PPU在正常工作时,随着程序的执行,地址线和数据线的电平在不断变化,其波形不可能稳定。使用脉冲测试笔对它们作定性观察,却非常方便。地址线和数据线相互之间的结点数目甚多,最容易出现铜箔断线的故障。例如CPU的(D0)与PPU的②脚(D0)、存储器6116的⑨脚(DB0)、卡座的(D0),4个结点均由很细的铜箔相连。可将脉冲信号发生器的输出接在其中任一点上,用脉冲测试笔探测其余3点,如每点均能使绿灯持续发亮,则铜箔完好无损;如两点间不能使绿灯持续发亮,两点相连的铜箔一定断裂。
至于逻辑笔的使用和普通逻辑测试笔一样,不过自制逻辑笔的特点是省电。下面用具体实例来说明上面三种仪器的用法。
例一《小天才》HT—767型游戏机,有光栅,无图无声。
分析与检修:有光栅,说明PPU至射频调制器部分工作正常,问题出在CPU,因它不能正常运行,从而调不出图像。用脉冲测试笔探测CPU(UA6527P)的,绿灯亮,说明有时钟信号;探测时,绿灯不亮,说明准备就绪信号RDY不存在。RDY信号是由CPU内部将时钟信号16分频取得的,它与外界电路无关。因此,可断定CPU已损坏,换一块同型号的CPU后,故障排除。
例二《任天堂》(红白机)电视游戏机,图像从上到下缓慢地移动,类似于电视机中场频不稳的故障。
分析与检修:断开游戏机,用电视机直接收看电视节目,场同步良好。因此场频不稳的故障出自游戏机的视频处理及放大传输电路。用脉冲测试笔测量PPU各脚均未发现问题。此机的PPU装有插座,换一块PPU后故障仍旧存在。怀疑图像存储器6116和地址锁存器373有问题,改用逻辑笔测试两者的逻辑运行,也未发现问题。后来将逻辑笔探针点试PPU的脚,发现脚均能使绿灯亮,而、脚却不能使绿灯亮,黄灯也不亮。在图纸上这4个脚是连在一起而后接地。现4个脚的电平不一样,说明有虚焊或断线故障,经仔细检查,发现与脚虽然相连,却与脚之间有断路故障。经焊好后,故障排除。
例三 一台《小天才》501型游戏机,图像部分破碎,伴音正常。
分析与检修:图像破碎伴音正常,说明CPU电路正常,能调出游戏程序,故障在图像形成电路。与故障有关的元件有图像处理器PPU(6538)、图像存储器(6116)、地址锁存器(373)以及游戏卡插座的右半部分。首先掉换一块PPU故障依旧。用脉冲发生器和脉冲测试检查各元件之间是否有断线,结果正常。最后取下PPU,再用逻辑测试笔对照373的真值表作逻辑检查,发现373内部损坏,换一块新的后故障排除。 (王学维)