彩色电视机的多功能化已成为其发展的必然趋势,特别是随着家用录像机、影碟机以及摄像机的逐渐普及,迫切需要彩色电视机除能做为一般的电视接收机使用之外,同时又能做为上述视频设备的监示器使用。具有这种功能的彩色电视机与一般彩色电视接收机相比,需要增加一个视频、音频转换电路,其余电路则基本相同,故不赘述。现以如意SGC-4703型彩电接收/监示两用机为例,介绍一下视频、音频转换电路的工作原理。该机采用TA两片机电路,电路简洁、可靠性高。由于开关电源悬浮(冷底盘),所以除电源部分外,整机不带强电,这样一方面便于安装输入输出插座,另一方面使用安全、维修方便,同时该机的视频、音频转换电路结构简单,且采用一块独立的印刷电路板,故有利于爱好者仿制。
SGC-4703型机的视频、音频转换电路加在整机的图像信号到视频通道,以及伴音信号到音频输出电路之间,原理框图如图1所示。由图可看出,它相当于一个由用户控制的转换开关。将电视/视频转换开关搬到图示的电视(TV)位置时,来自机内的图像信号如伴音信号通过视频、音频转换电路进入机内的视频通道和伴音输出电路,此时,该机做为一般的电视接收机使用。将电视/视频转换开关搬到视频(VIDEO)位置时,机外录像机等视频设备输出的视频、音频信号,则通过转换电路进入机内的视频通道和伴音输出电路,此时,该机做为监示器使用。

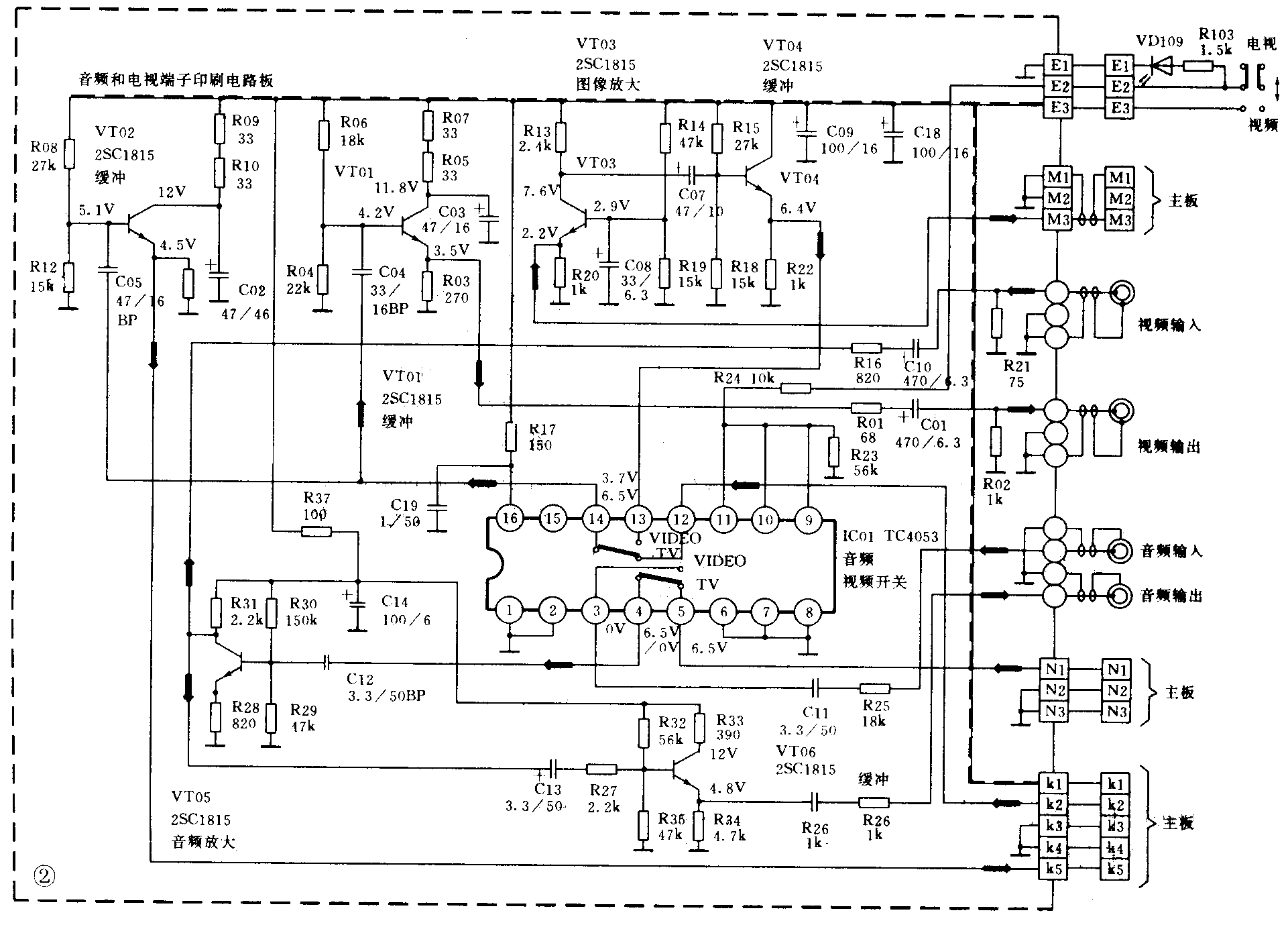
视频、音频转换电路原理图如图2所示。电路通过一块模拟开关集成电路IC01(TC4053BP)来实现转换。IC01内含有两个独立的单刀双掷电子开关,其刀位由⑨、⑩、脚上的电平控制。当⑨、⑩、脚接高电平时,与脚接通,④脚与③脚接通。当⑨、⑩、脚接低电平时,内脚与脚接通,④脚与⑤脚接通。

来自机内的图像信号由主板上的接线端子K2加到转换板上的接线端子K2至IC01脚,来自机内的伴音信号由主板上的接线端子N1加到转换板上的接线端子N1至IC01的⑤脚,而录像机等视频设备输出视频信号通过输入插座经C10、R16加到VT03的发射极,由VT03进行共基式的图像放大后,再经C07耦合到VT04,由VT04缓冲后加到IC01的脚,同时,录像机等视频设备输出的音频信号通过音频输入插座经R25、C11加到IC01的③脚。
电视接收机状态,这时将电视/视频转换开关SW101(位于控制板)扳到电视(TV)位置,于是IC01⑨、⑩、脚接低电平,如上所述,此时与脚接通,这样得到的是机内的图像信号,一路经C05耦合到VT02,经VT02缓冲后加到转换板上的接线端子K5再至主板上的接线端子K5,然后送到机内的视频通道做进一步的信号处理,另一路经C04耦合到VT01、再经VT01缓冲后通过R01、C01加到视频输出插座上,供外部设备使用。与此同时,IC01的④脚与⑤脚接通,④脚得到的机内伴音信号,经C12耦合到VT05进行音频放大后,一路经转换板上的接线端子M3加到主板上的接线端子M3送到机内的音频输出电路,另一路由C13、R27耦合到VT06,通过VT06缓冲后再由C16、R26送到音频输出插座上,供外部设备使用。
监示器状态:这时将电视/视频转换开关SW101搬到视频(VIDEO)位置,于是IC01⑨、⑩、脚接高电平。如上所述,此时与脚接通,④脚与③脚接通,得到的是录像机等视频设备输出的视频信号,而④脚得到的是录像机等视频设备输出的音频信号。和④脚以后的信号传输路径与电视接收机状态时相同。
发光二极管VD109在电视接收机状态时,因得不到电压而熄灭,在监示器状态时,经限流电阻R103得电而点亮,做为监示器状态指示灯。
由以上分析可知,机器工作在电视接收机状态时,录像机等外部视频设备输入的视频、音频信号被IC01切断;而机器工作在监示器状态时,来自机内的图像和伴音信号被IC01切断,这样可有效地抑制机内、机外信号之间的串扰。(苑冰)