SR460内部提供的地址空间实际为20位,其中最高五位地址与最低五位地址是复用SR460的A0~A4五条引脚的,从而SR460的地址空间应为1M地址。由于SR460的数据线为8位(一个字节),由此可知SR460的存储空间应能达到1M字节,也就是可以达到8M位。按每秒16k位的采样频率计算,SR460的录音(或放音)时间为8分钟,若以11k采样频率计算,则可达到12分钟。
图1为SR460在录放音过程的时序图,SR460的最高5位地址首先输出A0~A4引脚上,同时ALE引脚产生一个锁存脉冲,把这高5位地址先锁存到外部地址锁存器之中,然后在同样的A0~A4引脚上再输出最低5位地址。另外的10位地址从A5~A14引脚输出。

图2为SR460用于8分钟可分1至16段的功能框图。

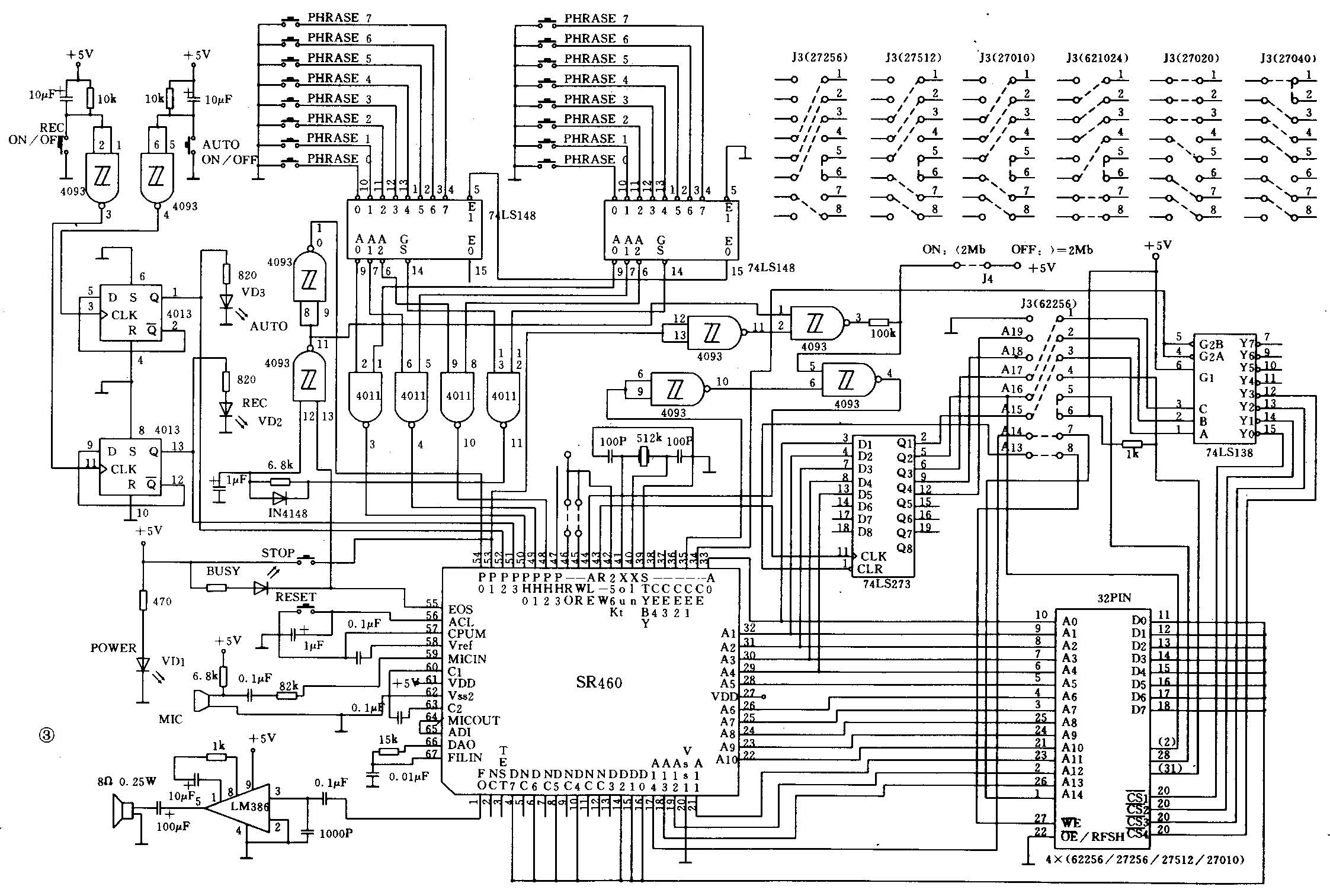
图3为图2的具体线路图。

参照图2与图3以及去年《无线电》杂志的资料,很容易理解图2的工作原理,这里不再作解释。
图3板上共有4个32引脚的存储器插座,根据用户的不同用途,可以配上SRAM62256、681000或EPROM27256、27010、27020、27040。存储器的种类选择由跨接跳线组J3来实现。在图3的电路中只要按住某一键不放,该段的内容就可重复播放。(杨跃华)