该卡插在PC机或286机上可以读写2K到512K不同容量、不同电压的EPROM,用菜单方式选择EPROM的型号和编程电压,用软开关来选通相应的硬件,因而省略了选择EPROM的硬开关,放置EPROM的紧固插座和该卡分离,用排线引到机箱外面,使用起来很方便。

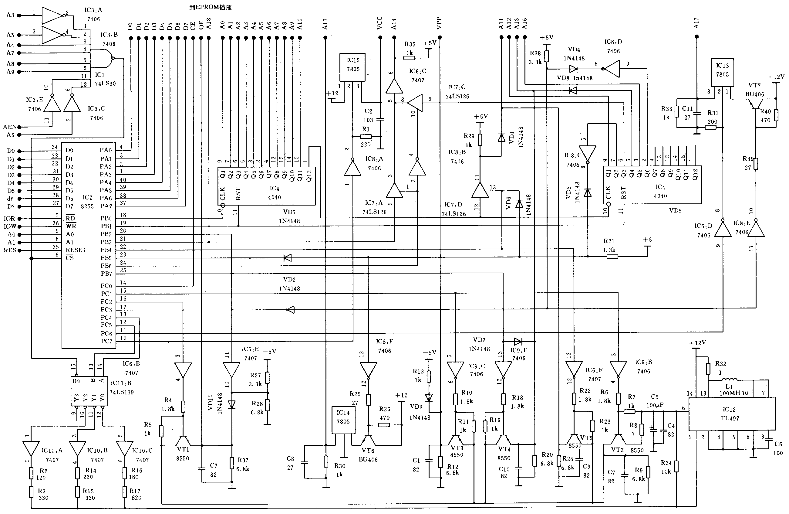
原理:附图中IC1和IC3组成译码电路用来选通8255,使8255工作在390H~393H的口地址上,用软件设置8255工作在方式0,8255的A口在读时为输入,编程时为输出,A口的8根线PA0~PA7作为EPROM的数据线直接连到EPROM插座上。B口和C口在读和编程时都设置为输出。该卡可对2K~512K不同容量的9种EPROM进行读和编程操作。表1中列出了9种EPROM,2716和2732是24脚,2764~27512是28脚,27010~27040是32脚。为了能做到对2716至27040这9种不同型号的EPROM进行读写操作,并能智能选择,就必须考察其相同功能的引脚和不同功能的引脚。若把2716至27040不同型号的EPROM芯片引脚从底部对齐,各个型号的8根数据线引脚是一致的,部分地址线是一致的,若以32条脚的EPROM为准,各种型号的EPROM相同引脚不同信号参见表1。

8255的B口和C口设置为输出口,用来产生控制信号以适应不同型号的EPROM。8255的PB1作为4040清除信号,当PB1为高电位时,把4040清零。当PB1为低电位时,4040进行正常计数工作。由程序设置PB0由低到高再到低产生一个脉冲,供给4040产生EPROM的A0~A17地址信号。
EPROM插座上同一个脚,不同容量的EPROM则对应不同的信号。该信号的转换,是通过改变8255的B口和C口某一根线的电位,控制三极管的开和关状态来实现的。从表1中可以看到同一个引脚对应不同信号大致可以分成三种。一种是VPP与某地址线的转换;一种是PGM与某地址线的转换;再一种是VCC与某地址线的转换。
EPROM插座的第3脚是VPP和A15信号转换,由PB7和IC5第5脚(即A15)共同控制VT4的输出。PB7为高电位时,三极管VT4导通,集电极输出VPP信号,该VPP信号是供编程用的。若三极管VT4发射极没有编程电压,该三极管不工作,由二极管VD7输出PB7的高电位,作为读时的VPP电压,而当PB7为低电位时,IC5第5脚通过VD8输出A15地址信号,控制8255的PB7,即可达到VPP和A15的信号转换,EPROM插座的第25脚由PB4和IC4的1脚共同控制VT5的输出,达到VPP和A11信号的转换。第22脚是由PB2和PC2共同控制VT1的输出转换VPP和OE信号。
EPROM插座第29脚PGM和A14信号是由PB3,PB6和IC5第6脚控制。PB6为高电位时,IC7:A导通,PB3电位作为PGM信号输入EPROM插座第29脚。当PB6为低电位时,IC7:C导通,A14地址信号通过三态门74LS 126输入到EPROM插座第29脚。PB3又作为PGM信号直接输出,同时又作27040的A18地址信号。
EPROM插座第28脚对2716和2732是VCC,对其余型号EPROM是A13。VCC和A13转换靠PB5和IC5第7脚来完成,PB5为1时,VT6基极电位随IC5第7脚电位变化而变化。因此7805输入到第28脚是地址线A13信号,当PB5为0时,VT6基极为高位。7805输出作为2716和2732的VCC电源。同样PC3和IC5第2脚控制VT7使得7805输出为VCC或A17到EPROM插座第30脚。由于VCC是EPROM工作电源,因此需保证100mA电流,三极管要选择功率大的,以保证7805提供EPROM工作电源。B口和C口输出电位高低控制EPROM插座信号的转换见表2。

不同型号EPROM编程电压不同,常见的有三种,即25伏、21伏和12.5伏。该编程电压的转换由PC4和PC5共同控制,当PC4和PC5电位共同组合为00、01、10时,74LS139相应的输出端Y0,Y1,Y2选中者为低电位,通过7407缓冲,使TL497第1脚通过选中的一组电阻接地,选择PC4和PC5电位,改变TL497第1脚接地电阻的阻值,就可改变TL497第6脚输出的编程电压大小。该编程电压接到VT2的发射极,由PC1控制VT2,当PC1为高电位时,VT2导通,从VT2集电极输出编程电压,PC1作为软开关控制编程电压和PC4、PC5共同智能选择和开关编程电压。
2764~27040编程时,手册中要求EPROM的VCC为6伏,读时要求EPROM的VCC为5伏,VCC电压的变换是采用在7805的第2脚接一个200Ω电阻,用PC6或PC7控制7805第2脚接地还是接电阻,达到电压变换。当PC6为高电位时,通过7406反相,使得7805第2脚接地,因而7805正常输出5伏,而当PC6为低电位时,通过7406反相,使得7805第2脚通过200Ω电阻接地,7805输出6伏,供给2764~27512编程时的VCC,同样PC7控制IC15产生的VCC供给27010~27040,由于2716和2732读和编程时要求VCC都为5伏,故IC14第2脚直接接地,7805输出5伏。
1M位EPROM芯片27C1000A管脚A16和OE正好相反,为了能够对该芯片进行读写操作,可以在EPROM插座旁用硬开关进行转换,4M位芯片因其容量是512K,某些计算机内存容量达不到,因此采用分两次读写的方法,由8255的PB3电位高低来选择高2M位和低2M位,虽然使用起来复杂一些,但软硬件都比较容易解决。(钱忠慈)