M7摄像机的摄像电路(寻像器除外)发生故障后,大都会在寻像器和监视用电视机上出现相同或相似的故障现象,如无图像(寻像器有光栅)、图像模糊、无层次感、同步不良及图像太暗或太亮等;遇到这种情况,通常就应首先检查摄像电路。
摄像电路原理简介
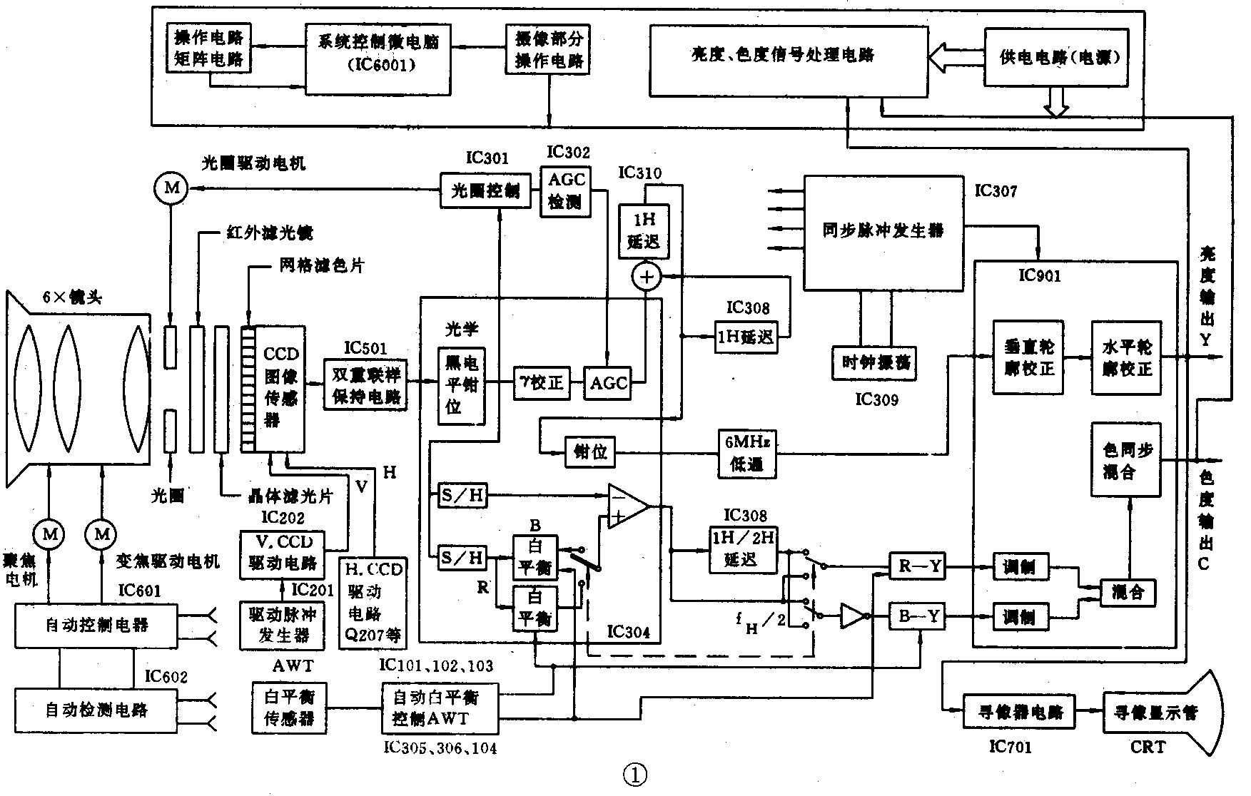
M7摄像机的摄像电路框图如图1所示。它主要是由CCD图像传感器、CCD驱动、CCD输出信号CDS(相关双重取样)处理、视频信号处理(含亮度、色度信号分离及处理等)、自动白平衡控制、自动聚焦控制和自动光圈(光阑)控制等电路组成的。下面简介各部分原理。

1.CCD驱动和信号预放
M7摄像机采用行间转移型1/2英寸CCD(电荷耦合器件)图像传感器,型号为MN3745F。摄像时,摄入的景物经6倍变焦镜头聚焦成清晰的光像投射到CCD的感光面,使CCD感光区上的每个像素单元产生相应的电荷。CCD在垂直转移驱动脉冲和水平转移驱动脉冲的分别作用下,其感光区众多像素单元(实际是光电二极管)所产生的电荷首先在场消隐期的6H时间内被转移到垂直移位寄存器,然后转移给水平移位寄存器,最后由水平移位寄存器在行扫描正程期间将电荷信号逐个向外输出,从而形成一行行、一场场图像信号。
由此可见,CCD采用电荷转移方式扫描获得图像信号,这种扫描称为自扫描,其垂直移位寄存器传输、转移电荷的过程相当于场偏转,水平移位寄存器传输电荷的过程相当于行偏转。为了实现自扫描,M7机中由IC201(MN53015XBM)组成了CCD驱动脉冲发生器。IC201①、内外电路构成压控晶体振荡器,频率为19.069928MHz,它为脉冲发生器提供时钟信号。来自视频系统的行推动脉冲HD和场推动脉冲VD分别加在IC201、,作为IC201的同步基准。IC201、、分别输出4相垂直移位驱动脉冲V1~V4,由垂直驱动脉冲放大器IC202(μPD6147G)放大后,施加于CCD~。IC201输出4根水平移位驱动脉冲H1~H4,分别由Q209、Q210和Q207、Q208放大后送入CCD⑦~⑩脚。
CCD①脚为复位端。IC201输出复位脉冲,由Q205、Q206放大后加至CCD①脚。CCD及其驱动电路有+5V、+9V、+16V和-8V4种电源电压,其中CCD用2种,16V加至CCD②、③、、,-8V偏压加至脚。
CCD④脚输出图像信号,由Q204射随器缓冲放大后经C229送往CDS处理电路。
M7机CCD的像素单元总数为582(V)×512(H)=297,984个,因而所摄图像的清晰度(解析度)较高。由于是单片CCD,故CCD感光面上有网格状滤色片,使每一感光单元上都覆有一个滤色单元,以提取和分离彩色信号。为了消除当景物细节与网格节距相近时所形成的条纹干扰现象及滤除不需要的红外光干扰,在CCD前还设有晶体滤光器和红外光滤色片。
2.CDS(相关双重取样保持)电路
CDS电路由IC501(AN2010S)组成。由CCD送出的图像信号经Q204缓冲后加至IC501②脚,进行CDS处理。其要点是,采用信号相关双重取样原理,先通过取样脉冲DP1和DP2(来自IC20)分别对图像信号和杂波信号作取样保持,然后由减法电路将两路取样信号相减,使两信号中相关的杂波信号被抵消,达到滤除杂波干扰,取出稳定净化的图像脉冲信号之目的,最后再转换为模拟图像信号从IC501脚输出。IC501脚外接电位器VR202用来调整电路增益,调VR202对IC501输出信号幅度有影响。
3.图像信号处理电路
该部分电路主要由IC304、IC308、IC310、IC901等组成。IC501脚信号经Q211缓冲放大后,通过插件B201②等送到IC304(AN2153S)脚。在IC304中,信号经光学黑电平钳位,获得基准黑电平;再通过γ(伽玛)校正电路,校正亮度等级非线性;然后由AGC电路稳定亮度信号幅度。AGC电路输出的亮度信号由轮廓校正电路处理,使图像轮廓增强,提高了清晰度,最后从IC901(AN2253FA)输出,经淡化电路处理并混入复合同步脉冲的亮度信号。轮廓校正电路包括水平和垂直校正两部分,前者IC901中的水平轮廓校正电路和FL310(0.2μs延迟滤波器)等组成,后者由两个1H延迟线(IC308部分和IC310)和加减电路组成。
IC304脚送入的图像信号由IC304内的色差信号处理电路和1H/2H延迟电路IC308(VCR0200)处理后,获得B-Y和R-Y色差信号,然后分别送至IC901,进行PAL编码处理。IC901内的编码过程主要是钳位、正交调制、增益控制、低亮度限幅、淡化(与亮度信号淡化同步受控)及色同步信号混合等。最后形成的PAL色度信号从IC901送出,经Q901缓冲放大后输往录像都分.PAL编码器所需的同步信号和色副载波信号分别由IC307(μPD9313BG)和IC309(MC8181A)提供。
4.自动控制电路
(1)自动白平衡控制 为了使不同色温光源下的景物之色彩正确再现,摄像机必须进行白平衡调整。为了使用方便,M7机中由IC101、IC102、IC103、IC305、IC308、IC104和IC304等组成了自动白平衡控制电路,主要包括AWT(自动白平衡)传感器、传感信号检测、对数放大、电压比较、开关放大及输出放大等电路。M7机上有白平衡选择开关,当置自动位置时,自动白平衡电路工作,其输出电压对色度电路进行控制,自动实现白平衡。但若光源照度较低,电路将自动转换到INDOOR(室内)白平衡状态。
(2)自动聚焦控制 主要由微处理器IC601(MN15865VYV)和检测控制接口集成块IC602(AN2583S)等组成。CCD图像传感器是安装在一块受12.5Hz信号驱动的压电陶瓷片上的。CCD输出图像信号电平与聚焦状况(即图像清晰程度)成正比,将此信号取出一部分送至IC602检测,再加至IC601中作AGC放大、数据处理、D/A变换、取样保持、鉴相后得到相应的输出电压(IC601),驱动聚焦电机,实现自动聚焦控制。
(3)自动光圈控制 该电路根据景物亮暗自动调整摄像机光圈大小,使所摄图像不致过暗及太白。从IC304②脚取出已被黑电平钳位、消隐电平预置及ALC的视频信号电平,经Q301后加到光圈控制集成块IC301,IC301输出电压经Q330送至光圈电机,驱动电机动作。CCD受光强时视频信号电平高,电机便关小光圈,使光通量减小;反之则开大光圈,使光通量增大,从而实现光圈自控。
摄像电路检修要领和技巧
1.检修前准备工作
摄像电路均集中在摄像头中,元器件多且排列十分紧凑,在初步确认故障在摄像电路后,就应小心拆下摄像头,按图2所示架设,并用14芯延伸电缆将其与机身(VTR部分)连接好,这样才能较方便地进行检修。特别是CCD及其驱动电路板(装在屏蔽罩内)等部分,不拆下摄像头是无法检修的。如果没有专用摄像头支架,可用绝缘板等物将摄像头放置平稳,并需临时固定位置,切忌发生短路现象。若检修需拆下摄像电路印制板,还应在主处理板与变焦电机间接一根2芯延伸电缆。

2.切不可乱调可调元件
摄像主处理板上有20多个调整电位器,与白平衡、消隐、亮度等性能有关,不少都有牵连,一旦调乱极难在无专门仪器条件下复原,即使有仪器也很花工夫。所以除非已有明显迹象表明可调元件已被调乱或更换损坏零件之后确有调整必要,一般不能首先就想到去调整这些元件。有些爱好者及维修人员在检修彩电、收录机及录像机等时往往喜欢去调可调元件,在这类机子中大都影响不大或容易复原,在M7机中就不是那么回事了,甚至有可能将机子调得很乱而无法收拾,因此读者务必注意这点,对确需调整的元件应首先做好标记,以便可及时复原。
3.拆摄像头
在拆下摄像头之前及之后,应首先检查一下连接于接插件FP301和P3003之间的扁平14芯柔性电缆,看是否有接触不良或折断等故障。因为这条电缆较长,而FP301与P3003之间距离较短,电缆往往呈弯曲或折叠状,易产生故障。实践表明有些无图像、无彩色或图像时有时无等故障就是这条电缆引起的,先查一下不需费多长时间,有时却能收到迅速修复之效。拆卸该电缆时,要先用手同时拉出插座卡件两端,再小心拔出电缆;重装时先将电缆对准插座插入到底,然后将两端锁扣按下,电缆便被锁紧在插座里了。拆装电缆时切忌弯折其接头部分,否则容易折断内芯,引起故障。
4.常见故障判断及重点检查部位
(1)摄像无图(寻像器有光且放像正常)或图像不良。问题通常出在CCD及其驱动板(含CDS板)或摄像主处理板上。对此,可用示波器查TP1(TP301)信号波形。若有正常350mV\(_{PP}\)波形(摄像镜头摄彩条测试卡时,波形图参见本刊1992年合订本),说明故障在主处理板;若无波形或幅度等明显偏差,故障在CCD驱动板或CCD,如果检查Q211各脚电压正常(见图3,注意原版图纸标值有错,图3已改),可深入检查CCD及其驱动电路。具体判断故障部位或元器件可按信号流程进行。倘若无示波器,可用测量集成块工作电压、在路电阻及人体干扰等检查法予以查找,一般大都也能较快找到故障点。各集成块实测正常数据请参考本刊1992年合订本(下同)。

(2)摄像无彩色或彩色不良 在查本故障前请先连接彩电用摄像机摄像,确认故障是在摄像电路后再检修摄像部分。无彩色通常检查范围在IC304与IC901间,实测IC901色差信号是检查的着手点。若信号无或明显失常,故障在IC304及其外围电路;信号正常则故障在IC901及其相应的电路。一般以后者可能性为大。彩色不良原因可能在从CCD至IC901输出端的与彩色有关的各个电路中,可按信号流程测量各点波形及有关电压电阻。但实践中发现彩色偏色很多是白平衡电路没调好或出故障所致,请注意与色度处理电路的色淡、缺色多彩色不良故障相区别。
(3)摄像不同步 图像紊乱或抖动,通常说明同步信号发生器或副载波锁相电路有故障,可重点查IC307与IC309及其外围电路。
(4)自动聚焦不良 摄像镜头不会随外界景物变动而转动,说明自动聚焦失灵。故障范围在IC601、IC602及其相应电路中,但重点在IC601输出驱动电压端和聚焦电机间的电路中。
(5)自动光圈失灵 表现为摄像画面亮度不太稳定,尤其是在景物较亮或较暗时难以摄得较好画面效果。对此重点应检查IC301、IC302、光圈电机及Q301、Q330、IC105等。
5.CCD拆装注意点
有些无图像及图像不良故障是CCD引起的,检修时需拆装CCD。CCD价格昂贵且较精细,故拆装时务必小心,以免造成不必要损失。拆卸时,应依次拆下摄像头、支撑角架、AWT支撑架、主处理板、CCD驱动板,然后要拧下5个螺钉,拆下两块档板,可看到CCD印板,再拧下2个螺钉才能连同印板一起拆下CCD,如图4所示。安装时可逆上述顺序进行。在拆装过程中,切忌摔跌、敲击或污染CCD;焊接时电烙线外壳应可靠接地,焊接时间和温度要求与焊接一般集成电路相同。(全文完)(王德沅)
