LM1894是美国国家半导体公司根据噪声随带宽成正比及掩蔽效应原理研制的动态降噪集成电路。该电路有降噪量大、电源电压适应性强、可输入信号电平幅度大、外围电路简单等优点,因而被广泛应用于高级音响设备之中。
关于LM1894动态降噪器的工作原理,国内外一些专业杂志均有介绍,这里就不赘述,主要介绍一下充分发挥LM1894的优点,增大降噪量,克服LM1894弊病,进一步提高降噪效果以及降噪器的制作方法。
见图2。虚线内为LM1894的内部电路设置。其中由A1、A2等组成主信号通道;由A3、A4、A5、VD1、V/I构成控制通道,而且是左右声道共用这一个控制通道。这样势必给高保真地还原原始声场,并保持左、右两声道有同样量值降噪电平带来实际问题。
当今音响设备的声源主要包括有声磁带、LP唱片、CD唱片三大类,声源中所反映的内容也可概括为轻音乐、流行乐曲、交响(古典)乐三大类。不论是哪一类的曲目,演奏乐队和乐手在整个声场的位置都是有一定规范的。在传统的双声道立体声源的制作过程中,经常出现乐曲的某一小节高音域在左、右声道的分布不均等,经过录音师的艺术加工,才会给听音者以临场感强、声像定位准确的感受。但对于LM1894来说,问题也就出在这左、右声道高音域的不均等。更进一步说:由于LM1894左、右主通道同受一个副通道控制,因此,当左、右声道中的某一声道有较强的高音频信号输入时,它就会同时“触发”展宽两个声道。这样有高音频信号输入的通道畅通无阻,没有高音频信号的另一通道的“噪声流”也顺利通过,LM1894的严重“失职”。
那么怎样“以其长补其短”呢?我们可以根据②LM1894对信号输入电平要求不严格的特点,考虑用两块LM1894串联使用,以提高降噪量。为避免左、右声道同受一个副通道控制,最好的办法,则是用两块LM1894,将其每块中的左、右声道串联作为一个通道。这样,既提高了动态降噪量,又较好地解决了左、右声道之间高音频变化不等而造成的相互影响,使LM1894的降噪效果再上一个台阶。
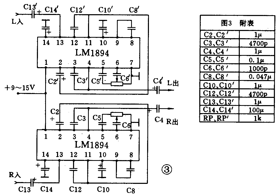
此电路可以方便地与LP唱机、早期品质较差的CD唱机及中、低档收录机连接,但应注意最好将其装置在音调均衡器和音量控制器的前面。如将本刊1991年12期刊登的《扩展中低档收录机的放音频响》一文的电路加入此电路(将图中C139、C140焊开串入此电路),定会使其信噪比指标大幅度提高。由于该电路使用12伏电压时有近1dB的增益,故接入电路后可以直接接图示均衡器或功率放大器,节省了装置工本。
组装前应对外围所需元件的阻、容值测试确认,一般都能一次焊装成功,关键是在接入电路后的调整(反复调整RP),虽不复杂,但要仔细反复多次进行比较,直至满意为止(降噪明显且高频损失最小的最佳点)。
图5是LM1894在不同带宽时的降噪量对比曲线,实线为单只使用时的降噪量,虚线为两只串联使用时的降噪量。制作者也可以自己粗略核算一下降噪量。具体方法是:用一盘空白磁带放音并把音量开足,然后将动态降噪器中两只LM1894的其中一只(任意)的第9脚对地短路,分别测出左、右声道扬声器两端的噪声电压并记录下来,把测得的两个不同的电压值相除,将其商数换算成分贝值,就是降噪量(18dB)。

调试好后可以试听了。在试听由宝丽金国际有限公司出版的《橄榄树》(822263-4)、由中国唱片总公司广州公司出版的《跨越巅峰》(SL-437)、由中国音乐家音像出版社出版的陈淑桦的《梦醒时分》(Z35H059)及其它音乐盒带时总的感受是:当动态降噪器介入时,降噪效果极其明显。曲中高音不毛、不燥,高频损失几乎没有,但噪声确小得很难察觉。(邸丰元)



