TDA 1602A是模拟磁带放音系统中一块具有里程碑意义的电路。高度集成化,保证了磁带系统中的各项指标均可轻易地实现,且具极好的一致性。以往在磁带放音设备的设计、制造中困扰了多年的诸多难题,例如交流声、信噪比、录放频响、偏磁失真等,现在都迎刃而解了。本文介绍的正是TDA 1602A在高级录音卡座中的极典型的应用。同时也指出,还可充分发掘该IC的内在潜力,即有“烧”可发。
具代表性的电路如下图。采用先进的有源伺服电源供电(ASPS),改善高端频响。该电路包括了双卡座的所有的基本功能,采用可靠的电子开关来实现控制的简单化。有如下的功能:标准放音电平(775mV)输出;卡拉OK录音(混音、后配音);铁/铬带自动录音补偿及自动偏磁调整;铁/铬带放音均衡选择;同步高速转录及补偿,自动静噪电路。补偿网络经过精确计算,有利于音质的提高。

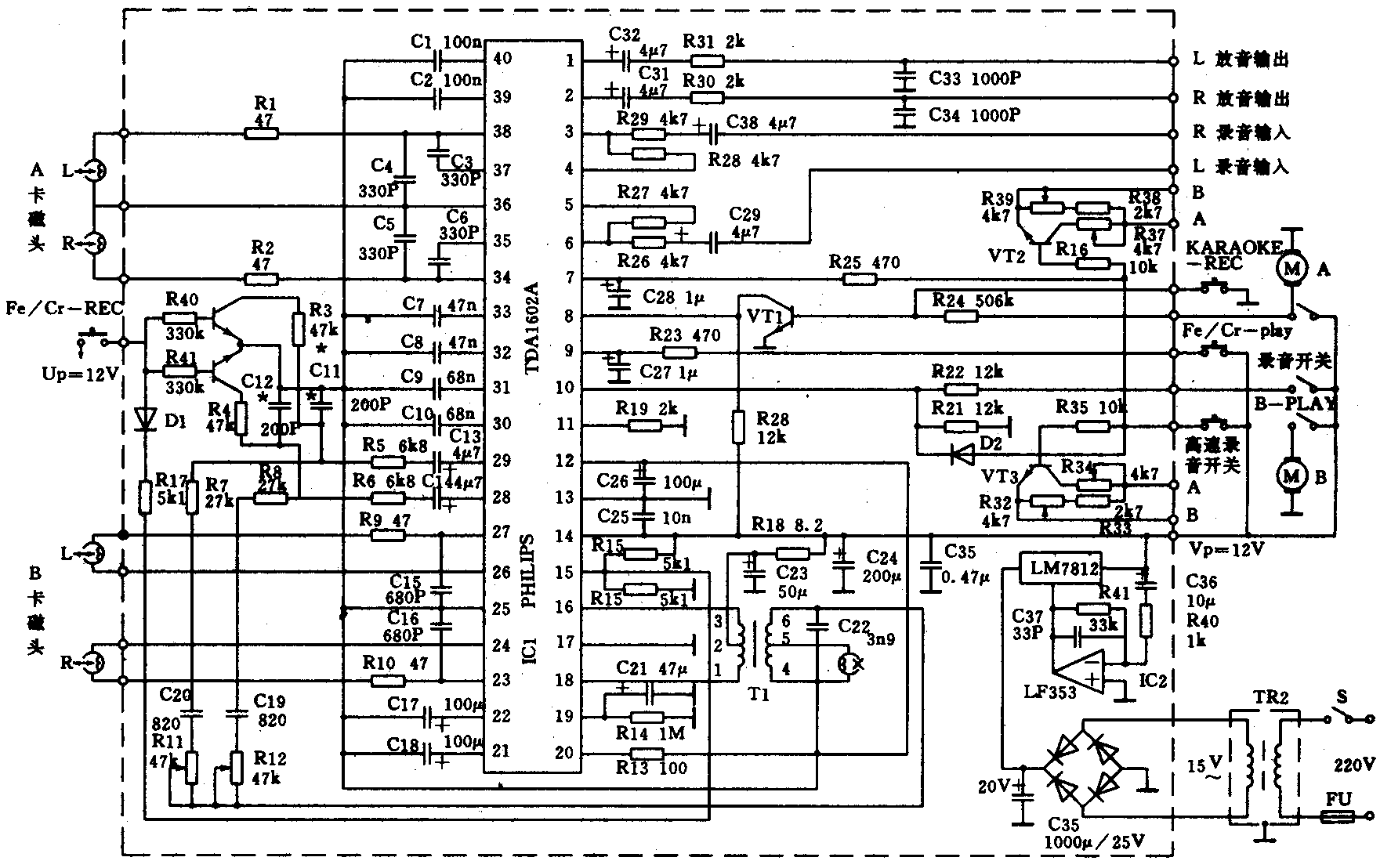
内部功能详述:
(1)TDA 1602A的①②端输出电平为150mV,可以直接配合杜比(dolby)降噪电路。经线路放大后,输出775mV 0dB的线路电平,驱动功放(线路放大部分图中未画出,印板有)。C31、C32可选用钽电解、无极性电容(绦沦、聚丙烯)。
(2)③④⑤⑥端内部为外线路信号输入放大器,即外录音信号输入放大器。R27、R28为反馈电阻,可调整放大器的增益,来适应CD、FM广播等不同的信号源,以取得最佳的录音磁带和低失真。⑦端外接的R25和C28微分电路构成一自动抑噪电路。从图中看到,无论A卡或B卡放音及双卡高速同步录音均使该电路起作用,抑制冲击声。这对大功率的音响设备尤其必不可少。此功能还可以实现遥控静音。
(3)⑧端为A/B卡选择,同时实现卡拉OK录音功能。当VT1的基极被卡拉OK录音开关置地时,VT1截止,⑧端高电平。此时,B卡可以将线路输入的信号和A卡输出的信号混合录音。A卡可以放卡拉OK磁带或音乐带,从线路输入端输入话筒信号,则可以实现二重唱录音,或者是配乐朗读节目制作。同时,该功能和专用的双磁迹(四迹)消音磁头(X24C2)配合,即可对左、右声道进行独立的录/配音,可以体会到录音棚的节目制作过程及获得高质量的节目带。A卡放音时,⑧端为低电平。
(4)⑨端铁/铬带放音均衡选择,和8外接的放音EQ低端频率调节电容配合完成,时间常数为120μs和70μs。
(5)⑩端为放音/录音/快录选择。放音时,⑩端处于悬空状态;录音时,⑩端为1/2V\(_{P}\)电平;快录时,为VP高电平,通过VD2提供。VT2、VT3及其外围电阻网络,构成双速电机的调速系统。VT2、VT3的基极电平由同步录音开关控制。A、B端为双速电机的调速端口。
(6)端为内部公共参考电压端,数值为1/2V\(_{P}\),C26为纹波抑制电容。
(7)端为录音偏磁幅度控制端。铁带录音时,端为1/2V\(_{P}\),偏磁电流幅度较小。使用铬带时,由铁/铬录音选择开关控制,经VD1向端馈送数值为VP 的高电平,偏磁幅度上升,适应铬带的高矫顽磁特性。
(8)为ALC恢复时间调节,为ALC上升时间调节。磁带上涂覆的磁性层具有磁性物质的磁化磁滞回线特性。该电路将上升与恢复时间独立调节,正是依据磁滞回线,充分地利用磁带的磁性层,实现最低失真及良好频响的记录。由于磁滞回线特性,突发性的大动态信号并不会使记录失真,适当地延长电平压缩起控点,即上升时间。当高电平信号持续时间(频率较低时)大于上升时间,ALC起控,增益降低,避免了记录的失真。同理,适当延长恢复时间常数,可以使小信号时的电路增益并不立即回升。这样就尽可能地吻合了磁滞曲线。从而扩展了记录的动态范围,提高了记录信噪比,又避免了持续高电平时的失真。也避免了以往ALC电路明显的“喘息”现象和声场压缩。更利于体现细节。
(9)在高档音响设备中,放音磁头和录音磁头是有区别的。该电路正是循此思路设计的。C4、C5分别为放音卡的磁头谐振电容,选用330pF是统筹考虑了内部电子开关的导通电阻和R1、R2平衡电阻而确定的,保证了高保真放音。而C15、C16则为680pF的电容,这是考虑了录/放磁头和放音磁头由于磁头缝隙工艺的不同而确定的,保证了最佳的录/放频响及低频特性。C3、C6为快录时相应的放音高频补偿电容,由内部的电子开关根据快录状态自动接通。
(10)VT4、VT5及R3、R4、C11、C12共同构成了Fe/Cr带录音补偿网络。VT4、VT5为电子开关。R3、R4、C11、C12还应根据所选用的磁头进行调整。以P/R4300磁头为准,经过全面性能测试,R3、R4的阻值为47k,C11、C12为200p,应采用金属膜电阻及聚丙烯电容。以保证准确的补偿。
(11)内部为超音频振荡器。由TR1对偏磁电压进行升压。以日本ALPS公司高级铁/铬带专用交流消音头E2183为准(消音效果>65dB),①~③端电感量为172μH,④~⑥端为673μH。适当地调整磁芯,可以改变偏磁电压的幅度及频率。用不同磁带时,对录音效果进行更细致的微调。如与广播信号发生差拍干扰,可微调C22消除之。(张国鹏)