ZH100P全IC化制转器(见下图)是采用国外最新彩色制式转换器专用IC精心设计的高性能制转单元组件,具有体积小(115×70mm),低功耗(<50mA),电源适应力强(交、直流输入5~12V)和高可靠免调试,绝无脉冲源移失色,转换彩色逼真等特点。设有标准RCA视频、单频的输入和输出插座、转换开关以及用于其它需要制式转换设备中所需的输出接口。因此ZH100P制转器最适合各种卫星电视接收机内装制转器之用。如果配置一个交流输出为8~12V的小变压器即可成为一台独立的NTSC-PAL彩色制式转换器,同时该组件还可作为数字式制转器中彩色副载波转换的单元电路。

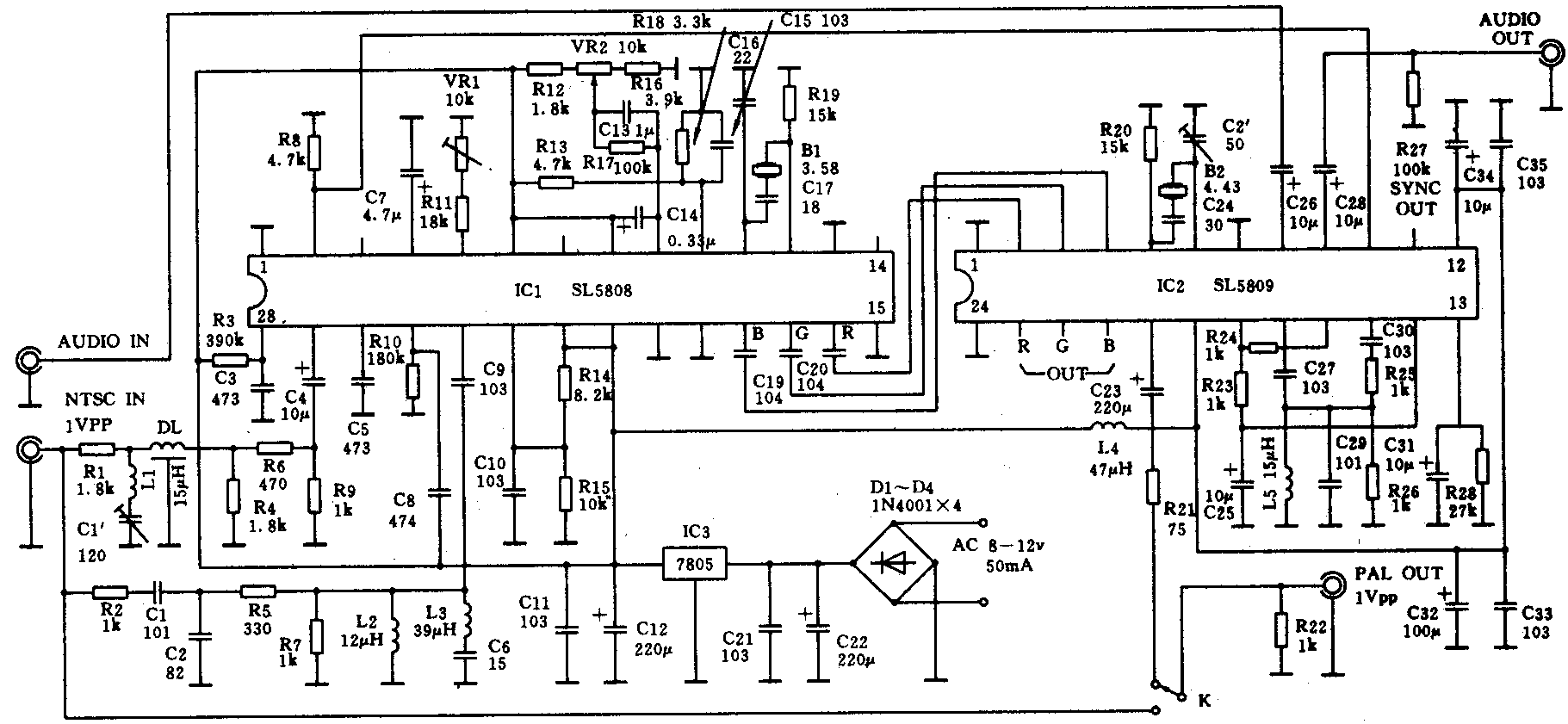
电路中IC1为双列直插28脚NTSC、PAL两用彩色解码器(用于PAL解码时须接入梳状滤波器)。IC2是彩色编码器,可用作NTSC或PAL两种制式的编码。编码SL5809为双列24引脚扁平封装SMT型IC。两片IC的典型工作电压均为5V,加上电源整流及稳压IC后的总电流不足50mA。彩色解码器SL5808的27脚是亮度Y信号输入端,Y路中由L1、VC1和DL等组成的3.58MHz的色度陷波和亮度延迟网络;另一路由C1、C2、C6和L2、L3等组成高频带阻网络以阻止信号的白电平分量,信号经此进入24脚,在IC1内部分离出同步脉冲由2脚输出供IC2编码器用。NTSC视频信号由IC1解调后经16、17、18脚分别输出R、G、B三基色信号;IC1的5脚是色度调整端,9脚为色调调整端,微调电路中VR1和VR2可决定输出的三基色信号色度及色相位分量,从而选择转换还原彩色的色饱合度和色调。
PAL编码器SL5809的2、3、4脚为三基色输入端,R、G、B基色信号输入后一路为内部处理成为R-Y和B-Y两色差;由IC1第2脚来的同步脉冲进入IC2第10脚,在内部脉冲产生器中形成行脉冲和±K脉冲作用于编码PAL开关,对R-Y逐行倒相和箝制彩色同步,三基色与同步脉冲除供编码外,它们还经各自的放大器后另由21、22、23和11脚输出以供机外另路编码用。IC2的5、6端是副载波振荡电路,它将PAL编码处理的色度信号C调制在4.43MHz上并经15脚输出,同时被从基色信号中分离出的亮度信号Y由14脚输出,两信号分别进入17和18脚在IC2内部混合经20脚输出已被转换为PAL制的彩色视频信号。为使色度信号纯净,在15和17脚通路间设有L5、C29等组成的4.43MHz窄带滤波网络,以提高图像质量。
由于ZH100P彩色制式转换器具有高质量的彩色转换效果。另外,SL5809还设有音频放大通路,信号由16脚入15脚出,因在彩色制式转换中音频信号无须转换,通常均采取音频直通方式,是否用音频放大可根据设计需要自定(本电路用了音频放大)。ZH100P的电源功耗极低,在实际卫星电视接收机中安装时,电源可取自机内的+12V或取自极化输出接线卡上的+5V,利用原设备的富裕容量而不必另设变压器。(赵英志)