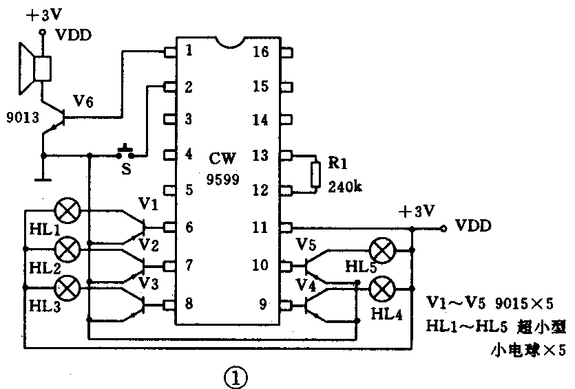
图1为玩具枪电原理图,它主要采用一块大规模CMOS集成电路CW9599(或HC898),其中晶体三极管V6作放大信号用,V1~V5为驱动小电珠发光用,R1为外接振荡电阻。接通3V电源,当按下开关S时扬声器SP中即发出来福枪声,断开S即停止发声。再次按下S时,扬声器中即变为发出另一种模拟声,例如:机枪声。第三次按下S时,又能变换一种声响,如炸弹声,以此类推。它的特点是只用一个开关,就能发出8种模拟声。即每按下一次S时,就能依次变更一种声音,按第9次时,再从头开始作循环。它的另一个特点是:五个超小型小电珠能够按照模拟声的变化而同步发光。

图2是一种简易封装(软封装)的印制电路板和实际接线图,它的引脚和外围电路跟图1完全相同,功能也相同。由于软封装电路成本低,目前实际应用中几乎都采用图2的软封装印制电路板。

图3是这种玩具枪的安装位置图,它由枪壳体底座(包括电池盒)、电池盖板、枪壳体盖、灯光红色透明罩、扳机等组成。装配时先按图2把电路部分装响并能发光,然后安装扬声器和印刷电路板,再把五只小电珠安装在图3所示的位置上,装上扳机(靠一段小弹簧固定),装上2节5号电池,先试一下,待完全正常后,再把枪壳体上盖装好,拧上5只自改螺丝,最后装上电池盖和灯光红色透明罩。(汤涎元)
