本文介绍的四通道红外遥控器,是为高档遥控玩具设计的,它可以遥控4个功能,通常是前进、倒退、转向及停车等动作。当然,这种装置同样可使用在家用电器,如电灯、门锁、窗帘、门铃等远距遥控。
这种遥控器具有以下优点:采用红外专用编码器进行发送,接收端解码控制、抗干扰能力强。遥控距离超过10米,接收端可接入多只不同方向接收管,作无方向性遥控。下面介绍发射与接收单元电路。
遥控发射板
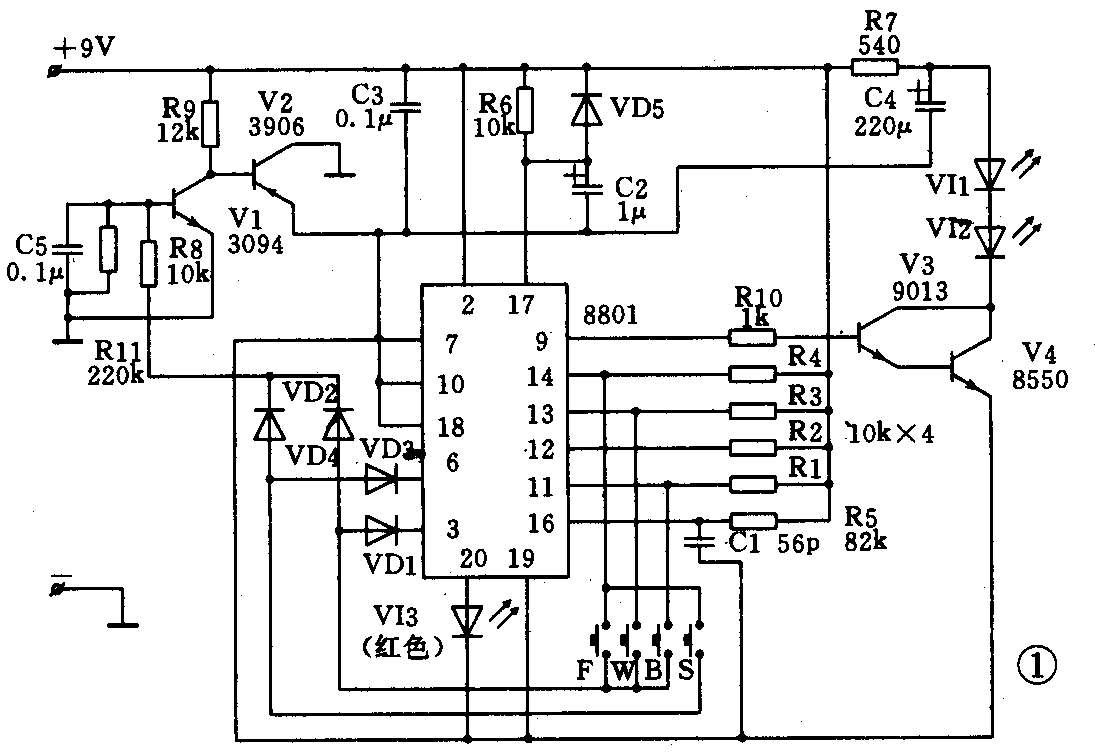
图1中,8801为专用红外编码器,当按下任一按钮时,9脚相应地输出一脉冲串,经V3,V4驱动,使电脉冲由红外发光二极管变成光脉冲串输出。辐射出去。
本电路有一个特点。在未按下按钮时,不耗电,故不设电源开关。其工作原理是,当按下四个钮中的任一个,9V电源经R1、R3、R4中的一个,再经VD2或VD4后,流过R8及R11。当R11上的电压大于0.7V时,V1,V2相继导通,使8801供电。另外,在按下任一扭时,仅输出一个脉冲串,此时LED(红色)闪亮一次,表示信号已发出,不会产生信号多次发出而造成误动作。
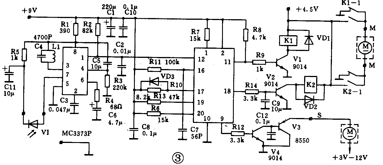
接收器电路

接收器的电路如图3所示,其印刷电路板见图4。接收器主要由红外前置放大集成电路MC3373及译码器8802组成。采用MC3373不仅灵敏度高,一致性好,并且调试简便。红外信号由光电二极管从7脚输入,放大后的信号由1脚输出,送入译码器8802的12脚。当接收到发送器按下“F”的信号时,8802的11脚由0.25V左右的电压上升为2.5V左右,使V1导通,继电器K1吸合,电机通电正转。当接收到发送器按下“B”的信号时,11脚变成0.25V,而18脚由0V变成5V左右;则K1释放而K2吸合,电机反转。当按下W键时,其9脚由0V变成4.4V左右,V4、V5导通(V5可驱动100mA以下的直流电机)若再按一次W钮时,9脚又回复到0V。而当接到发送器按下S的信号,8802复位,即11、8、9脚转为0V。

供给电机及继电器的电压为4.5V,供集成电路的电压为9V。经实验证明,继电器在3V时能正常工作,若采用3V电机,可用3V供电。
使用注意事项:
1.接收管可用多只并联,其接收面以不同方向放置,组成无方向性遥控。
2.接收管应安装聚焦镜片,不同型号的镜片其聚焦点也不同,通常可距离接收管12~20mm处寻找出遥控距离最远的某点,也就是聚焦最佳的位置。
3.有刷的直流电机在启动或运行时会产生火花而造成电磁干扰,它会影响附近电路的正常工作,解决的办法是在电机的两端加上电感、电容来消除干扰,如图5所示。

4.在赛艇上安装接收板时,应采取防水措施,以免损坏电路。(蔡凡弟)

