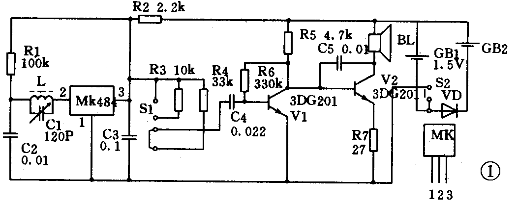
该机是用MK484集成电路制作的超薄型中波收音机,体积小(80×50×9mm\(^{3}\))。电路简单、装调容易、成本低。本机采用太阳能电池作能源,用75Ω耳塞作负载,输出功率大于5mW,电源电压1.5V。
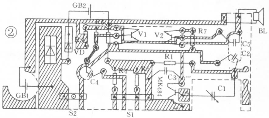
该机原理见图1,装配图见图2,MK484内部有一级高阻抗输入,三级高频放大,一级检波器,增益高达72dB,自动增益控制范围可达20dB。图1中R1为偏置电阻,L与C1构成调谐回路,C2为隔直电容,C3为高频旁路电容,该值选配得当,可获得较佳的增益和自动增益控制特性,R2是自动增益兼负载电阻,R3、R4是音量控制电阻,C4是耦合电容,R5、R6、R7、C5、V1、V2组成低放电路直接推动高阻抗耳机放音。GB1为钮扣电池,GB2为硅太阳能电池,在强光下,硅太阳能电池除了满足本机供电外,还同时给钮扣电池充电,以满足在不同环境条件下收听,钮扣电池还有稳定电压的作用,VD为隔离二极管,S1为音量开关,S2为电源开关。


安装时要注意以下几点:一、太阳能电池板两条引线焊接要快,焊点要薄,焊好后用万能胶粘在机壳内。二、磁棒和线圈要放在钮扣电池这一端,并用胶粘牢。三、小块线路板是固定耳机插孔用的。四、C3、C4直接焊在线路板背面上按倒。五、S1、S2两个开关焊接时要用小功率烙铁,并且时间要短。六、若机壳盒不严,可用小刀将钮扣电池位置处的机壳底盖内部挖去一点即可。本机安装无误,装好即可工作,收听效果令人满意。(侯尤魁)