本套件为袖珍式低压全硅六管超外差式收音机。本机造型新颖、结构简单、成本低。电路设计简捷合理,且采用通用元器件,选材装配调试维修都很方便,是中等学校劳动技术课理想的实验器材。本机体积:13×7×3cm\(^{3}\)。
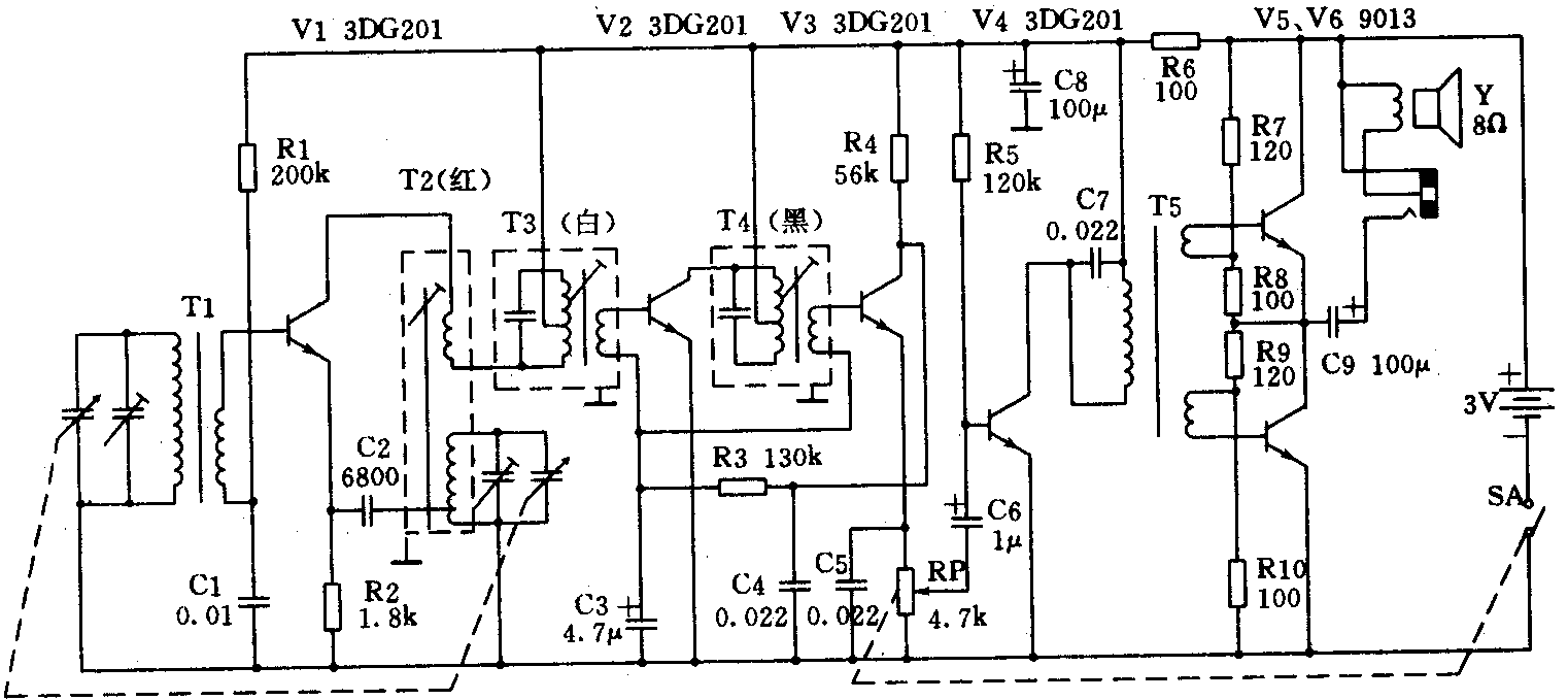
电路原理:如下图所示。磁棒天线T1与双连电容器的一连C10a+C11组成信号输入调谐回路,振荡器T2与双连电容器的另一连C10b+C12构成本振回路。信号由磁棒天线T1接收,经输入回路调谐及T1耦合到V1变频管的基极,而本振信号由C2耦合到V1的射极与输入信号进行变频。由V1集电极输出的中频信号,送入后面的中放。V2为中放级,由中频变压器T4耦合到V3。V3为检波级。C5为高频旁路电容。由V4、V5、V6等组成低效,经检波的音频信号由可变电阻器RP1、电容C6耦合到低放。V4为前置放大,V5、V6为推挽功率放大。

元件选择:磁棒选用5×13×55mm\(^{3}\)的,扬声器选用外磁φ58,晶体管选用 VT1:3DG201(绿点) β值50~80。V2、V3、V4选用3DG201(蓝点)β值均在90~120。V5、V6选用9013H或G档,双连选用223p。
调试方法:(1)调中频,先将收音机调谐钮旋到低端某一台,移动天线线圈T1使音量最大,然后用无感起子调节T4、T3,由后级往前调节,反复调节中周磁帽,使扬声器发出的声音达到最响为止。调整完毕,用石蜡把中周的磁帽封牢,使磁帽的位置不会由于振动而发生变化。(2)调整频率范围及灵敏度,最好先装好刻度盘,将双连电容器调制到当地最低端电台640千赫的位置。调节振荡器T2,使低端电台出现,且声音最佳。再调整天线线圈T1的位置,使电台的声音最大。然后将双连电容器调到当地最高端电台1480kHz,调节可变电容C12,使最高端电台出现,且声音最佳。再调节可变电容C11使电台的声音更大。反复数次调整高低端电台,同时也要兼顾中段电台,直至最佳为止。用蜡将T1无线线圈固定防止移动。各级电流参考值:IC\(_{1}\)为0.25~0.4毫安,IC2为 0.4~0.6毫安,IC\(_{4}\)为1.5~3毫安,IC5,6为4~7毫安。(杨春年)