M7摄像机的磁鼓及机构主要是为录放像功能而设置,而录放像部分的系统控制,伺服系统,视频及音频信号处理等电路和机心结构部分的基本原理踉普通家用录像机相似,也有少数电路和机构不同。本文主要介绍故障率相对较高的磁鼓和部分机构及其驱动电路的检修,对大部分与普通录像机相似原理的录放像电路和机构不予涉及。
磁鼓及磁头特点和原理
M7摄像机为了减小体积和重量,把磁鼓直径从VHS标准的直径62mm缩小为41.33mm,即相当于VHS的2/3。鼓直径缩小后,为了使摄录磁迹格式(包括磁头对磁带的扫描方式,磁迹间相对位置及磁迹的几何尺寸等内容)与VHS标准格式相同,实现M7和普通VHS录像机两者节目带间的直接互换,就需将磁带包绕角扩大为270°,即VHS标准的包绕角(180°)为M7的2/3,与两者的磁鼓直径比值相对应,由于磁带包绕角扩大为270°,用两个磁头各扫描一场磁迹的方式显然是不行了,故M7机磁鼓采用了4视频磁头间隔90°的安装方式,如图1所示。其中R1和R2同为右方位角磁头,L1和L2同为左方位角磁头。磁头的工作顺序R1→L1→R2→1.2→R1……,记录的磁迹如图1下部所示。

由此可见,R1、R2或L1、L2轮流工作代替了标准VHS鼓中的R或L磁头的工作,所以R1、R2(或L1、L2)实际上只相当于一个磁头的作用,切勿将这种4磁头磁鼓和VHS录像机的4磁头磁鼓混淆在一起。M7磁鼓的4个磁头工作宽度均为70μm,R1、R2和L1、L2除方位角相反外,其主要电特性也相似;VHS录像机磁鼓的 SP(L'、R')和 LP(L、R)磁头的工作宽度与主要电特性均不同。
M7磁头的工作由磁头开关脉冲SW1~SW4控制,SW1~SW4分别控制R1、L1、R2、L2磁头,使它们在记录或重放时按规定的顺序接通及断开。磁头开关脉冲则由IC2002(AN3798S)分别提供。记录和重放状态的各磁头开关脉冲间的相位关系如图1中部所示。
M7磁鼓与普通录像机磁鼓的另一明显区别是安装有飞旋抹消(ROTARY ERASE)磁头,它的工作受控于系统控制微处理器IC6001(MN15361VYF)的输出电平,主实为插入编辑所用。由于该磁头与视频磁头一起飞速旋转,扫描磁迹与视频磁头相同,故能准确地消去某一场磁迹,使插入(编辑)的图像与原磁带所录图像准确平稳地衔接,从而避免发生普通录像机在插入编辑时插入点附近所存在的噪条及色彩变化等现象,实现了良好的图像编辑。
M7下磁鼓采用DD薄型电机,内含6个驱动线圈,3个霍尔器件,另装有PG和FG碰头,除了体积较小外,其结构和原理与普通录像机采用的直接驱动电机相似,不再赘述。
机构特点简介
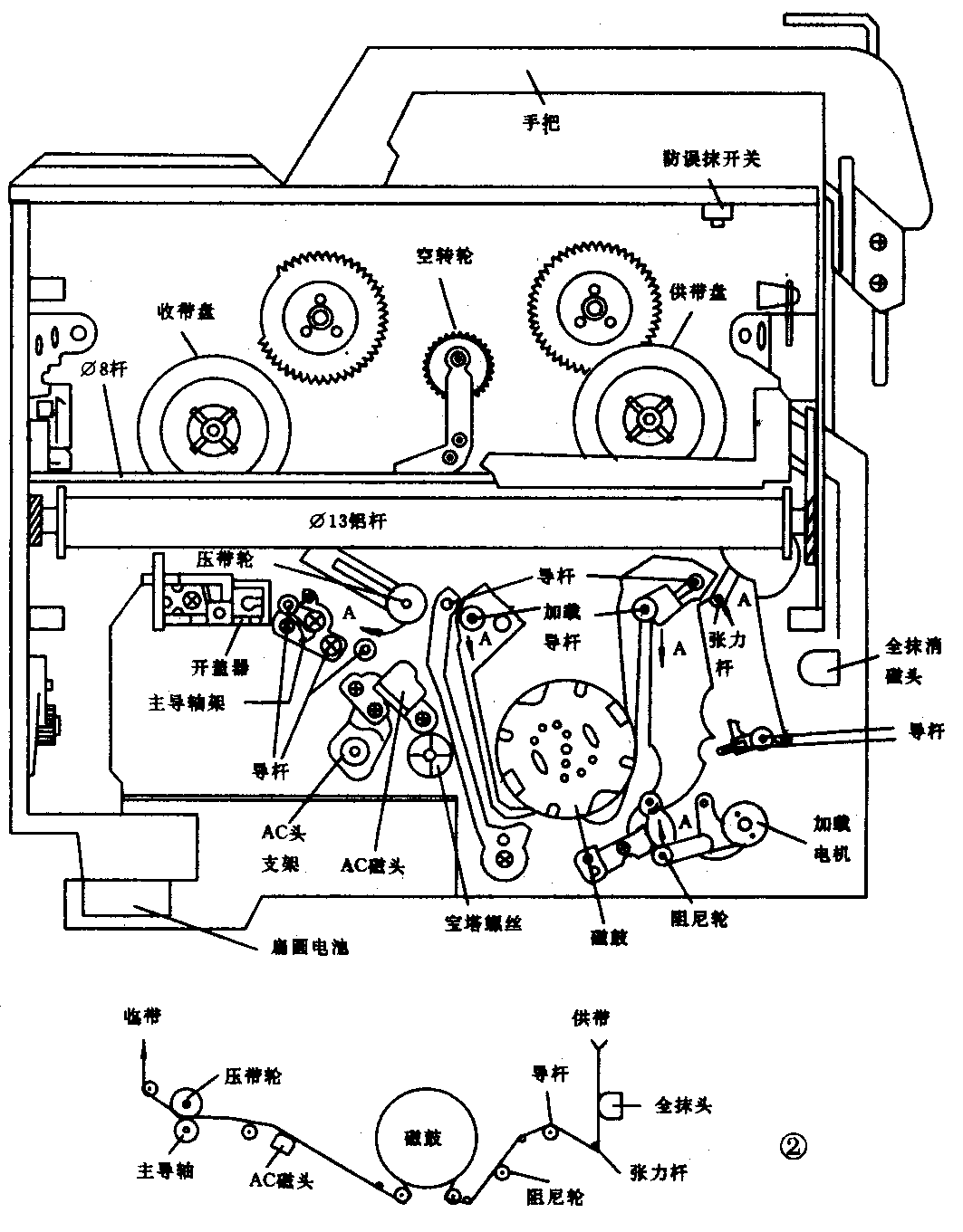
M7摄像机整个机心主要是由一块压铸铝合金底盘构成的,组装在底盘上的各种机械零部件共有300多个,因而各机构的零部件普遍小型化了。图2示出M7摄像机正面(装盒带面)机构零部件分布位置及装配关系,此而机构与通常的维修关系较大。图2所示为非装载(上带)的停机状态。

当操作摄像机进行摄录或重放时,系统微处理器IC6001①、②脚分别为H(高电平)和L(低电平),加至装载电机驱动集成电路IC6004(M54543L)⑥、④脚,使IC6004③、⑦脚间产生6V左右的直流电压施加于装载电机两端,电机旋转,驱动加载机构,带动两个加载导带杆沿装载方向A(见图2)推进,磁带便被导带杆拉出,最终包绕在磁鼓上。与此同时,压带轮及张力杆等也向A方向运动。装载完成后的磁带走带示意如图2下部所示。在录放过程中按动停止键时,IC6001①、②脚输出电平与装裁时相反,即①为L,②为H,这是卸载指令,加至IC6004⑥、④脚后,IC6004③、⑦脚送出与加载时相反极性的直流电压。使加载电机反转,带动机构使磁带卸我。装载电机驱动电路及IC6004的输入输出电平关系如图3所示。

M7摄像机采用人工装盒方式,但出盒是按键(EJECT)方式,与加载机构有关。平时,带仓被锁钩锁住。当按动出盒键时,加载机构带动锁钩动作,使带仓脱锁而弹出;此时若将带盒放进带仓,再把带仓推入机内,锁构便将带仓锁住,从而完成装盒。由于M7机的加载机构与出盒动作有关,加载机构或者它的驱动电路出故障将影响到出盒,而不能出盒(或无带盘时带仓不能弹出),所以加载机构及其驱动电路往往成为检修的重点。
磁鼓和机构常见故障的检修
1.M7摄像机拆卸要领
对摄录等电路及磁鼓、机构的检修大都需拆开摄像机本体。该机体积小巧,结构紧凑,故拆卸时应小心仔细,尤其是拆卸外壳时更要注意,别硬撬乱拉,否则极易损坏机壳连接部的锁扣或塑壳本身。拆卸的一般顺序是:寻像器→话筒单元→带仓盖→左盒盖→右盒盖→操作板主电路板→电源盒→提把→带仓弹出机构。
下面介绍最难拆卸的外壳拆卸法:(1)拆下寻像器和话筒(后者也可视检修需要暂不拆卸)。(2)托下两个螺钉A1、A2,即可向上拉卸出带仓盖(见图4)。(3)拧下5个螺钉C1~C5,如图5所示,便可卸下右侧盒盖。拆此盖时务必注意在话筒支架及图5的LP处有两个锁扣较难脱开,不可硬拉,必要时可先拆去话筒,再松锁扣就较容易了。(4)拧下6个螺钉B1~B6(图4),便可卸下左侧盒盖。卸左、右盒盖时,视检修需要可拔出盒盖与机身间的连接器,这样就能将盒盖完全脱离机身。


2.磁鼓常见故障检修
磁鼓故障一般出在上磁鼓,下磁鼓很少损坏。上磁鼓的故障主要有磁头脏污、磁头磨损或断裂,极少可能遇到断线、脱焊或短路等故障(人为致使的除外)。磁头磨损、断裂和脏污时的现象较为相似,主要都是无图像有噪波或图像模糊,噪波严重,彩色时有时无等。通常这些现象在寻像器及彩电上的反映都是相同的(彩色除外,因寻像器只能显示黑白图像),若不同,说明故障非磁鼓造成。
判断故障时,若出现上述现象,一般可先清洁磁鼓试试。该机只要卸下带仓盖即可清洁磁鼓,故很方便。清洁要用麂皮清洁棒或硬质光滑道林纸,方法参见本刊1991年6期第9页上《426录像机故障检修》一文。不要用清洁带,因它会对磁鼓带来较大磨损,而摄像机磁鼓价格昂贵,应尽量避免不必要的磨损。
若清洁磁鼓无效,而且还存在以下两特征:(1)自录自放效果比放像(好带)更差。(2)图像上出现较多水平白短线状噪波。通常可判断磁头已磨损(磁头若断裂则可用肉眼或借助放大镜看出),应调换上磁鼓。换上鼓参见图6。首先托出2个固定螺钉,随后焊开上鼓印制板上的10个焊点。因上鼓体积小,焊点密集,必要时应用吸焊枪或编织线吸去焊锡。接着用手拿住磁鼓(别碰磁头),向垂直方向拔出上鼓。最后按以上逆过程换好新鼓。装新鼓时需注意将上磁鼓印制板上的白色(或绿色)标记与下鼓电路板上的白色(或绿色)标记对准,即“白对白,绿对绿”,装反了图像无彩色。此外购买上鼓一定要选优质正宗品,切勿贪便宜而得不偿失。

3.机构常见故障检修要领
带仓弹不出、走带不正常和机构被卡死是M7机的常见故障。检修时若发现带仓弹不出,应予先排除(不论有无其它故障),否则不便深入检查。下面介绍此3种故障的检修要领。
(1)带仓弹不出 在电源能开启(指示灯亮),但开启后5~7秒即自动保护断电(指示灯熄)的情况下,这种故障大都是加载电机不动作所致。如果带仓内有磁带盒,带盒也就卡留在带仓里。检修时,可在按动出盒键后测量加载电机两端电压或IC6004③、⑦脚电压,正常应为6V左右(动作结束时因刹车而出现瞬时反向电压)。若无此电压或极低,故障在电机驱动电路,可查IC6004②、⑧脚(12V)、①、⑨脚(9V)和④、⑥脚电压。若正常,一般是IC6004损坏;不正常则顺电路查故障点。如果加载电压正常,说明电机损坏或机构被卡住。
(2)走带不正常 包括磁带运行跳动、溢出、不能走带、绞带及轧带等。这种故障多由机械系统引起。检修时应根据故障现象大体判断可能出故障的部位,然后仔细观察该部位及其相关部位的机件是否严重磨损或变形、断裂、脱落、移位或卡死等,一般不难发现问题所在。值得注意的是,如在机构静止状态下看不出症结所在,应作模拟装载后再进一步检查。
(3)机构被卡死 其检查方法亦主要靠仔细观察。一般引起此故障多为弹簧脱落或断裂,塑料机件断裂或严重变形,金属机件变形、位移或断裂(通常人为所致)等,检查起来常比(2)条方便、容易。(王德沅)