不少“焊机派”的发烧朋友都有这样的经验:用BA328、LA3160等集成电路制作的前置放大器,当音量稍大时中高音发毛刺耳,使人听起来感到烦燥,这是因为高次谐波增多、瞬态互调失真明显增大造成的。所以,中高级前置放大器几乎全部采用分立元件。以往分立元件的前置一般多用普通晶体三极管做输入级,其1/f噪声随I\(_{c}\)升高而增加,其工作电流取50~100μA;而采用结型场效应管做输入级时,其1/f噪声优于普通晶体三极管(约0.5~1.5nV/\(\sqrt{Hz}\)),而且不随工作电流ID升高而明显的增加,工作电流I\(_{D}\)可以取得较大,即能获得大动态范围,又能去掉耦合电容带来的不利因素。本文介绍的JFET输入级纯甲类高级前置放大器,是目前众多前置放大器中优秀的成熟线路之一。其电路原理图见附图。

一、设计思路
影响放音品质的主要因素为噪声,从n级放大器的噪声表达式 F=F\(_{1}\)+(F2-1)/KP\(_{1}\)+……可看出,首级F1起主要作用,应优先采用低噪声的JFET做输入级。对磁带放音系统来讲,其噪声来源为:①磁头—放音系统的核心,应选用双曲面、耐磨硬质合金磁头,磁头至EQ输入端应使用尽量短的屏蔽线,并将屏蔽层良好接地。②磁头输出耦合电容会使频率响应变差,影响动态,其自身漏电还会引起噪声,也易感应外来噪声、产生谐波失真,防碍对微弱信号的拾取放大。采用JFET做输入级的重要特点在于去掉耦合电容。使频率响应延伸到直流。③线路放大仍采用JFET,进一步降低噪声。④电源的纹波可带来噪声并妨碍磁头对微小信号的拾取,采用LF353高速运放做有源伺服超低噪声电源,8只二极管作双桥整流,使纹波减为最小。
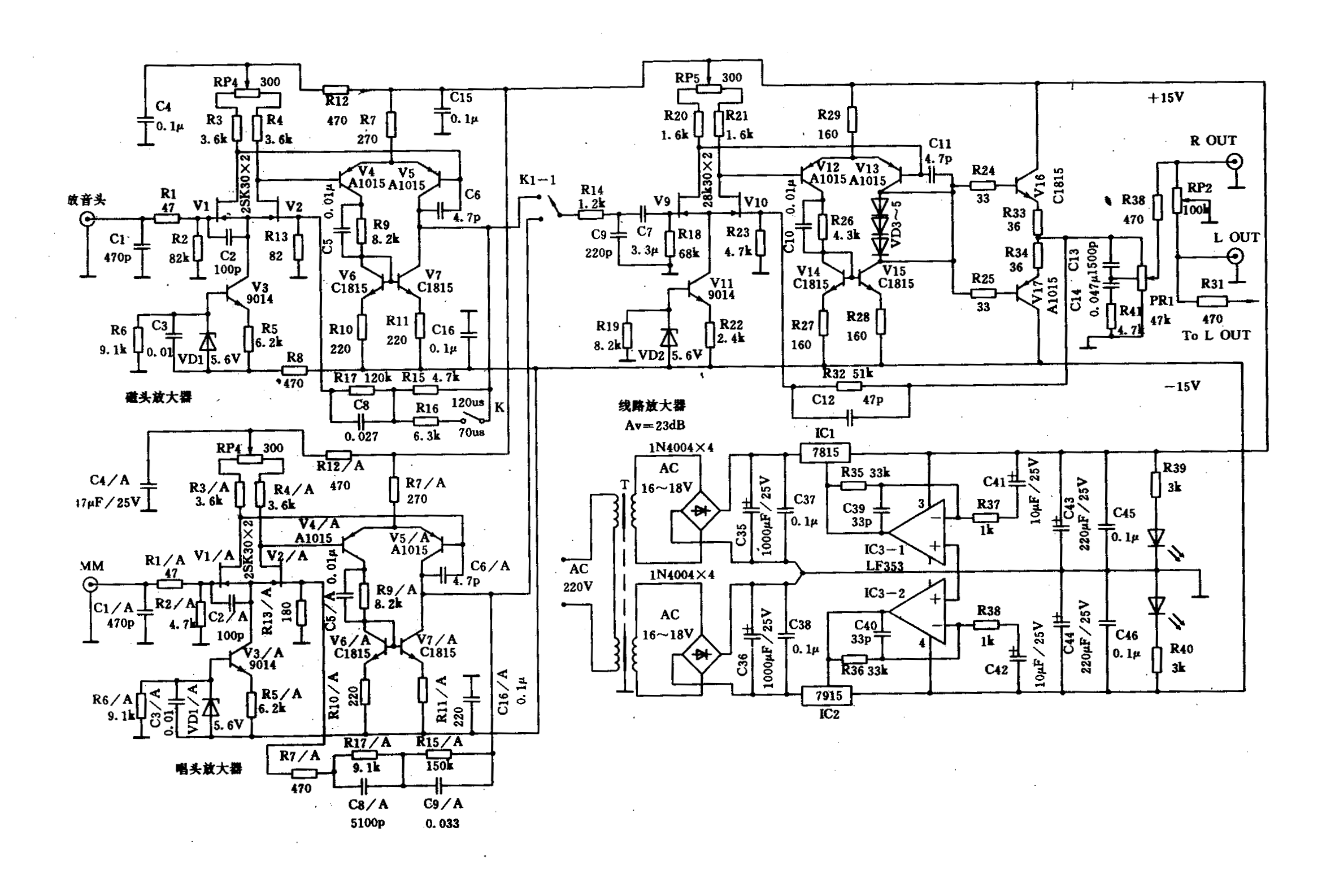
二、电路原理(参见附图)
1.JQZ100A前置磁头(EQ)放大器:V1、2两只JFET做差分输入级,可获得高输入阻抗、低噪声等特性;做该级的恒流源,以提高该级的稳定性。第二级采用V4、5两只PNP管做差分共射电压放大,V6、7做该级的恒流源,使双端输出转变为单端输出,以获得大动态和良好的线性;由于线路放大器的输入级也为JFET,拾取电流很小,故该EQ放大器可不加互补射极输出器,以简化电路,减少噪声。一般立体声磁头输出电平为0.2mV~0.4mV,取0.25mV,EQ放大器在315Hz采用120μs放音时,其增益为208倍(约46dB),则输出V\(_{0}\)=0.25mV×208=52.0mV,经线路放大15倍(约23dB)后,输出V0’=52.0mV×15=780mV,可满足一般标准功放的输入灵敏度0.66V~0.77V(0dB);本电路还设有普通带、铬带及金属带放音选择按钮。
2.线路放大器:用NE5532、NE5534制作的线路放大器,由于其转换速率受到芯片静态偏流及功耗等方面的限制,不可能制作得像分立元件线路放大器那样出色,相比之下,后者音色更加柔顺自然,其动态范围及输出力度也明显优于前者。电路形式仍以JFET做差分输入级;V12、13做差分电压放大级,V14、15做该级的恒流源;末级做全互补输出级,其静态电流取得较大,约10mA,使工作于A类状态,以加强其线性放大及输出带负载能力。该线路放大器提供15倍(约23dB)的平坦放大,读者也可根据需要改为20倍或10倍。线路放大器输入端设有双刀三掷选择开关,可满足CD唱机及收音机等信号源的输入切换;其输出端设有等响度控制及左右声道平衡控制电位器。
3.JQZ50A唱头均衡(RIAA)放大器:高保真电唱盘在放立体声密纹唱片时,主要使用动磁(MM)式拾音头或动圈(MC)式拾音头。由于动圈式拾音头国内市场还很少见,故仅对使用动磁式拾音头的唱头均衡放大器作一简介。本电路采用反馈型均衡电路,电路原理与EQ放大器相同,只是反馈网络有所不同。动磁唱头输出电平一般为2mV左右,该均衡放大器在1kHz时其增益A=63倍(36dB),可根据唱头灵敏度来调整R13/A使增益变化。输出V\(_{0}\)=2mV×63=126mV,经线路放大器放大15倍,输出V0’=126mV×15=1.89V,推动功率放大器可获得较大动态余量。
三、元器件的选择
电阻采用1/4W五色环进口金属膜电阻,唱头放大器用1/6W电阻以缩小体积。4.7pF~470pF电容采用瓷片、聚苯乙稀电容;1000pF~0.1μF采用金属化复合膜电容(CH11);1μf~1000μf采用优质电解电容。JFET管及其它晶体管等均为进口正品管,都用图示仪测量配对。电路印板由微机CAD辅助绘图优化设计,布线合理。印板采用镀铅锡合金,印字、印阻焊剂专业化处理。
四、电路技术指标
频率响应:0Hz~300kHz(±1dB)
谐波失真:<0.005%(1kHz)
等效输入噪声:<0.35μV(100Hz)(EQ)<1.75μV(315Hz)(RIAA)
转换速率:>50V/μs
输入灵敏度:EQ放大器0.2mV 唱头放大器 0.7~2mV 线路放大器 38.5mV
线路输出:>0.77V(0dB,600Ω)
五、使用须知:
1.应使用双线并绕带中心屏蔽层的双 16V~ 18V输出的变压器。当市电欠压、变压器输出小于15V时,会因电源不稳压带来噪声干扰。
2.磁头至EQ前量输入端屏蔽线的屏蔽层应单独接地,不可当“-”极使用,且输入端应避开电磁干扰源。
3.在电源滤波电容中点G处一点接地。
4.与功放配按时若产生自激,需串接一只20kΩ左右电阻。
该JFET输入级高级前置放大器系统音质均明显优于一般NE5532、NE5534等,请读者自行作比较。
为了更充分体现出本前置放大器的优美音色,推荐搭配QV1100系列全VMOS场效应管高保真功率放大器,还可选配JJH100A十段均衡器。
北京海淀区安王电子技术开发部(学院南路甲14号)长期供应:①JQZ50A35元/套,邮费5元;②JQZ100A;③JJH100A均为110元/套,邮费8元;④QV1100A(50W×2) 228元/套,邮费12元;⑤QV1100B(80W×2)280元/套,邮费12元。①~⑤为成品板,通电即可放音。款到29天内发货,质量三包。②~⑤项有整机、机壳、面板、配套变压器供应,可先索取供应卡、报价单再汇款。开户行:农行海淀红联东村分理处,帐号:501040 电话2024498 邮编100088。(安朴)