MC13024系美国莫托罗拉公司生产的C-QUAM制(兼容正交调幅立体声系统)单片AM立体声解码集成电路。该集成电路具有很高的灵敏度,较强的过载能力,立体声分离度可达25dB。只需单个指示灯即可同时指示调谐和立体声状态,并且其工作电压可低至1.8V(1.8~10V)。适宜于一般立体声收录机、音响,尤其是袖珍立体声收音机采用。C-QUAM制由于其许多独特的优点和兼容特性,而为许多国家和地区所采用。我国浙江人民广播电台等亦以C-QUAM制进行立体声试播,效果良好。
图1和图3分别为C-QUAM制立体声接收机和发射机方框图。接收机收到C-QUAM信号后,先经混频变换为中频,由包络检波器检出M信号;中频另一路送到除法器,再分别送I解调器和Q解调器解出(L+R)cos号,用比较器比较(L+R)及(L+R)cos检出cos返送除法器,即返回cos正因子。由于I解调器处于闭环状态,故输出L+R。同样,Q解调器输出R-L,然后再把L+R和R-L送至矩阵网络,经变换后,输出L、R信号。


MC13024可用单一指示灯同时指示调谐状态和立体声状态。当用户调准电台后,MC13024的第3脚输出1mA的电流驱动发光二极管,指示调谐准确,当导频信号检波电路检测到25Hz导频信号后,一个附加的5mA驱动电流可到达发光二极管,使发光二极管亮度增强。此时指示调谐准确且正处于立体声接收状态。
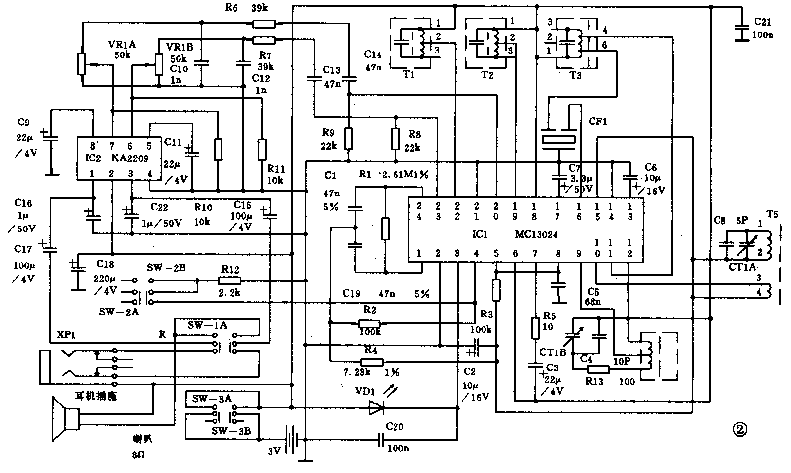
图2系采用MC13024组成的AM立体声接收机电路,该电路增加一块 TA8123则可构成一台AM/FM全立体声袖珍收音机。

接收机的调试与一般收音机的调试基本一样,但应注意AM中频的调整会影响AM立体声分离度以至不能解出立体声信号。基准3.6MHz振荡频率的校准应以高阻、低输入电容探头配合频率计,连接到MC13024的第22脚进行监视。输入C-QUAM立体声信号至接收机,调整T\(_{1}\)使频率计显示3.6MHz。由于探头的分布参数可能会影响到调整的准确度,此时,可以用毫伏表分别连接到R、L的输出端,微调T1至分离度最大。
某些元件的质量和精确度会对AM立体声产生较大的影响。图2中的R1、R4应采用误差为1%的精密电阻;C1、C19应采用误差为5%的涤沦电容;C6亦应采用高性能的钽电解电容器。(曙云)