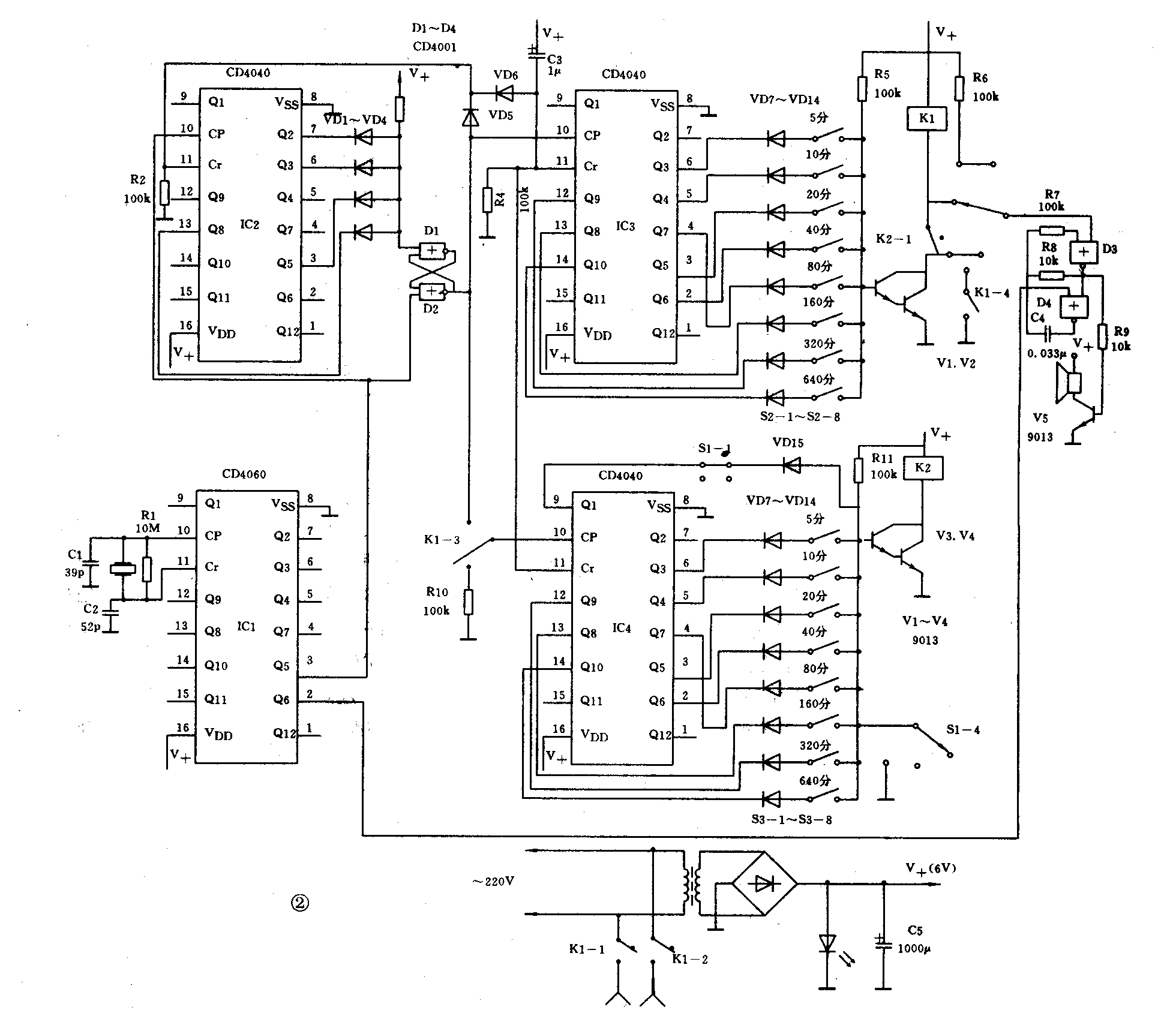
本刊1992年第2期介绍了一个《家用定时提醒器》制作电路,笔者经试装成功后,又在原电路的基础上增设了一支CD4040,一个二极管与门电路和两只继电器,并对原电路某些地方作了必要改动,使其成为一个操作方便、功能全面的可编程定时器,电路如图2所示。

S1为三档转换开关,当其掷第一档位置时(图中所示位置),本定时器即是提醒器,报闹时刻由S2—1~S2—8设定。图S1—1将VD15负极和IC4的Q1接通,1.25分钟后,Q1由低变高,V3、V4随即导通,K2吸合,从而报闹自动停止。当S1在第二档位置时,预置定时开编程开关S2和定时关编程开关S3可使定时器输出电源插座自动定时通电断电两次。例如某电器需在2小时后工作半小时,于是将40分钟开关S2—4和80分钟开关S2—5置on位置,10分钟开关S3—2和20分钟开关S3—3置on位置,再把电器插头插入定时器插座,2小时后,IC3的Q6和Q7同时为高电平,V1、V2导通,K1吸合,插座得电,电器开始工作,同时K1—4使K1自保,而K1—3将1.25分钟脉冲引入IC4的Cp端,IC4开始计数,又过半小时后,IC4的Q4和Q5同时为高电平,K2吸合,导致K1断开,插座失电,电器停止工作。S1掷三档位置时,定时器输出电源插座间隔通电断电,间隔时间由S2设定,其中断电时间是位于on位置的所有开关的时间之和,而通电时间为位于on位置的开关中序号最小的开关的时间。例如S2—1、S2—2和S2—3在on位置时,输出电源插座在5+10+20=35(分钟)后得电,通电5分钟后再断电35分钟,如此循环。
全部元件焊接在一块70×60的电路板上。为美观和操作方便起见,在S2和S3位置先焊上插座,再将S2和S3插入,然后用螺钉把电路板固定在外壳(外壳为110×70×40的皂盒)面板背面,面板上开两个矩形窗口,让S2和S3刚好伸出来(见面板布置图1)。(黄小园)
