本文所介绍的光控/触摸式多用开关插座,结构小巧,使用十分方便,使用时,只需将所用电器插在该插座上,即可方便地利用普通手电筒或其它红外线遥控开关,对各种家用电器如电视机、电风扇、收录机、洗衣机或电灯等进行开关控制,也可利用插座上的触摸片进行触摸开关控制。这对于没有遥控功能的各种家用电器实行遥控开关是十分有用的。
工作原理

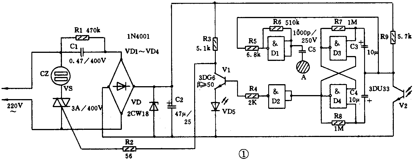
电路原理图如图1所示。本电路的控制部分仅用一块CMOS二输入端四与非门电路CD4011构成,其中以D1和R5、R6构成模拟放大器电路。这是一种数字电路的模拟应用,当由感当片A来的人体感应信号经C5送入D1进行放大,然后输出到触发器输入端。由D3、D4构成基本触发器电路,C3、C4、R7、R8构成引导电路,从而构成计数型的T触发器。外来光控信号经V2接收、放大后也输入到触发器输入端。这样,每外来一个信号,不论是触摸感应信号,还是光控信号,触发器就翻转一次,经隔离门D2后去控制三极管V1的导通与截止,从而达到控制双向可控硅VS的导通与关断之目的,进而实现被控电器的开与关。发光二极管VD5用来指示工作状态。VS导通时VD5亮,关断时VD5也熄灭。
本电路采用独立的交流电源输入跑路,以提高电路的实用性。电源电路采用电容降压,全波整流,稳压滤波,得到10伏左右的直流电压,以供给各器件工作。
元器件的选用
元器件的选用无严格要求,CMOS电路选用CD4011或MC14011均可,也可采用国产的C036CMOS芯片。V1可选用3DG6或3DK类管子,β≥50即可,V2用3DU31、33类光敏三极管,要求亮阻尽可能小些,以提高光控的灵敏度。双向可控硅可用任何型号的,其工作电流由负载确定,耐压大于400伏即可。经实验,对于500W左右的负载,3A的管子在不加散热片的情况下就足以胜任。如改用8A/400伏的管子,其控制负载可达1000W以上。发光二极管VD5宜选用工作电流较大的。降压电容C1要选用耐压大于400伏的电容器,质量应可靠。例如;CZJD型纸质油浸电容质量较可靠。电解电容器C3、C4漏电流应尽可能小些。电阻均可选用1/8W的,其它元器件无特殊要求。
安装与调试
该光控、触摸式多用插座,其外形如图2所示。

由于强电控制与弱电信号电路均组装在一起,故在装配时应注意其绝缘程度。
安装时应注意先焊接大件及电源插头、插座等,然后焊接电阻、电容、三极管、最后再断电焊接CMOSIC。如元器件质量可靠,安装无误,一般无需调整均能正常工作。调试时,最好用示波器观察负载两端电压波形,使其呈完整的正弦波,以避免VS导通不充分时对其它电器产生射频干扰。如发现VS导通时不是完整的正弦波,可适当减小电阻R2的值。当V1管β值较小时,也可适当减小R4的值,以使V1导通更加充分。但也不可太小,否则将引起VS关不断。电阻R6的调整应使D1处在线性放大区,以得到尽可能大的触摸信号。

受光窗的透镜可用有机玻璃加工成球面后抛光,如图3所示。透镜和光敏三极管的距离L可根据透镜的加工情况进行调整。以获得最远的光控距离。本电路有效光控距离为5米。由于加装了透镜,所以光照操作时应尽可能使入射光线垂直于远镜,否则会缩短光控距离。
该多用插座的开关控制,触摸或光控方式是同时有效的。即不论那种方式作用于插座,都可使其内部触发器翻转一次,而下一个控制信号到来后,触发器又恢复到原来状态。
为了确保工作时的安全可靠,多用开关插座的外壳可用有机玻璃或塑料等绝缘材料制作,仅有电源输入插头和触摸金属片两部分为金属件而外露,其余电路部分均应封装在绝缘壳体内。
本电路耗电极少,经实测,整机关断时电流小于3mA,导通时约为15mA。(孙瑛 毛楠)