1.一台成都牌C47-857型18英寸彩电有时出现无图像、无光栅、无声。
分析与检修:无图像、无光栅、无声,一般来说故障出现在电源部分或行、场部分。对行输出管VT431进行测量,未损坏。对该电视机加电并打开开关进行观察,在打开电视机的瞬间未发出“吱吱”声,初步判断是电源部分有故障。对电源输出变压器T301的次级绕组端子第11脚、12脚、13脚、14脚、15脚、16脚进行测量,均无电压(见图1)。由此判断电源未能正常工作。测量开关调整管VT311的基极B无电压,在测量电阻R312两端的电压时,当黑红表笔分别与电阻R312两端相接触的瞬间,电视机突然出现光栅和声音,电源恢复工作;此时关闭电视机,然后再打开电视机,仍出现无图像、无光栅、无声故障现象。重复上述步骤,上述现象则重复出现。

由上述现象分析,可能是电阻R312损坏开路,因为当电阻R312开路时开关调整管VT311的基极B无电压,所以未工作。当测量电阻R312两端电压时,就等于电阻R312与测量表的内阻并联,测量的瞬间电阻R312两端就不再是开路状态。在这瞬间时刻,开关调整管VT311的基极B得到电压。从而使开关调整管VT311恢复工作,电视机出现光栅和声音。取下电阻R312测量其阻值为无穷大,说明已损坏。换上同阻值的电阻,电视机恢复正常。
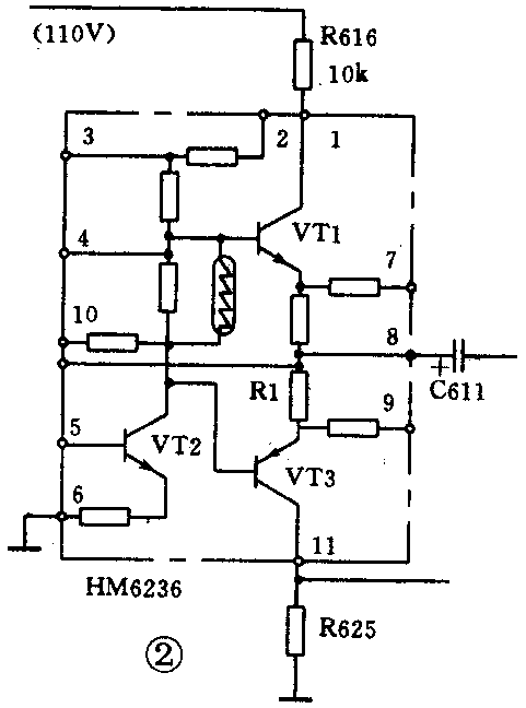
2.一台金星C56-402型22英寸彩电在屏幕中间水平方向有5cm左右宽的光栅带,其余部分均无光栅、图像,同时发出“吱吱”的叫声,但电视机的声音正常。
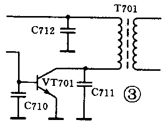
分析与检修:屏幕中间出现水平亮线或水平光栅带,一般来说是场部分有故障。通电后对这部分的厚膜电路HM6236各管脚进行测量(如图2所示),发现1脚电压为94V(正常工作电压应为74V),8脚电压为20V(正常工作电压应为34V),这说明厚膜电路HM6236不能正常工作。厚膜电路的第8脚通过电阻R1与VT3的发射极E相连接,若VT3的PN结被击穿,就会使VT3的发射极E与基极B之间管压降降低,从而造成厚膜电路第8脚的电压降低,第1脚的电压升高。取下厚膜电路HM6236,对三极管VT1、VT2、VT3进行测量,发现VT3被击穿。换一个同型号的厚膜电路HM6236后,光栅、图像恢复正常,厚膜电路HM6236的第1脚、第8脚的电压均恢复到正常工作的电压值,但电视机发出“吱吱”声尚未消失。用示波器对行激励管VT701的C极进行测量,发现波形与正常波形不相同(如图3所示),用三用表测量VT701的C极,电压为48V(正常工作电压为34V),比正常工作电压高14V,说明行激励三极管VT701的性能不好或损坏。换一个同型号的三极管后,C极的波形与工作电压均恢复正常,“吱吱”的连续叫声基本消失,但还有间歇性的“吱吱”声。因为行部分的工作电压与波形已正常,怀疑行输出变压器T703性能不好。换一个同型号行输出变压器,“吱吱”声完全消除,电视机恢复正常。 (刘宜兴)

