本文向读者推荐一款高性能价格比、性能优异、装调容易的前后级合并式功放电路,该电路全部采用世界名厂集成电路,具有频响宽、失真小、动态范围大等特点,而且具有过热保护、短路保护、开机延时等多种保护功能。其主要技术指标如下:(1)不失真输出功率:2×40W(THD=0.1%);(2)互调失真:-80dB;(3)频响范围:15Hz~25kHz。
1.电路原理

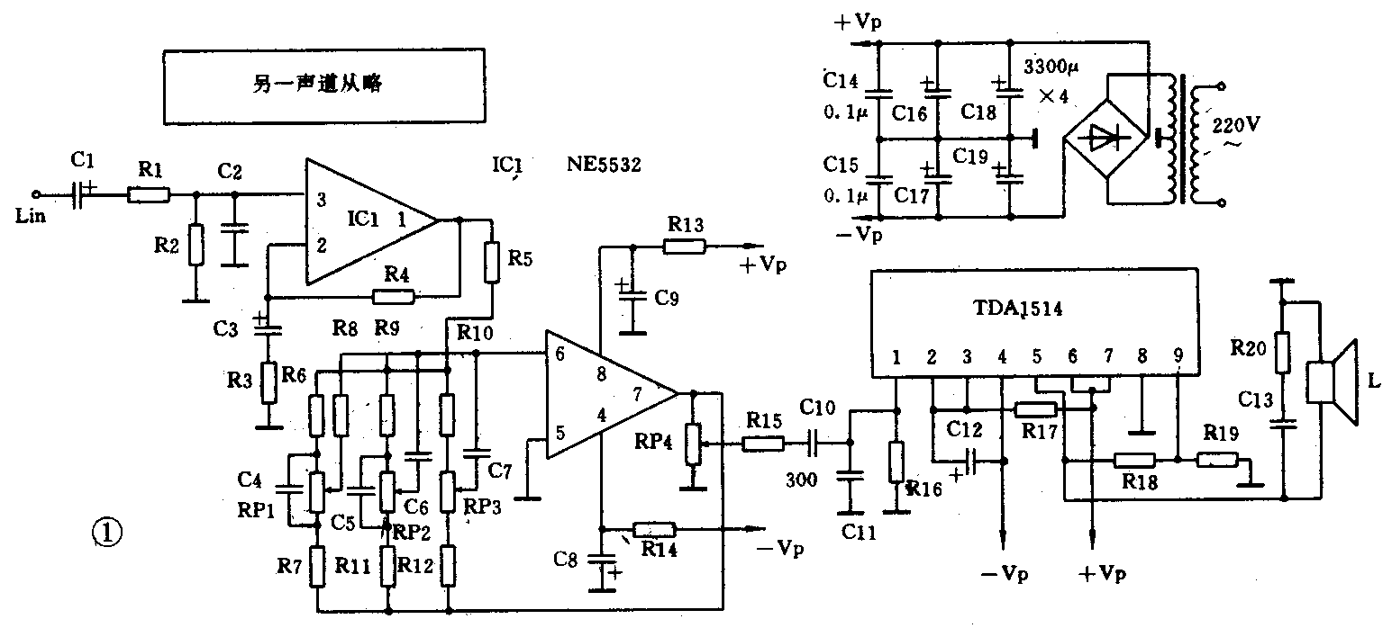
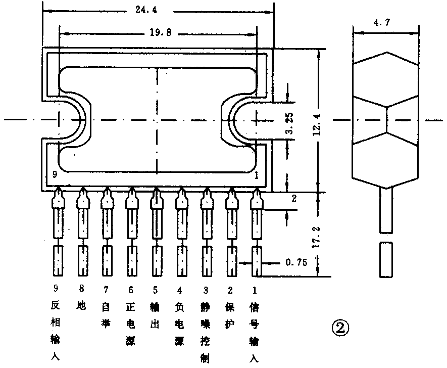
图1为2×40W Hi-Fi立体声前后级功放电路原理图。前级采用美国SIGNETICS公司生产的NE5532完成前置放大和负反馈式高、中、低三段音调均衡,这种电路杂志上已介绍较多,本文不再赘述。功放电路的后级采用二片荷兰飞利浦公司最新推出的功放集成电路TDA1514,该IC除具有输出功率大的特点外,内部还设有静噪抑制、过热保护和安全工作区等保护电路。其外形尺寸见图2(注意元件脚为从背面看时的排列)。

信号从NE5532输出端(7脚)经R15、C10输入到TDA1514的信号输入端RP4用于控制音量的大小。为了不影响前级的音调控制曲线,R15不宜选用得太小。R17及C12决定静噪动作时间,消除开机的冲击声。改变R18及R19的阻值之比,可以调节TDA1514的闭环电压增益。本电路中设定为33dB。R20及C13用来防止高频自激,应焊接在扬声器接口处。
2.装调要点:
1.用于电源退耦的电容应尽量靠近IC引脚;2.为了保证立体声分离度,两声道间的走线应有地线隔离;3.为减少IC与散热器之间的热阻,应在接触面涂上硅脂;4.散热器须与第4脚用导线相连;5.电阻全部选用金属膜电阻。
3.试听效果:
只要焊接无误,接上CD唱机(或其它高品质音源)和高保真音箱,即可通电试听。电源变压器功率为200W。其音色通透纯正。如装入配套的哑黑色机壳,即成为一台高品质的家用高保真扩音机。
杭州启新家电服务部邮售:2×40 Hi-Fi立体声前后级功放电路全套散件(含印板、散热器、双联电位器及电源整流滤波电路)价118元;外壳(全黑半亚光国际流行标准型430×240×90mm含全套附件)另加每套60元;配套变压器每只另加40元,包装及邮资每套16元。地址:(310002)杭州河坊街215号 电话:(0571)728936(包敏诺)