直流放大器
能够放大直流信号或变化很缓慢的信号的电路称为直流放大电路或直流放大器。测量和控制方面常用到这种放大器。
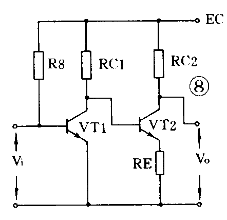
(1)双管直耦放大器
直流放大器不能用RC耦合或变压器耦合,只能用直接耦合方式。图8是一个两级直耦放大器。直耦方式会带来前后级工作点的相互牵制,电路中在VT2的发射极加电阻R\(_{E}\)以提高后级发射极电位来解决前后级的牵制。直流放大器的另一个更重要的问题是零点漂移。所谓零点漂移是指放大器在没有输入信号时,由于工作点不稳定引起静态电位缓慢地变化,这种变化被逐级放大,使输出端产生虚假信号。放大器级数越多,零点漂移越严重。所以这种双管直耦放大器只能用于要求不高的场合。

(2)差分放大器
解决零点漂移的办法是采用差分放大器,图9是应用较广的射极耦合差分放大器。它使用双电源,其中VT1和VT2的特性相同,两组电阻数值也相同,R\(_{E}\)有负反馈作用。实际上这是一个桥形电路,两个RC和两个管子是四个桥臂,输出电压V\(_{0}\)从电桥的对角线上取出。没有输入信号时,因为RC1=RC2和两管特性相同,所以电桥是平衡的,输出是零。由于是接成桥形,零点漂移也很小。

差分放大器有良好的稳定性,因此得到广泛的应用。
集成运算放大器
集成运算放大器是一种把多级直流放大器做在一个集成片上,只要在外部接少量元件就能完成各种功能的器件。因为它早期是用在模拟计算机中做加法器、乘法器用的,所以叫做运算放大器。它有十多个引脚,一般都用有3个端子的三角形符号表示,如图10。它有两个输入端、1个输出端,上面那个输入端叫做反相输入端,用“—”作标记;下面的叫同相输入端,用“+”作标记。

集成运算放大器可以完成加、减、乘、除、微分、积分等多种模拟运算,也可以接成交流或直流放大器应用。在作放大器应用时有:
(1)带调零的同相输出放大电路
图11是带调零端的同相输出运放电路。引脚1、11、12是调零端,调整RP可使输出端(8)在静态时输出电压为零。9、6两脚分别接正、负电源。输入信号接到同相输入端(5),因此输出信号和输入信号同相。放大器负反馈经反馈电阻R2接到反相输入端(4)。同相输入接法的电压放大倍数总是大于1的。

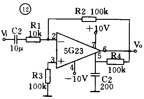
(2)反相输出运放电路
也可以使输入信号从反相输入端接入,如图12。如对电路要求不高,可以不用调零,这时可以把3个调零端短路。

输入信号从耦合电容C1经R1接入反相输入端,而同相输入端通过电阻R3接地。反相输入接法的电压放大倍数可以大于1、等于1或小于1。
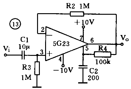
(3)同相输出高输入阻抗运放电路
图13中没有接入R1,相当于R1阻值无穷大,这时电路的电压放大倍数等于1,输入阻抗可达几百千欧。

放大电路读图要点和举例
放大电路是电子电路中变化较多和较复杂的电路。在拿到一张放大电路图时,首先要把它逐级分解开,然后一级一级分析弄懂它的原理,最后再全面综合。读图时要注意:①在逐级分析时要区分开主要元器件和辅助元器件。放大器中使用的辅助元器件很多,如偏置电路中的温度补偿元件,稳压稳流元器件,防止自激振荡的防振元件、去耦元件,保护电路中的保护元件等。②在分析中最主要和困难的是反馈的分析,要能找出反馈通路,判断反馈的极性和类型,特别是多级放大器,往往以后级将负反馈加到前级,因此更要细致分析。③一般低频放大器常用RC耦合方式;高频放大器则常常是和LC调谐电路有关的,或是用单调谐或是用双调谐电路,而且电路里使用的电容器容量一般也比较小。④注意晶体管和电源的极性,放大器中常常使用双电源,这是放大电路的特殊性。
例1 助听器电路
图14是一个助听器电路,实际上是一个4级低频放大器。VT1、VT2之间和VT3、VT4之间采用直接耦合方式,VT2和VT3之间则用RC耦合。为了改善音质,VT1和VT3的本级有并联电压负反馈(R2和R7)。由于使用高阻抗的耳机,所以可以把耳机直接接在VT4的集电极回路内。R6、C2是去耦电路,C6是电源滤波电容。

例2 收音机低放电路
图15是普及型收音机的低放电路。电路共3级,第1级(VT1)前置电压放大,第2级(VT2)是推动级,第3级(VT3、VT4)是推挽功放。VT1和VT2之间采用直接耦合,VT2和VT3、VT4之间用输入变压器(T1)耦合并完成倒相,最后用输出变压器(T2)输出,使用低阻扬声器。此外, VT1本级有并联电压负反馈(R1),T2次级经R3送回到VT2有串联电压负反馈。电路中C2的作用是增强高音区的负反馈,减弱高音以增强低音。R4、C4为去耦电路,C3为电源的滤波电容。整个电路简单明了。(俞鹤飞)
