TB513系列助听器专用集成电路的外形见图1,由于此电路性能优良、使用方便,因此深受生产厂和无线电爱好者的欢迎。本文介绍此电路的特点与应用。

TB531系列集成电路具有电源电压低、降压特性好、增益高、噪声低、耗电省等优点。来自话筒的音频信号,经TB531内部多级放大,可以得到足够的输出功率,直接推动耳机发音。采用TB531组装助听器,只要焊接无误,不需调整,一装即成。TB531电路的电参数及生产厂见表1。
表1 TB531系列电路主要参数
电参数 典型值 单位
电源电压Vcc 1.5 V
静态电流Icc 2 mA
电压增益GV 80 dB
最大输出功率POM 0.7 mW
全谐波失真度THD 6 %
音量控制范围 35 dB
输入阻抗 15 kΩ
噪声 1 μV
生产厂:天津半导体器件厂
图2是TB531B典型应用电路。C1为输入电容。C2为滤波电容,它防止信号通过内部偏置电路对输入端造成反馈。C3用来适当衰减耳机中的高频成份。C4为电源滤波电容。RP是音量控制电位器。

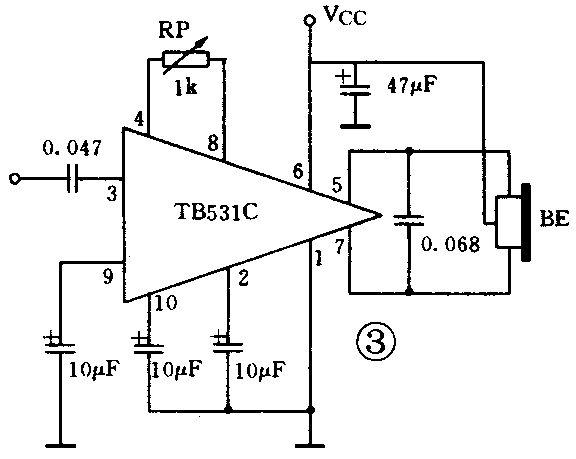
图3是TB531C电路(单端输入,双端输出)的应用电路,其性能更佳。

TB531电路在使用中应注意以下几点:
1.图1所示外形图中,左下角有一个小突起,它是引脚的定位标记(从左下角起为第1脚)。
2.此电路的增益较高,因此要注意元器件的布局与布线,以免造成自激。
3.TB531B电路的2脚所接带有*号的电阻的数值有几档,详见表2。分档标记已打印在产品上。
表2 R※分档数值
标记 1 2 3 4 5 6 7 8 9
电阻值
(kΩ) 360 390 430 470 510 680 750 820 1000
4.应用电路中的耳机宜采用高阻耳机。(常润生 耿卫东)