PC—1500是一种使用极为方便的袖珍计算机,受到野外工程技术人员的喜爱。然而在处理较为复杂的工程技术问题和数据时,其现有内存的容量往往显得不够,给野外技术人员在室内进行数据处理时带来一定的困难。笔者在接触到一些该机的使用人员时,都曾反映过这样的问题。因而对PC—1500的内存进行扩充,使之更能适应使用人员的要求,很有必要。
一、PC—1500系列计算机内存分布情况及可供扩充的部分
PC—1500系列计算机目前使用较多的是PC—1500和PC—1500A两种,其主机内存容量分别为2k和6k,地址分布在4000H~47FFH及4000H~57FFH内。PC—1500系列计算机可寻址128k的存储空间,分为0体和1体,各占64k,其中0体的前28k供用户存储数据及程序,而1体的前32k只能用于存储数据,剩余部分由PC—1500系统使用。0体的28k地址是从0000H~6FFFH, 1体的32k地址是从0000H~7FFFH。目前市场上能买到的最大容量存储模块为16k因此PC—1500的0体及1体仍有10k和32k可扩充,而PC—1500A的0体及1体仍有6k和32k可扩充。由于PC—1500系列计算机在系统初始化时,从地址0000H开始搜索0体存储器到6FFFH结束,寻找第一块装有RAM的连续空间,把其开始地址及结束地址加1的高8位存放于系统工作变量中,所以扩充的0体存储空间必须与原 有的存储空间前后构成一个连续的整体。以下所要介绍的电路就是一个适合PC-1500及PC-1500A在配有各种存储模块时内存扩充的通用电路。
二、电路工作原理

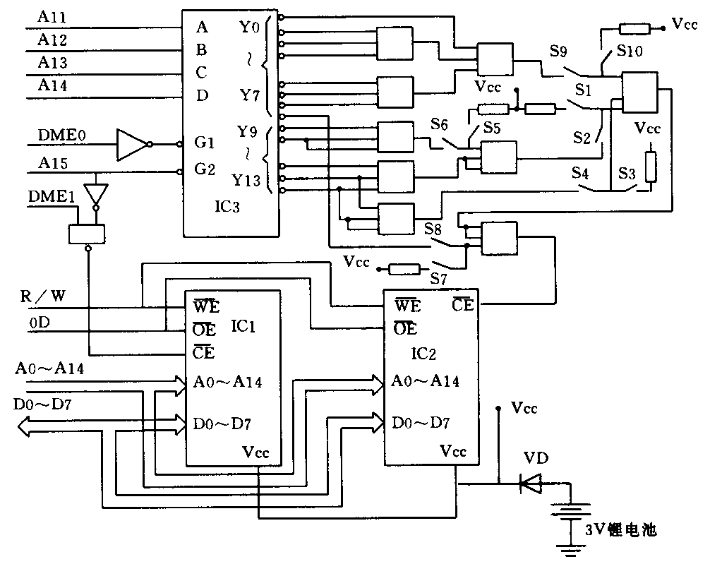
电路如图所示,左边部分的信号线均来自PC-1500的总线接口,A0~A15为接口总线的地址线。D0~D7为8位双向数据线。DMEO及DME1分别为0体和1体的存储器选择信号线,高电平有效。R/W为存储器的读写信号,该信号为高电平时,CPU读数据线上的数据;为低电平时,CPU将数据线上的数据写入与地址相对应的存储空间。0D控制线用于控制外部存储器的读允许,低电平有效。为了能使扩充的存储器地址与原有的存储地址形成一个连续的整体存储空间,在0体的地址译码时,采用了一片4线16译码器IC3,当DMEO有效时译出从0000H~7FFFH的32k地址空间,再通过与译码器输出相连的逻辑电路及开关控制电路,选出所需要的地址空间,与PC—1500系列计算机在配有各种存储模块时的地址空间相组合,达到28k的存储容量。(各种存储模块时的地址空间分布情况在此就不作更多的说明了。)若用“1”表示开关接通,用“0”表示断开,则在配有各种模块时,开关应置的状态如表1及2所示。当DME1有效时,通过DME1与A15的逻辑组合,使IC1的片选信号在0000H~7FFFH空间内有效,从而实现1体的32k数据存储空间的扩充,用户在使用1体存储空间时,必须使用带有#号的语句,这是PC-1500在编写程序时区别使用“0’体和“1”体的标志、两片存储器均采用了3V锂电池作为后备电源,以保证在Vcc没有的情况下,存储器中的内容不被丢失。

三、元器件选择
IC1、IC2为32k静态存储器62256。IC3为74HC154。三输入与门用3片74HC11。与非门用74HC04。二输入与非门用74HC00。开关采用10位微动开关。所有芯片电源均取自接口总线上的Vcc。(邓鸿甫)