不少无线电爱好者及音响“发烧友”都希望有一台高性能的收音调谐器,本文即向读者介绍一部性能价格比优良的FM/AM立体声数字调谐器套件。该套件包括数字电路板和模拟电路板两部分。

图1为数字电路板的原理图,它采用了NEC公司的μPD1708AG大规模集成电路,片内集成了单片微机、锁相环频率合成器、频率计数器及液晶显示驱动器等众多功能电路。该集成电路除可接收FM、AM、LW波段外,每波段均有6个存储器,可方便地存储常用电台频率。还具有时钟功能,在不收音时可显示时间。它具有外围电路简单、低电压、低功耗、无需调整等特点,其电参数参见附表。

本着“简洁至上”的设计原则,本机省略了LW波段和时钟功能。由μPD1708AG的第19脚到30脚及VD1~VD12、R1~R5、AN1~AN12构成键盘矩阵,其中AN8为波段转换按钮,可循环选择FM和AM;AN11/AN12分别为向上/向下手动选台;AN9/AN10为自动向上/ 向下扫描选台;AN1~AN6为6个存储按钮,AN7为记忆按钮,按下它与AN1~AN6中任一个相配合,可把常用的电台频率存储起来。第15及16脚与4.5MHz的石英晶体及C1、C2构成石英振荡器,用以产生精确的基准频率,供锁相环路计数用。第1和12脚分别为FM、AM和LW的压控电压输出。由于不用LW,故把这两脚并接后,通过R12、V2、V3、CW2的第2脚向模拟板输出调谐控制电压,这一电压直接加在模拟电路板上的高放、本振、调谐部分的变容二极管两端,同步地改变其容量来达到调谐的目的。第8、9脚分别为FM和AM的本振频率输入端,该频率受集成锁相环电路的控制及锁定。

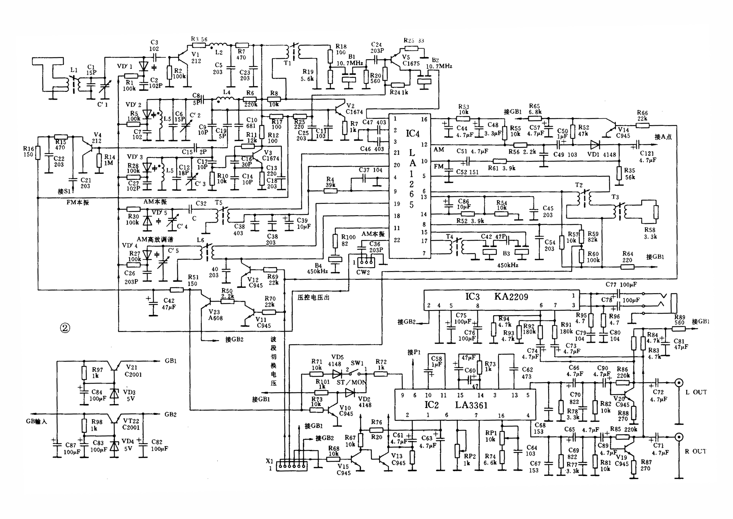
图2为模拟电路板的电路原理图,该电路板采用日本三洋公司的LA1265作调幅调谐、调幅调频的中放电路,内含调频中放、调谐指示驱动、鉴频;调幅高放、混频、本振、中放、检波、调谐指示、本振缓冲输出等电路。外电路中有一级高放和一级中放(调频波段),故调频灵敏度和选择性都很高。在图2中,VD'1~VD'3分别为FM的高放、本振及调谐回路的变容二极管,VD'4、VD'5为AM的本振及高放(调谐)的变容二极管,从数字电路板送来的控制电压同时加于上述5个变容二极管两端,这些变容二极管及相应的电感及阻容元件与IC4配合共同完成FM及AM波段的接收功能。IC4的第12脚输出AM信号,第10期输出FM信号,两个信号都通过C121送至立体声解码器IC2的输入端,同时受图1中IC1的静噪信号的控制,当选台不准或未选到电台时,复合信号被短路,立体声解码器无信号输出,扬声器中听不到选台时的噪声。IC4的第8脚为调谐指示驱动电路的输出脚,其输出信号可以驱动发光管或电平表,用以表示调谐的准确与否,在这里借用作SD(扫描停止)信号,当调谐正确时,8脚输出一个低电平,通过插座CW1控制图1中的V4导通,GB2加于IC1的停止扫描(SD)输出端(17脚),使扫描停止,电台锁定。IC1的31脚控制波段切换,FM时为高电平,AM时为低电平,利用该电平去控制模拟电路板上的V11、V12和V14来切换波段。FM时,切换电压为高电平,V11和V23导通,BG2电压加于V4,FM本振信号通过V4和C21加于IC1的FM输入端。同时,该电平还控制V12和V14两管导通,使AM高放调谐回路和AM输出信号均被短路,从而AM停止工作。当IC1的第31脚输出低电平时,与上述情况正相反,接收的是AM波段。
本机的调频立体声解码电路采用日本三洋公司的LA3361,这是一片设计相当成熟并且广泛应用的立体声解码集成电路,解码后的立体声信号经过一级单管甲类缓冲放大,送至线路输出端,可与高保真立体声扩音机配接,同时又输给双声道功放电路KA2209作功率放大,可作为监听输出。另外,模拟板上还设有立体声/单声道切换开关,可在调频信号较弱的地区进一步提高接收灵敏度。该板上还设有两组稳压电源电路,可适应电压不稳地区的需要。
数字部分的电路板上装有12只轻触按钮和大型液晶显示屏,屏后为两只管型低功耗高亮度灯泡,屏面与灯泡之间有橙色滤光片。
数字板和模拟板上已焊好元件并调试合格,可直接用来组装成高级组合音响中的调谐器。实际安装时,连接好两板间的接插件,外加12伏整流电源,可用一个功率约5W的电源变压器,次级电压11~12伏,采用全波整流,用4700μF的滤波电容,要求容量必须有保证,并且变压器应屏蔽良好,避免对收音部分产生干扰。另外,本电路出厂前已经微调,请不熟悉电调谐原理的读者不要轻易调整中周及微调电容,以免调乱。如感觉灵敏度不够或有自激现象应首先检查天线及电源部分是否符合要求,本机正常工作时的耗电电流约为180毫安。(王辉)
佛山市汾江电子仪器厂(佛山市水安路安宁街18号 邮编528000)邮售文中介绍的数调立体声调谐器原装进口套件,调试完好不含外壳、面板、电源,价170元,邮费每次6元。