四、机心加载状态检测:
录像机要执行输入的键盘操作,必须根据当前机器状态来确定进入状态转换的动作和时序。例如在停止状态按倒带键机器能立即起动进入倒带状态,但是在重放状态按倒带键,机器必须先终止走带把磁带退回来完成卸带过程才能进入倒带状态。机心加载机构的工作状态有很多种:停止、快进和倒带,重放和记录,加载和卸载过程,慢放和暂停,反向搜索,以及前面带盒仓状态检测提及的“排出”状态。机心状态检测一般都采用3联组合开关,它可以有8种编码状态。由于各家公司的录像机机心不尽相同,因此组合开关代表的机心状态也不一样,这里以日立427为例说明。
427采用旋转式组合开关S\(_{143}\),它实际上是一个同轴三联圆环旋转开关,每个开关有一根输出线输入微机,通过三个开关的通断可编成8种二进制码,分别代表机心的8种状态,附表是427旋转开关三根输出线电平和该机工作状态的关系。

开关外形和安装位置如图5所示,旋转开关的轴心上有一个三角形箭头,轴周围有一圈数字,分别代表开关所处位置对应的工作状态,旋转开关通过齿轮耦合由加载电机带动,它是和机心加载机构同步动作的。

旋转式开关的检测信号不仅是微机控制电机运行的依据,而且也是故障状态判断的依据,它检测了加载机构的动作是否顺利完成。427从停止到重放状态的加载过程设计时间是2秒,如果在加载过程中,由于机械传动机构的故障在10秒钟以内还不能到达放像状态,微机就判断机器有故障,执行停机保持程序。
五、磁鼓旋转检测:
走带状态下磁鼓的正确旋转是录像机正常工作的重要条件之一。如果因某种故障原因鼓被堵而卡死,鼓电机不转或转速显著变慢,那么磁带和磁鼓之间的摩擦力就增大,磁带将不能沿原来正常的螺旋线围绕磁鼓运行,造成磁带拉伤,严重时还会把视频磁头碰坏,这是必须避免的。磁鼓旋转检测是为此设置的,磁鼓转速(频率)与磁头开关脉冲频率、鼓FG信号频率成正比,磁鼓旋转检测利用这个原理有二种检测方法,(1)测量磁头开关脉冲SW25Hz周期法(如图6)和检测鼓FG转速法(如图7),目前家用录像机一般都采用前者。

(1)测量SW25Hz周期法:
磁头开关脉冲在正常情况下是稳定的25Hz,周期为40ms。如图6所示,将SW25Hz输入微机,微机用内部的时钟脉冲去测量它的周期,如果周期太长(即频率太低),微机就判断机器有故障,控制系统执行保护程序,输出卸带指令,等磁带收回来后再关掉电源。尽管各家公司设计的录像机判断故障数据有差异,但基本原理是一样的,一般都选取检测SW25Hz周期在正常值的二倍以上才判有故障。427录像机微处理机的判别数据是10Hz,小于10Hz为有故障,微机执行保持程序。读者从上面的介绍不难看出,磁鼓旋转检测只能判别磁鼓旋转中的“硬毛病”(旋转速度大幅度下降或停转),对于因磁鼓伺服电路故障引起的小范围转速不准或相位不对,该检测电路是无能为力的。
(2)检测鼓FG周期法
如图7所示,鼓FG信号经过磁鼓速度检测电路后,形成速度误差电压输出,该输出电压分成二路,其中之一送比较器比较,当鼓转速和标准转速相差太远时,误差电压变得不正常,比较器A输出电压改变特性(通常是由低电平变高电平),输入微处理机,微机就可以作出判断,执行保护程序。
六、主导电机旋转检测:
家用录像机磁带的驱动一般都以主导电机为动力。主导电机不仅要驱动走带状态磁带的运行,还要驱动收带盘的旋转,在倒带、卸带、快进状态下,收、供带盘的旋转也是以主导电机力矩驱动的,因此在一般情况下检测收带盘的旋转、CTL脉冲的频率就可判断主导电机的旋转情况。但是在卸带状态,斜导柱从加载位置退回到停止状态的过程中,原来绕在磁鼓上的磁带需要由供带盘旋转收回来,它需要主导电机驱动,而这时收带盘是刹住的,没有收带盘旋转脉冲和CTL信号送入微机,因此主导电机检测必须使用直接检测法,即将鼓FG信号经电路放大后输入微机检测,在卸带期间,如果没有鼓FG信号,就表示主导电机不旋转,微机就输出控制信号,停止加载电机动作,避免松弛的磁带被绞在机心里面,并且切断录像机电源以保护整机。
七、结露检测
录像机从寒冷处搬到温暖的室内,磁鼓表面就会结露,此时磁带会粘附在其上而受损坏,因此使用结露传感器将磁鼓表面结露状态信号输入微机,使微机封锁走带状态,同时利用电路功率晶体管产生的热量来预热机器,待结露消失后传感器输出检测信号,由微机控制系统恢复正常功能。一般装有结露传感器的录像机都具有结露指示显示“DEW”,图8是结露检测原理框图。

目前家用录像机结露检测多数都采用湿敏电阻,在正常情况下其电阻值较小仅kΩ数量级,而且随温度、湿度变化阻值变化不大。在结露状态下,电阻成千倍激增,为兆欧(MΩ)数量级。图8是目前常用的结露检测电路,湿敏电阻与一只兆欧级大电阻R串联成电缆分压器,正常情况下k点电压很小,输入电压比较器A进行比较,A输出低电平送微机,微机按正常状态控制机器运转。在结露状态,湿敏电阻值的增加使k点电平上升,比较器输出高电平送微机封镇所有涉及走带动作(指重放、记录、搜索)的键盘输入命令,同时点亮“DEW”结露指示,使录像机处于等待状态。427没有安装结露检测传感器,使用时要注意这个问题,冬天录像机一般从室外搬入室内后要开机预热半个小时才能工作。
八、供电断电检测:
目前流行的录像机都可在断电的情况下,使定时节目编程程度保持一段时间,保持时间的长短视充电电容的大小和微处理机的功耗而定。在断电之后,微机必须立即检测到这个变化,使机器转入低功耗状态运行。录像机一般都采用将输入交流电源整形,测量其周期的办法来判断是否断电,如果输入检测电路的交流输入电源周期大于某一个值,就表明录像机已经断电。
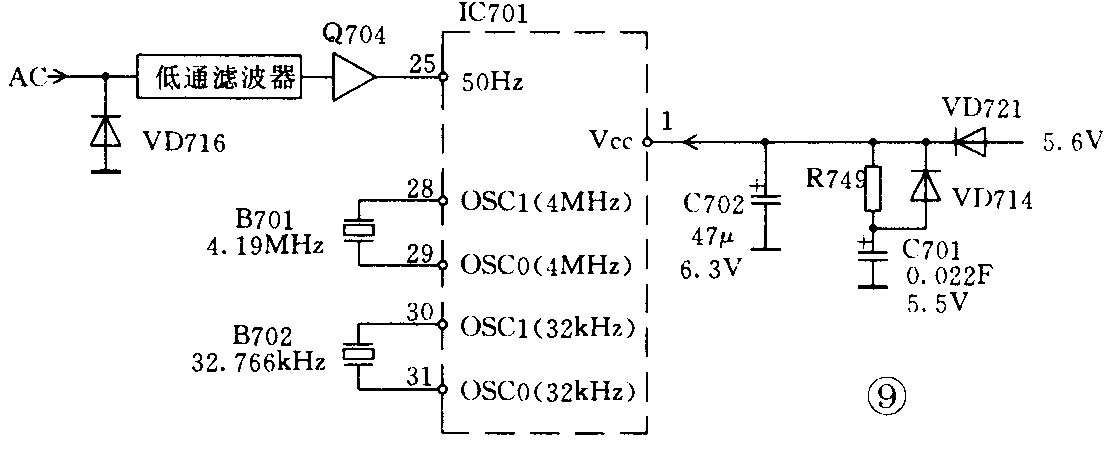
图9是427断电检测和掉电保护电路。从电源电路来的交流电源,加到二极管VD716的负极,经低通滤波器滤波后由Q704放大整形成规则方波脉冲,输入IC701—25脚,微机通过测量输入电源频率来判断是否停电。当电源周期T小于18.3ms时,微机判断使用的是60Hz电源,当T大于18.3ms而小于50ms时必定是50Hz电源,当大于50ms,微机就判断输入电源已经断开。427微机有二套时钟频率,4MHz和32kHz,其中32kHz为低功耗备用时钟,当断电时微机降低时钟频率为32kHz,同时关掉显示屏,以备用电源来保持IC701现在时钟的运行和保存节目编程程度。后备电源的电路较简单,图9中由VD721、VD714、R749、C701组成,二极管的作用是单向导通,充电时经D721和R749向C701充电,C701为储能低压大电容,427录像机中储能电容为0.022法拉。断电时,D721“正极”电压降低,二极管不导通,电容C701通过D714供给微机IC701电源,维持IC701的定时编程连续性。(於志根)
