万用表是用来测量交直流电压、电阻、直流电流等的仪表。是电工和无线电制作的必备工具。
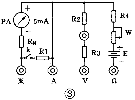
初看起来万用表很复杂,实际上它是由电流表(俗称表头)、刻度盘、量程选择开关、表笔等组成,如图1所示。使用时如果把量程选择开关指向直流电流范围时,电流表M并接一些分流电阻来实现扩大量程之目的(Rg为表头电阻),使它成为一个具有几个大小不同量程的电流表。测量结果要看刻度盘上直流电流刻度来读数。通常刻度盘上第二行为电流刻度,如图2所示。同样,如果量程选择开关指向直流电压范围时,表头串接另外一些电阻(如R2、R3,用串联电阻分压的原理,使它成为一个多程量的电压表见图3。读数要看刻度盘上直流电压刻度。大多数的万用表电压和电流合用一刻度。如果在测量直流电压的电路中接入一个整流器,便可测交流电压了。测电阻的原理与测直流电压相仿,只是测试时还须加一组电池。选择开关指向电阻范围时,刻度盘上找第一行电阻专用刻度读数即可。



万用表的型号很多,但其基本使用方法是相同的。现以MF30型万用表为例,介绍它的使用方法。
使用前的准备
第一,使用万用表之前,必须熟悉量程选择开关的作用。明确要测什么?怎样去测?然后将量程选择开关拨在需要测试档的位置。切不可弄错档位。例如:测量电压时误将选择开关拨在电流或电阻档时,容易把表头烧坏。第二,使用前观察一下表针是否指在零位。如果不指零位,可用螺丝刀调节表头上机械调零螺丝,使表针回零(一般不必每次都调)。红表笔要插入正极插口,黑表笔要插入负极插口。
电压的测量
将量程选择开关的尖头对准标有V~的五档范围内。若是测交流电压则应指向V~处。依此类推,如果要改测电阻,开关应指向Ω档范围。测电流应指向mA或μA。例1为测干电池的电压,见图4。测量电压时,要把电表表笔并接在被测电路上。根据被测电路的大约数值,选择一个合适的量程位置。干电池每节最大值为1.5V,所以可放在5V量程档。这时在面板上表针满刻度读数的500应作5来读数。即缩小100倍。如果表针指在300刻度处,则读为3V。注意量程开头尖头所指数值即为表头上表针满刻度读数的对应值,读表时只要据此折算,即可读出实值。除了电阻档外,量程开关所有档均按此方法读测量结果。

在实际测量中,遇到不能确定被测电压的大约数值时,可以把开关先拨到最大量程档,再逐档减小量程到合适的位置。
测量直流电压时应注意正、负极性,若表笔接反了,表针会反打。如果不知道电路正负极性,可以把万用表量程放在最大档,在被测电路上很快试一下,着笔针怎么偏转,就可以判断出正、负极性。
例2,测220V交流电。把量程开关拨到交流500V档。这时满刻度为500V,读数按照刻度1∶1读。将两表笔插入供电插座内,表针所指刻度处即为测得的电压值。测量交流电压时,表笔没有正负之分。测220V交流电时还必须注意安全,手不可接触到表笔导电部分,以防触电。
测10V以下交流电压时,应用10V~专用刻度来读数。它的刻度是不等距的。
此外,交直流量程开关不要搞错。如果误用直流电压档去测交流电压,表针不动或略微抖动。如果误用交流电压档去测直流电压,读数可能偏高一倍,或者为零。必须注意使用。
直流电流的测量
测量电流的时候,量程选择在mA范围。要把电表表笔串联在被测电路中。也要注意正负极,具体方法与测直流电压相同,这里不再赘述。
电阻的测量
在测量电阻前,先将量程选择开关拨至相应的Ω档位置。然后将两表笔短接。调节Ω调零旋钮。使表针偏转向右边的零点。若无法调节表针到零点,说明表内电池电压不足,需更换新电池。以后每次更换不同的电阻档时,必须重新调整欧姆零点。否则测出的电阻值会有误差。
测量时表针的读数还得乘上量程的倍率,才是所测之值。如量程选择开关指向R×10则乘10倍,R×100则乘100倍。测试方法是右手拿两表笔,左手拿在被测电阻的中间。或者拿在电阻的一个引脚。然后将表笔跨接在电阻的两引脚上。见图5。不允许手指接触两支表笔的或被测电阻的金属端,如图6,以免引入人体电阻,使读数减小,这对R×10k档测试尤其明显。同时,为了减少测量误差,应使表针尽可能指在刻度中心位置附近。例如测30kΩ电阻,宜用R×1k档而不用R×100Ω或R×10k档去测。


另外,电阻的R×10k档采用15V叠层电池,不可检测耐压很低的电子元件,以免损坏元件。测量电阻时虽然没有正负之分,但红表笔接表内电池的负极而带负电;黑表笔接表内电池的正极而带正电。在测试晶体管、电解电容器等有极性元器件时必须注意红黑表笔的连接。
其他注意事项
(1)万用表读数时视线应正对着表针。若表盘上有反射镜子,眼睛看到的表针应与镜子里的影子重合。
(2)为了提高测量精度,选取电压、电流量程时,尽量使表针偏转到满刻度的1/2或1/3处。
(3)测量电路(板)中的电阻时,必须将被测电路与电源切断,并且将电路中的电解电容器短路放电,以免损坏万用表。此外,万用表内的电池是供测量电阻用的。应避免由于无意中将两支表笔碰在一起造成短路,把电池白白浪费掉。
(4)对于频率较高的交流电及非正弦波电压,万用表测量会有很大误差。需改用晶体管毫伏表来测。
(5)万用表测试频繁,但每次使用完毕后,应将转换开关拨到交流电压最高一档,或者拨到标有off档处。以免他人疏忽误用时不慎损坏万用表。
(6)长期不用的万用表,应将电池取出。避免电池存放过久而变质,漏出电解液腐蚀电表。(谈小元)