能够把微弱的信号放大的电路叫做放大电路或放大器。例如助听器里的关键部件就是一个放大器。
放大电路的用途和组成
放大器有交流放大器和直流放大器。交流放大器又可按频率分为低频、中源和高频;接输出信号强弱分成电压放大、功率放大等。此外还有用集成运算放大器和特殊晶体管作器件的放大器。它是电子电路中最复杂多变的电路。但初学者经常遇到的也只是少数几种较为典型的放大电路。
读放大电路图时也还是按照“逐级分解、抓住关键、细致分析、全面综合”的原则和步骤进行。首先把整个放大电路按输入、输出逐级分开,然后逐级抓住关键进行分析弄通原理。放大电路有它本身的特点:一是有静态和动态两种工作状态,所以有时往往要画出它的直流通路和交流通路才能进行分析;二是电路往往加有负反馈,这种反馈有时在本级内,有时是从后级反馈到前级,所以在分析这一级时还要能“瞻前顾后”。在弄通每一级的原理之后就可以把整个电路串通起来进行全面综合。
下面我们介绍几种常见的放大电路。
低频电压放大器
低频电压放大器是指工作频率在20赫~20千赫之间、输出要求有一定电压值而不要求很强的电流的放大器。
(1)共发射极放大电路
图1(a)是共发射极放大电路。C1是输入电容,C2是输出电容,三极管VT就是起放大作用的器件,RB是基极偏置电阻,RC是集电极负载电阻。1、3端是输入,2、3端是输出。3端是公共点,通常是接地的,也称“地”端。静态时的直流通路见图1(b),动态时交流通路见图1(c)。电路的特点是电压放大倍数从十几到一百多,输出电压的相位和输入电压是相反的,性能不够稳定,可用于一般场合。

(2)分压式偏置共发射极放大电路
图2比图1多用3个元件。基极电压是由RB1和RB2分压取得的,所以称为分压偏置。发射极中增加电阻RE和电容CE,CE称交流旁路电容,对交流是短路的;RE则有直流负反馈作用。所谓反馈是指把输出的变化通过某种方式送到输入端,作为输入的一部分。如果送回部分和原来的输入部分是相减的,就是负反馈。图中基极真正的输入电压是RB2上电压和RE上电压的差值,所以是负反馈。由于采取了上面两个措施,使电路工作稳定性能提高,是应用最广的放大电路。

(3)射极输出器
图3(a)是一个射极输出器。它的输出电压是从射极输出的。图3(b)是它的交流通路图,可以看到它是共集电极放大电路。

这个图中,晶体管真正的输入是V\(_{i}\)和Vo的差值,所以这是一个交流负反馈很深的电路。由于很深的负反馈,这个电路的特点是:电压放大倍数小于1而接近1,输出电压和输入电压同相,输入阻抗高输出阻抗低,失真小,频带宽,工作稳定。它经常被用作放大器的输入级、输出级或作阻抗匹配之用。
(4)低频放大器的耦合
一个放大器通常有好几级,级与级之间的联系就称为耦合。放大器的级间耦合方式有三种:①RC耦合,见图4(a)。优点是简单、成本低。但性能不是最佳。②变压器耦合,见图4(b)。优点是阻抗匹配好、输出功率和效率高,但变压器制作比较麻烦。③直接耦合,见图4(c)。优点是频带宽,可作直流放大器使用,但前后级工作有牵制,稳定性差,设计制作较麻烦。

功率放大器
能把输入信号放大并向负载提供足够大的功率的放大器叫功率放大器。例如收音机的末级放大器就是功率放大器。
(1)甲类单管功率放大器

图5是单管功率放大器,C1是输入电容,T是输出变压器。它的集电极负载电阻Ri′是将负载电阻RL通过变压器匝数比折算过来的:
RC′=(\(\frac{N1}{N2}\))\(^{2}\)RL=N2RL
负载电阻是低阻抗的扬声器,用变压器可以起阻抗变换作用,使负载得到较大的功率。
这个电路不管有没有输入信号,晶体管始终处于导通状态,静态电流比较大,困此集电极损耗较大,效率不高,大约只有35%。这种工作状态被称为甲类工作状态。这种电路一般用在功率不太大的场合,它的输入方式可以是变压器耦合也可以是RC耦合。
(2)乙类推挽功率放大器
图6是常用的乙类推挽功率放大电路。它由两个特性相同的晶体管组成对称电路,在没有输入信号时,每个管子都处于截止状态,静态电流几乎是零,只有在有信号输入时管子才导通,这种状态称为乙类工作状态。当输入信号是正弦波时,正半周时VT1导通VT2截止,负半周时VT2导通VT1截止。两个管子交替出现的电流在输出变压器中合成,使负载上得到纯正的正弦波。这种两管交替工作的形式叫做推挽电路。

乙类推挽放大器的输出功率较大,失真也小,效率也较高,一般可达60%。
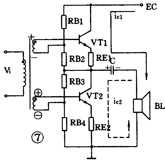
(3)OTL功率放大器
目前广泛应用的无变压器乙类推挽放大器,简称OTL电路,是一种性能很好的功率放大器。为了易于说明,先介绍一个有输入变压器没有输出变压器的OTL电路,如图7。

这个电路使用两个特性相同的晶体管,两组偏置电阻和发射极电阻的阻值也相同。在静态时,VT1、VT2流过的电流很小,电容C上充有对地为12E\(_{c}\)的直流电压。在有输入信号时,正半周时VT1导通,VT2截止,集电极电流ic1方向如图所示,负载RL上得到放大了的正半周输出信号。负半周时VT1截止,VT2导通,集电极电流i\(_{c2}\)的方向如图所示,RL上得到放大了的负半周输出信号。这个电路的关键元件是电容器C,它上面的电压就相当于VT2的供电电压。
以这个电路为基础,还有用三极管倒相的不用输入变压器的真正OTL电路,用PNP管和NPN管组成的互补对称式OTL电路,以及最新的桥接推挽功率放大器,简称BTL电路等等。(俞鹤飞)