晚间城市被五彩缤纷的彩灯打扮得十分漂亮,有闪烁的灯,有流动的灯,还有各种霓虹灯。它们大多是由电子电路所控制的。
本文介绍的小小循环灯虽然只有三只发光二极管,却可以模拟街头流动的彩灯。它的原理也有广泛的应用。通过制作,同学们可以学到许多知识,提高自己的动手能力。

这是一个由三只三极管组成的循环驱动器。它的电路如图1所示。电路是这样工作的:当电源一接通,三只三极管就要争先导通,但由于元器件有差异,只有某一只管子最先导通。假如VT1最先导通,那么VT1集电极电压下降,使电容C1的左端接近零电压,由于电容器两端的电压不能突变,所以VT2基极也被拉到近似零电压,使VT2截止。VT2集电极为高电压,那么接在它上面的发光二极管就亮了。此刻VT2集电极上的高电压通过电容器C2使VT3基极电压升高,三极管VT3也将迅速导通。因此在这一段时间内,VT1与VT3的集电极均为低电压,只有接在VT2集电极上的发光二极管亮,而其余两只发光二极管不亮。随着电源通过电阻R3对C1的充电,使三极管VT2基极电压逐渐升高,当超过0.6伏时,VT2由截止状态变为导通状态,集电极电压下降,发光二极管熄灭。与此同时三极管VT2集电极电压的下降通过电容器C2的作用使三极管VT3的基极电压也下跳,VT3由导通变为截止。接在VT3集电极上的发光二极管就亮了。如此循环,电路中三只三极管便轮流导通和截止,三只发光二极管就不停地循环发光。
图2是电解电容器、三极管及发光二极管的符号及外形图。图3是电路板图。图4是电路板实体图,供初学者参考。



全部电阻均为1/8W碳膜电阻。R2、R4、R6为2.7k(红、紫、红);R1、R3、R5为13k(棕、橙、橙)或15k(棕、绿、橙)。电解电容器全部为33μF~100μF。当电容器容量较大时,循环灯循环的速度就慢些。三极管为3DG6、3DG57、或9014等NPN型任何型号的小功率三极管。电源电压为6伏。
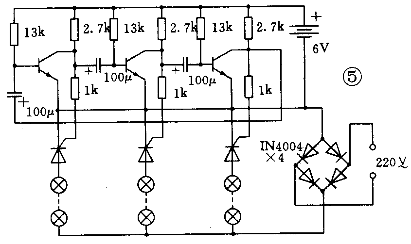
当你成功地做完这个小电路后,你可能想做一个真正的循环灯,其实这并不难,只要在这个电路的基础上增加三只可控硅及少量元件就可以驱动数十只彩灯,用220伏交流电来点亮它们。
图5是这个电路的电原理图。单向可控硅可选用1A600V的,如MCR100-6等。每组灯泡可用12伏的小电珠20~30个串联起来,然后将三组灯泡间隔挂起来,循环灯就做好了。制作时要注意安全,绝不可带电操作。(周海)
