QX系列语音录放电路的核心部分为语音处理器MSSV001大规模CMOS集成电路,它内含8位D/A、A/D转换器、话筒放大器、前置功率放大器等。其外部连接DRAM随机动态存储器。整机电路采用6V~9V单电源供电,静态电流仅10μA,工作电流8mA~20mA(典型值),具有电路结构合理,外围元件少,灵敏度高,声音清晰,价格便宜等特点,可直接应用于各种语音电子产品。现分别介绍如下:
QX21可控型录放电路
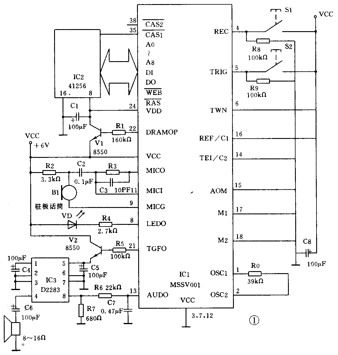
图1是电原理图。S1为录音键,S2为放音键。录音时按一下S1,VD亮,表示电路进入录音状态,VD灭,录音结束,电路自动将录入的内容重放一遍,并将语音信号变换成数字信号存储在IC2中。需要重放时,只要按一下S2即可。若要改变原录音内容,则按一下S1,IC2清零,再按S1,VD亮,电路再次进入录音状态。

为了减小电路的静态功耗,图1电路中安排了三极管V1和V2构成2个电子开关。当电路静态时,IC1第呈高电平,呈低电平,V1、V2均截止。当电路工作时,IC1的输出低电平,输出高电平,V1、V2饱和导通,分别接通IC2和IC3的电源电路。
QX22的电路原理与QX21相同,不同的是QX22处接2个DRAM256存贮器,录放时间为16~32秒,而QX21只接一个存储器,录放时间为8-16秒。
适当调整图1中R0的电阻值,可改变电路的采样速率和录放音时间长短。
应用QX21、QX22电路,可开发生产家庭留言器,微型固体录音机、留言门铃、电脑记忆喊话器等新颖电子产品。
QX11、QX11S即承即放电路
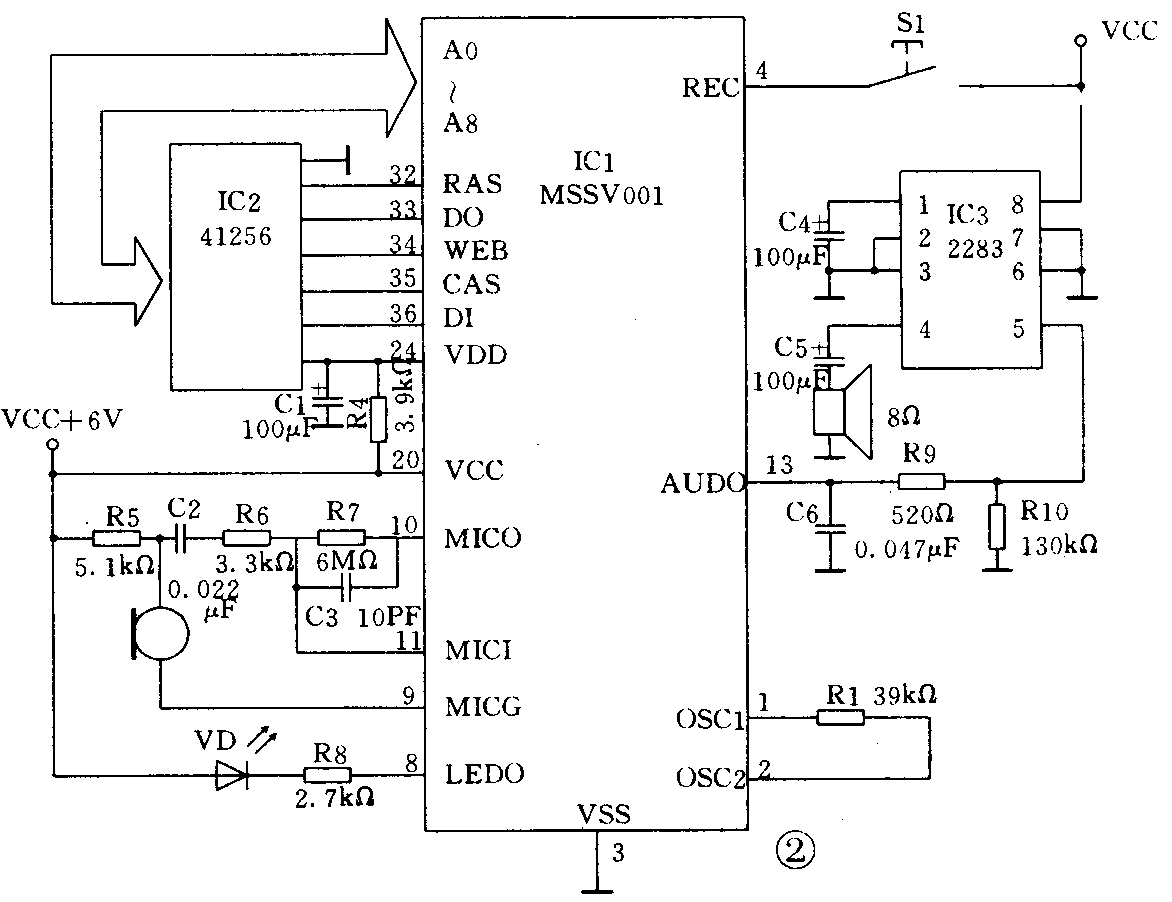
QX11电路运用于组装语言学习机,儿童学话玩具等。图2是电原理图。按S1键,VD亮,显示为录音状态,经过8~16秒钟,VD灭,电路进入放音状态,自动将录入的内容播放一遍,放音结束,VD亮,电路再次进入录音状态……如此循环四次后,VD灭,电路恢复待机状态。

QX11S在电路内部已将IC1第⑧脚和第④脚连接在一起,使电路具有无限次循环的功能。当接电源时,电路就工作于录音——放音——录音——放音的自动循环状态,直至断开电源为止。QX11S的电原理图与QX-11相同,在实际使用时可省掉微动开关S1。
QX11B自动变调录放电路
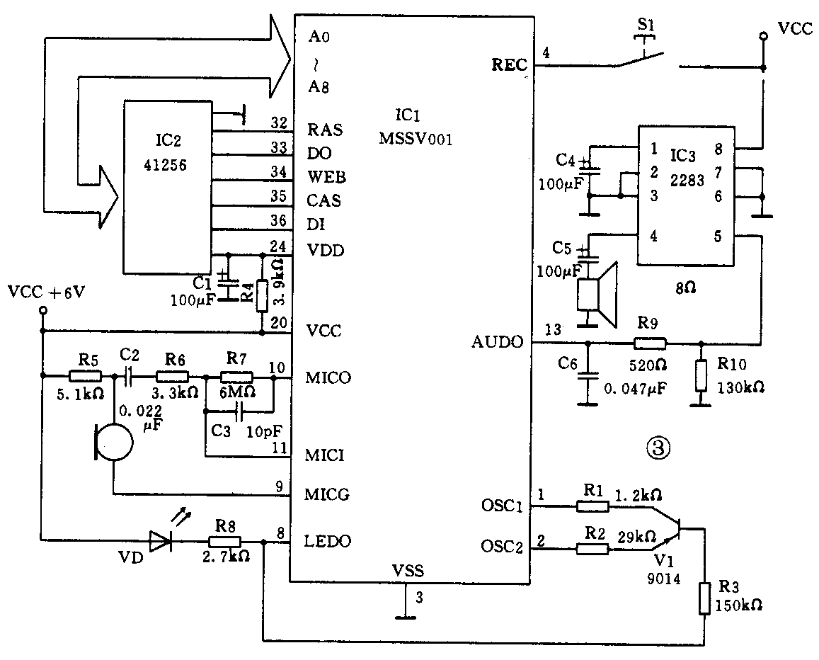
图3是QX11B电路原理图,图3与图2不同之处是显而易见的,图2中①、②脚之间的电阻R0在图3中由R1、R2和三极管V1的C、E极电阻Rce构成的组合电阻所取代,V1基极通过电阻R3接IC1第⑧脚。当录音时,IC1第⑧脚呈低电平(VD亮),V1截止,Rce是高阻(约30kΩ左右),电路按正常采样速率进行录音。放音时,IC1第⑧脚呈高电平(VD灭),V1导通,Rce呈低阻,电路按快于正常采样速率放音,从而实现自动变调。利用IC1⑧脚电平的变化特点,还可以通过三极管功率开关控制玩具电机,再配一套简单的机械小装置,就能实现张嘴、展翅等机械动作,使玩具栩栩如生。QX11B最适合装置“电子鹦鹉”等高级玩具。

QX20T电话自动应答电路
图4是QX20T电路的原理框图。整机电路由电话接口电路,振铃延时开关电路,铃流检测电路和固体录音电路等组成。它直接与市话线连接。使用时当电话连续振铃三次而无人摘机时,电路接通,并自动应答。应答完毕TEL端输出一个16ms的负方波,利用它可去触发控制磁带录音机进行录音。该电路板体积小,可直接接入电话机内,也可单独成盒。QX20T电路还可兼作语言学习机和留言器。

广州袖珍计算机中心邮购部:供QX11、QX11S、QX11B, QX21成品板42元,QX22成品板52元,QX20T成品板88元。每次邮费5元。MSSv001/18元,印板2元。41256A/10元。应用资料每份5元。东风东路745号,邮码:510080.开户帐号:广州建行环市东办208-261123-70。(王南阳)