一台飞利浦D1875型12波段收音机短波9个波段完全无声,而其他波段收音正常。
短波波段频道开关9个波段均接触不良的可能性很少,因此先检查波段开关短波段是否接触不良。可打开后盖,测量短波部分相应波段开关焊点。根据线路图,当波段开关SK-B拨到SW波段时,23脚应与25脚相通,这是短波本振和混频电路供电的控制部分。其余与短波有关的部分均同属AM波段,而MW、LW均正常就不必检查。检查未发现波段开关有接触不良的故障。
再仔细分析,发现短波波段非但不能收音,连“沙沙”声也没有,这说明本机振荡电路不正常,需拆开机心检查电路元件。
D1875收音机电路形式比较独特,它不像通用的多波段收音机只需一片集成电路(如采用CXA1019)即可包括从高放到音频功放的全部电路。D1875采用μPC1018担任AM混频和AM/FM中放,另用BA526集成块作音频功放。其余均由分立元件组成;就连短波段的混频电路亦采用分立电路,而不用μPC1018的AM混频部分。这样做的目的是提高短波的灵敏度。实际上D1875收音机短波灵敏度高于单片集成电路多波段收音机,而且噪声相对也小一些。由于D1875电路特点给维修带来某种方便,修理时只需更换某个损坏元件,而不必调换价格较高的整块集成块。
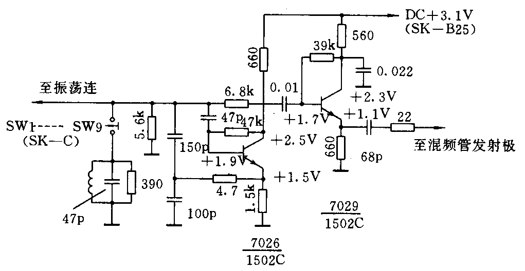
根据该机本振电路(参见附图),7029/1502C为本振管,其型号为飞利浦公司1502C,它的损坏可能性较大。

仔细卸下机心,由于D1875结构紧凑,必须小心从事。对照线路图找出本振管7029所在位置,开机测量该管子的工作点,与图注明的基本一致,说明电路的供电及偏置电压均正常。再用吸锡器将管子卸下,用三用表测量发现集电极——发射极正向电阻偏小约20kΩ(MF-30表),再粗略检查其放大作用,发现已无放大倍数,由此断定该管已失效。
采用廉价的CS9018塑封管进行代用,一开机就能听到本机振荡的“沙沙”声,各个波段收音均正常,故障排除,且其灵敏度恢复到原来水平,而仅花了几角钱的元件费。(任荣镇)