目前录音机中广泛用集成电路构成各种放大器、控制器及功能控制电路。同功能的集成电路由于型号不同其各引脚作用也不同。在了解了集成电路的引脚作用后,再阅读集成电路应用电路图便方便多了。集成电路的引脚作用可以通过查相关资料得到,也可以通过分析内电路知道,还可以根据引脚外电路的特征获知。下面介绍录音机中用得最普遍的前置和功放集成电路的引脚作用。
一、前置集成电路的引脚作用识别规律
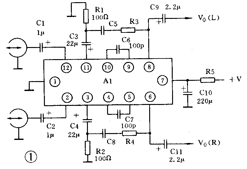
以图1双声道前置集成放大器电路为例,介绍这种集成电路主要引脚的作用。前置集成电路的主要引脚有输入、输出、负反馈、电源、地、补偿、ALC等引脚。

1.输入引脚识别规律:输入引脚一般通过一只1~5μF级耦合电容与放音磁头相连,以此特征可方便地识别出哪一个是输入引脚,见图1中的、②脚。对于输入引脚外电路的特征还要补充说明几点:
(1)一般双声道电路左、右声道各一个输入引脚,电路对称。有一种用于双卡机或A、B面连续放音机器中的双声道四输入端前置集成电路如TA7784P等,它有4个输入端,通过内电路中的电子开关来转换两组输入端。
(2)在低压供电的放音机中,集成前置电路的输入引脚直接与放音磁头相连(无耦合电容隔直),此时输入端不仅要输入放音信号,还要馈入直流偏置电流给输入级放大器电路。
(3)放音卡中输入引脚通过耦合电容与放音磁头相连,而录放卡的输入引脚回路中除耦合电容外,还设有录放开关,因为录放磁头通过录放开关在录音时作为录音磁头之用。
2.输出引脚识别规律:输出引脚通过一个1~10μF耦合电容与后级放大器相连,或与功能开关相连,见图1中的⑧、⑥脚。双声道集成电路有两个输出引脚,单声道集成电路只有一个。
3.负反馈引脚识别规律:负反馈引脚通过一个电解电容和一个电阻与地相连,见图1中的、③脚,电容为22μF或47μF,电阻为几百欧姆。负反馈引脚上接入负反馈式放音低频补偿网络。以此特征可方便地找出负反馈引脚。双声道集成电路左、右声道各有一个负反馈引脚,单声道集成电路则只有一个。
4. 电源和接地引脚识别规律:接地引脚与地直接相连,这很好分辨。电源引脚与地之间有一只几百微法的退耦电容,并有退耦电阻相连,见图1中的⑦脚。如若图中各引脚标出了直流工作电压,则电压数值最大的引脚为电源引脚。在双声道集成电路中,电源和接地引脚都有可能多于1个。
5.补偿引脚识别规律:补偿引脚是用来接入消振电容的。补偿引脚成双出现,见图1中的⑨和⑩脚、④和⑤脚,此时引脚间接一只100pF大小消振电容。
6.ALC电路控制引脚识别规律:该引脚与地之间接录放开关或电子开关管,放音时该引脚被接地,录音时开关断开,凭此可方便地分辨出ALC电路控制引脚。
在一些前置集成电路中,除上述引脚外还有静噪引脚、旁路引脚等,它们的外电路都有一定的规律,可自行总结出它们的识别规律。
二、OTL功放集成电路的引脚识别规律
这里以图2所示的OTL功放电路为例,介绍它的主要引脚的外电路。功放集成电路的主要引脚有输入、输出、负反馈、自举、静噪、电源和接地引脚等。在双声道功放集成电路中,输入、输出、负反馈、自举、补偿引脚为左、右声道各一个,且外电路相同。

1.输入引脚识别规律:输入引脚经一个几微法耦合电容与音量电位器动片相连,见图2中时、①脚。但也有例外,有的功放集成电路输入脚回路中无隔直电容,而是用一只电阻与音量电位器动片相连。
2.输出引脚识别规律:输出引脚经一个1000μF左右电容与扬声器电路相连,见图2中的⑦、⑤脚。
3.负反馈引脚识别规律:该引脚外电路特征与前置集成电路负反馈引脚外电路特征相同,但有时将交流负反馈电阻设在功放集成电路的内电路中,外电路中只有一只“隔直通交”的电容与地相连。功放集成电路的交流负反馈电阻的阻值为几十欧姆左右,这是因为信号电流较大。
4.自举引脚识别规律:该引脚与输出引脚之间接有一只几十微法的自举电容。有一种例外情况:即在自举电容回路中再串一只电阻。
5.静噪引脚识别规律:静噪引脚与地之间有一只47μF左右静噪电容,当该引脚与其间还接有开关管时,更容易分辨出静噪引脚,见图2中的③脚。
6.电源和接地引脚识别规律:电源引脚直接与整流电路输出端相连(其间没有退耦电阻),该引脚与地之间接有一只几千微法的滤波电容和0.01μF左右的高频滤波电容,见图2中的⑨脚。在双声道功放集成电路中,可以有多于1个的电源引脚和接地引脚,但对OTL功放集成电路而言,不会有正、负电源引脚。(胡斌)