电源调整电路工作原理
上期我们介绍了AC适配器中的RF变换器和AV接口电路,本文讲解电源调整电路的原理和检修。
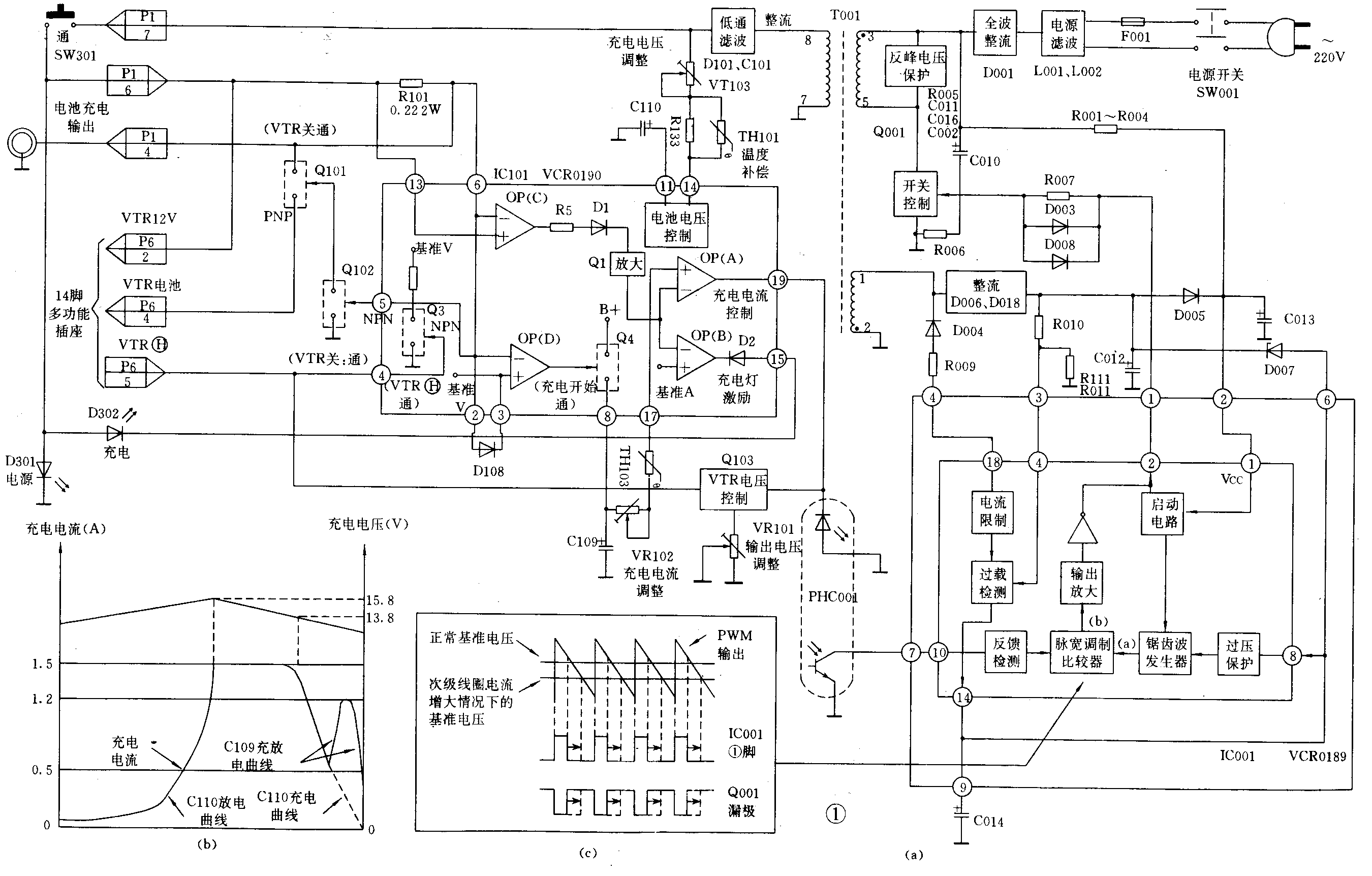
电源调整电路的原理框图如图1所示,是由开关稳压电路和充电控制电路两大部分组成的。其中,厚膜集成电路IC001(VCR0189)和大功率场效应晶体管Q001(2SK954)、开关变压器T001等组成了开关稳压电路;充电控制电路则由厚膜集成块IC101(VCR0190)为核心组成。下面首先介绍前者原理。

220V交流市电经电源开关SW001、保险管F001及电源滤波器(由L001、L002、C001、C002等组成)后,加到D001上进行全波桥式整流,再经电容C010滤波,得到了310V左右的直流电压,送至Q001,作为大功率开关控制电路的工作电源。IC001及少量外围元器件组成自激脉冲振荡器(锯齿波发生器)、脉冲宽度调制器、输出驱动放大器等。由IC001②脚输出脉宽调制信号,经R007、D003、D008等加到功率开关管Q001G(控制)极,激励Q001工作,使Q001D(漏极)输出幅度达数百伏,由脉冲变压器T001③⑤绕组通过磁感应分别在另外三组绕组(①②、⑦⑧、⑥⑨,其中⑥⑨绕组在图1中没画出)上获得低压脉冲电压。
T001①②绕组电压由D006、C012、D005、C013整流滤波后,获得18V左右的直流电压,加到IC001②脚,作为IC001的电源电压。IC001内有超压及过载(过流)保护电路。当D006整流输出电压超过27V时,稳压管D007击穿导通,高电平加至IC001⑥脚,使IC001内的保护电路启动并自锁,切断IC001②脚输出脉冲,故Q001停止工作,同时IC001也停止工作,从而保护了IC001、Q001等不致过压损坏。IC001③脚是过载检测端,检测电压是由电阻R010、R011对D006整流输出电压分压后取得。当电路过载,流过D006的电流过大时,D006输出电压下降,R011分压相应降低,若降至使IC001③脚电压低于3V(正常时③脚电压约为3.9V),③脚内的过载保护电路就启动,关闭脉冲振荡器,振荡器停振,IC001和Q001等均停止工作,避免了过载损坏元器件,起到保护作用。
由于IC001电源电压取自T001①②绕组整流电压,而在电路每次接通电源初始,因尚无振荡,①②绕组无电压输出,故IC001需加入启动电压,该电压就是经电阻R001~R004从市电整流电压上直接取得的,通过IC001②脚加至IC001内的启动电路上。启动电压不能小于5V,否则IC001便不能启动工作。
T001⑦⑧绕组脉冲电压经D101、C101整流滤波后输出12V(空载可达20V,充电时为13~16V)直流电压,作为电池充电或摄像机供电电压。T001⑥⑨绕组脉冲电压经 D102、C103、L102、C104整流滤波后得到6V左右直流电压。由于T001⑥端直接接在D101负端(即12V端),因而D102负极对地电压实际在18V以上(空载时可达24V左右),如图2所示。D102输出电压一路送至三端稳压块IC102(μPC78M12H)①脚,经其稳压后输出12V稳定电压,通过插件P1①(见上期图1)向RF变换器和AV接口电路供电。另一路由C104、L102进一步滤波后送至IC101,作为IC101的工作电源电压。

D102输出电压还经电阻R119加至光电耦合器PHC001(PC111A)上,作为PHC001内发光管的工作电压。PHC001是稳压电路的隔离反馈器件,其主要连接关系已示于图2中。当T001副边绕组电压因某种原因降低时,将引起PHC001内发光管电流减小,光强减弱,其光敏三极管电流亦随之减小,两端电压下降,该电压加至IC001⑦脚(反馈检测端),改变1C001①脚输出脉冲的占空比,从而使Q001导通时间增加,T001副边绕组电压上升。反之亦然。这种反馈检测、调整的结果便保持了输出电压的相对稳定,其调整的主要波形关系如图1(c)所示。
PHC001内的发光管电流大小还受充电控制集成块IC101输出电平和Q103(2SD636)的调整。该器设计充电开始时的充电电流为1.2A,充电电压为13.8V。电池充电时,充电电流通过取样电阻R101而产生压降,加在IC101⑥、两脚,经IC101内的运放器(OP)等比较、放大后,分别从脚输出充电电流、控制电平和充电指示灯激励电平。随着充电的进行,充电电流不断减小,R101压降亦减小,故使IC101电平相应降低,PHC001发光管电流减小,充电电压慢慢上升。当充电电流减小到150mA以下时,IC101脚由低电平变为高电平,使充电指示灯D302熄灭,表示电池已充了相当的电能,但此时的电池并未完全充足,需在小电流状态下维护充电一段时间才能满足正常使用要求,一般充电90分钟左右D302便会熄灭,而正常充电一次要求时间为180分钟以上。
该器具有充电/供电转换功能,是由开关管Q101、Q102和IC101中的Q3等组成的,控制电平来自摄像机。当接通摄像机操作(电源)开关时,摄像机通过14脚连接器和AC适配器插件P6⑤等向IC101④脚送入高电平,使Q3导通,⑤脚输出低电平,故Q102、Q101截止,P6④不输出充电电压给摄像机内的电池,P6②则向摄像机提供12V工作电压,使摄像机获得AC适配器供给的电源而工作,此时即为供电状态。当摄像机操作开关断开时,P6⑤为低电平,此时Q3截止,Q102、Q103导通,P6④获得充电电压,向摄像机内的电池充电;充电电压同时经P1④向AC适配器的连接器供电,在连接器上安置的电池同样可充电;还可同时对内外两个电池充电,只是充电时间也需延长一倍。
在供电状态,Q103基极上连接的VR101可调整输出电压高低。电路中的VR103用来调整充电电压,调VR103使充电电压低于13.8V时C110充电,高于15.8V时C110放电。电池充电特性见图1(b)。
电源调整电路常见故障检修
1.完全无电压输出
合上电源开关SW001后,无电压(含VIDEO12V)输出,这种故障通常是开关稳压电路不工作引起的。检查方法是:(1)测量C010两端是否有市电整流输出电压(300V左右)。若无,应查熔丝F001、D001等损坏否。(2)测量Q001D、S极间是否有300V左右电压。若无,应查R006是否烧断、T001③、⑤连接有无问题。在以上两项检查中若查出F001、D001、R006中只要有一个被烧坏,接着就要查C010及Q001是否损坏。一般Q001损坏后其D、G对S电阻很小或∞,且无正反测的明显区别,故不难判断。(3)若以上均正常,则查启动电阻R001~R004是否变值及开路。(4)查T001①②绕组及R016、D005、D006、C012、C013。(5)查IC001③脚电压,若过低则再查R010、R011分压电路。
造成本故障的原因一般以Q001、C010、F001、R001~R004损坏为较常见。换件时,F001需用T1A快速熔丝。Q001若购不到原型号管,可用2SK1119、2SK955、2SK727、BUZ54、BUZ358等型场效应功率管代换。
2.无充电电压输出(供电给摄像机正常)
检查步骤:(1)查P6⑤是否为低电平(摄像机操作开关断开)。(2)查IC101④脚是否为低电平(-0.1V左右),若拔去摄像机14脚插件,该脚仍为高电平,说明IC101④脚电路有问题,一般以外电路漏电可能性为大,IC101内电路损坏可能性为小。(3)查IC101⑤脚是否为高电平,若不是则IC101⑤脚电路损坏。(4)分别检查Q101、Q102及其连接电路。
3.内充电电压正常,外充电无电压
故障一般在D303、R105~R107、P1④及外充电电池接头上,主要是断路引起。若外充电正常、内充电无电压,则查D103、P6④及14脚插件是否断路。
4.充不进电或充电不足(有充电电压)
对此首先要排除蓄电池损坏或不良的可能。然后对输出电压和充电电压、电流作检查和调整,如下:(1)将AC适配器的14脚插件插入摄像机,启动摄像机至放像状态,调整VR101,使P6①③电压为13±0.3V。(2)按图3连接好调整充电电压和电流的电路。随后调稳压电源输出电压为14V,再调R1使电流表A2的读数为3A。然后连接上适配器电池夹,调VR102,使A1的读数为1.5±0.05A。接着调稳压电源输出电压为15.3V,再调VR103,使TP101(IC101脚)电压从约15V变为约0.5V即可。注意TP101电压要用示波器或高阻电压表测量。若调整不正常,应查VR101~VR103及其相应电路,还有IC101电压(24V左右)及PHC001等。

5.无VIDEO 12V输出
此故障仅使RF变换器和AV接口不工作,一般是三端稳压器IC102损坏或脱焊、断线所致。若IC102损坏,可用国产W78M12直接代换。(王德沅)