本文介绍一种发烧友期望已久的大型音响功放电路—皇后AMP1200,它具有增益高、失真小、动态频响宽、功耗低(使用电压仅常规电路的2/3)、输出功率高(最高可达200W)的特点。选用皇后功放,不用外接任何外围元器件,不用调试就能方便地制作出高质量、大功率的音频功率放大器。
皇后功放的电参数见附表。用此功放组成单声道电路的接线方法见图1。双声道电路可采用两只皇后功放并共用一组电源组成。从图1可知,此电路十分简单,只要具备合适的正、负极电源,皇后功放就能为你很好地工作。


为了便于使用皇后功放,以下谈谈安装及注意事项。
1.皇后功放必须安装散热器才能工作。散热器的面积一般情况下为250×250×5(mm),如经常处于满载工作情况下,散热器面积应尽量加大。通常以保证皇后功放表面温度不超过60℃为好。有条件的可采用仪表风扇进行风冷散热,以达到最佳散热效果。皇后功放本身的散热片已和内部电路隔离,安装时无需另加绝缘片,但必须涂上一层硅脂,使外加的散热器与皇后功放散热片大面积平面接触,以利导热。
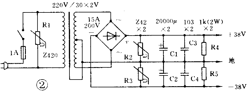
2.附表列出的工作电压值是直流供电电压,设计供电电路时请勿超出皇后功放的极限电压,以免损坏电路及扬声器。图2所示为适合皇后功放使用的电源供给电路。其中输入输出端并接了压敏电阻,能有效地防止外来脉冲干扰以及起到超电压保护作用。由于皇后功放的输出功率大,并工作在低压的电源中,因此要求电源的内阻尽可能小,电源变压器的功率应有一定余量。一般制作单声道电路时变压器的功率应大于150W,最好选200W的,并且要求次级绕组电流大于3.5A,滤波电容器的容量不小于15000μ,整流二极管或桥堆的额定整流电流要求大些,以减小整流电路的动态内阻。

3.皇后功放出厂时配有5只引脚插脚,制作放大器时把有关引线焊接在插脚上,然后插入皇后功放的引脚上。严禁直接在皇后功放引脚上焊接。装配时各条引线不要扎在一起,应松散分开走线,以防止高频自激。另外,电源引线应尽可能短,除输入线外,其它引线应使用能流过5A电流的粗导线。
4.因皇后功放的输入阻抗很高,输入端的引线应采用屏蔽线,并尽可能做到阻抗匹配,最好不要直接在低阻抗的耳机插座上取得信号。(蔡凡弟)