大家知道,数字钟显示屏上,分十位数仅显示0~5六个数码,而每个数码的显示只不过是七段数码管上各笔划段所加电平不同而已,参见表一。仔细观察表一后可以发现,只要取出a、e、f三条笔划段的电平作比较就可以区别开0~5这六个数码,见表二。
表一
a b c d e f g
0 1 1 1 1 1 1 0
1 0 1 1 0 0 0 0
2 1 1 0 1 1 0 1
3 1 1 1 1 0 0 1
4 0 1 1 0 0 1 1
5 1 0 1 1 0 1 1
表二
a e f
0 1 1 1
1 0 0 0
2 1 1 0
3 1 0 0
4 0 0 1
5 1 0 1
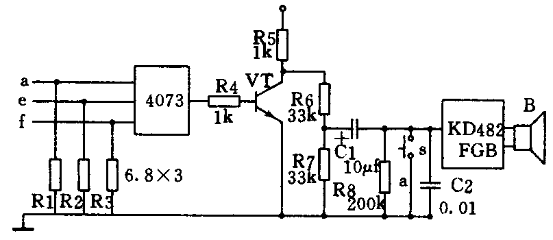
利用上述原理设计的整点报时电路,如图所示。当数字钟运行到整点时,分十位数必然为0,这时分十位数码管的a、e、f三笔划段上的电平皆为1,驱动管集电极电平为0,此低电平经微分电路后去触发乐曲打点报时电路,再经喇叭向外准确报时。

在附图中,4073为CMOS三输入端集成电路,三极管为9013用9014也可行,电阻R6、R7用于限定报时电路的触发电平幅度,C1、R8微分电路保证报时电路在计时电路整点零分钟之前有足够的闭锁时间防止在整点时有第二首乐曲被触发,按键K是为调报时点数而设置的,C2可防止报时电路的误触发。
该电路适用于任何型号数字钟芯片装置成的数字钟,只要把a、e、f三端正确焊接到分十位的a、e、f三个脚上即可。
表三给出了几种常用芯片十位a、e、f的管脚。

报时电路可选用KD482FGB,它为双音控制,低电平触发。(胡大有)