本文介绍的家电保护器功能齐全,具有以下特点:1、带有LED中型电子钟,可对家电进行定时延时开关机自动控制。2、时基电路有市电50Hz工频和石英晶振60Hz数字分频二种方式供选择,可外接直流电源,不怕掉电。3、220V全自动稳压,最大输出功率800W,输入电压范围135V~285V,可满足一般应用需要。4、有超压和欠压保护,当电网电压过高或过低时自动切断外接负载。图1为DT—92A电子钟控稳压保护器电原理图。电子钟部分选用双电源共阴极显示板FR1042和专用驱动器LM8560,其管脚及功能详见本刊1986年9期。显示板所需的双电源由VD4、VD5半波整流,C5、C6滤波,R5、R6限流后供给。时基信号由R4取自市电50Hz工频或由R2取自14位二进制串行计数/分频器CD4060组成的60Hz石英晶体振荡器,半可变电容C1可精调时基频率;LM8560第26脚为50/60Hz选择端,50Hz时接正电源,60Hz时悬空。各有9V电池专供停电时晶振器和LM8560驱动器维持走时使用,VD2在交流停电时截止,断开显示屏等电路的耗电通道,VD1为防电池反接二极管。保护器主电源由VD3、VD6全波整流,C7滤波,稳压集成块IC5供给+12V电压。R31、VD14、C15组成+6V基准电压源,R23、R24、C14对电网电压取样,IC3C、IC3D、IC4D三个电压比较器分别在电网电压高于185V、205V、235V时输出低电平,使继电器k2、K1、K3吸合,调整电源变压器初级自耦线圈的抽头接点位置,控制输出插座上的电压稳定于220V+8%范围,RP3、RP4、RP5为调节电位器。IC4C和IC4D分别为过压和欠压检测器:在过压(285V)或欠压(135V)时输出高电平,经VD7、VD8、R18馈至IC3A输入负端,C11充电并使IC3A输出低电平,再经R21控制IC3B输出低电平,使VT截止、K4释放、外接负载断电;过电压或欠电压消除后VD7或VD8截止,C11经R16放电,IC3A输入负端电压逐渐下降至低于正端电压时IC3A、IC3B输出高电平;VT饱合导通,K4吸合,负载接通。在电源停电瞬间IC4A亦输出高电平,使C11充电,然后由R16缓慢放电,在C11上电压低于C12上电压后,重新来电时电路不再延时,即本电路自停电时起计算延时时间,来电延时时间为额定停电延时时间与实际停电时间之差,具有智能化特点。额定延时时间取决于C11和R16的时间常数,SB为延时切断开关,可使C11迅速放电,中断延时。电子钟电路LM8560输出的报警和睡眠信号在本机中用作定时和延时自动开关机控制,由R7、R8、VD17、C8积分后加至比较器IC4B输入端。S5为闹时和钟控开关,置于“0”位时保护及稳压电路正常工作,但不闹时和钟控;置于“1”位时为闹时功能:预定报警时刻到来时LM8560第16脚输出控制信号使IC4B输出正电位,经C17耦合、VD15导向触发音乐集成片IC4驱动压电陶瓷片BL发声,VD16等提供IC4所需的+3V电源。S5置于“2”位为时控功能:在报警或睡眠末到预置时刻时,IC4B输出低电平,经VD9控制IC3B输出低电平,K4释放,负载断电;预置时刻来到时IC4B输出高电平、VD9截止,IC3B受IC3A输出电位控制,K4吸合,负载接通。FR—1042显示板第23与28脚内置独立发光二极管一支,本机用作保护指示,在IC3B输出低电平时点亮。C9、C10、C13、C14为积分电容,用于适当加大继电器动作回差,避免频繁启动,保证电路正常工作。

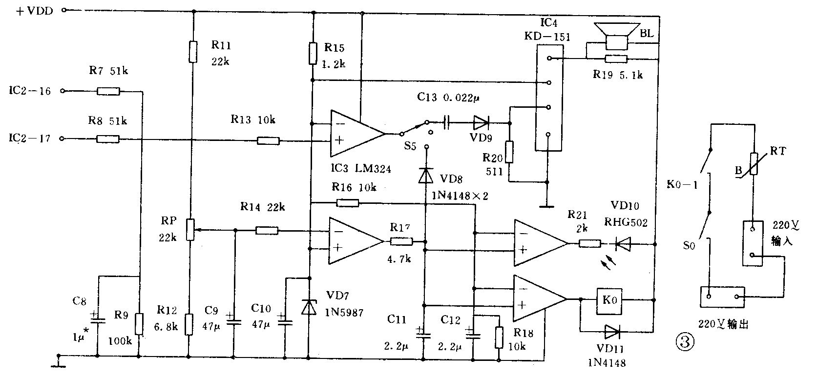
大中城市电网较为稳定,保护电路应侧重于避免380V相电错位、频繁停送电等造成意外损失。此种情况可保留过压、欠压、延时保护等功能而省略稳压部分以减小体积、降低成本。图2为DT-92B电子钟控家电保护器电原理图:其电子钟及闹时钟控电路与图1相同,IC3B、IC3C分别为过压欠压检测器,IC3D为延时器,延时时间由C13、R24决定。当电网停电、过压或欠压时IC3D均输出低电平,延时指示灯VD16点亮,VT截止K1断电。R27、R28分压提高R27的电位,抵消S5置于时控档时VD7压降影响。VD11、VD12、VD18分别为过压、欠压工作指示灯,与VD16均设计面板上,工作状态一目了然。图3为DT—92K电子钟控电视音响延寿保护器电原理图。(刘永华)

