随着电视游戏机的广泛普及,游戏卡花费问题日益突出。本文介绍一种用紫外线可擦除只读存储器(EPROM)制成的游戏节目卡,该卡除成本低廉外,还可反复录制节目内容,使用十分方便。爱好者完全可一试。
一、程序卡制作
市售游戏卡内主要是两片只读存储器(ROM),其中一片是程序管理ROM,另一片是图案信息ROM。对于其它高强组合卡,存储内容较大,程序管理ROM有数片,要借助逻辑电路加以扩充。游戏机的工作过程,实质上就是在机内中央处理器(CPU)及视频处理器( PPU)控制下,向游戏卡ROM输出地址信号及ROM向主机传送数据信号的过程。
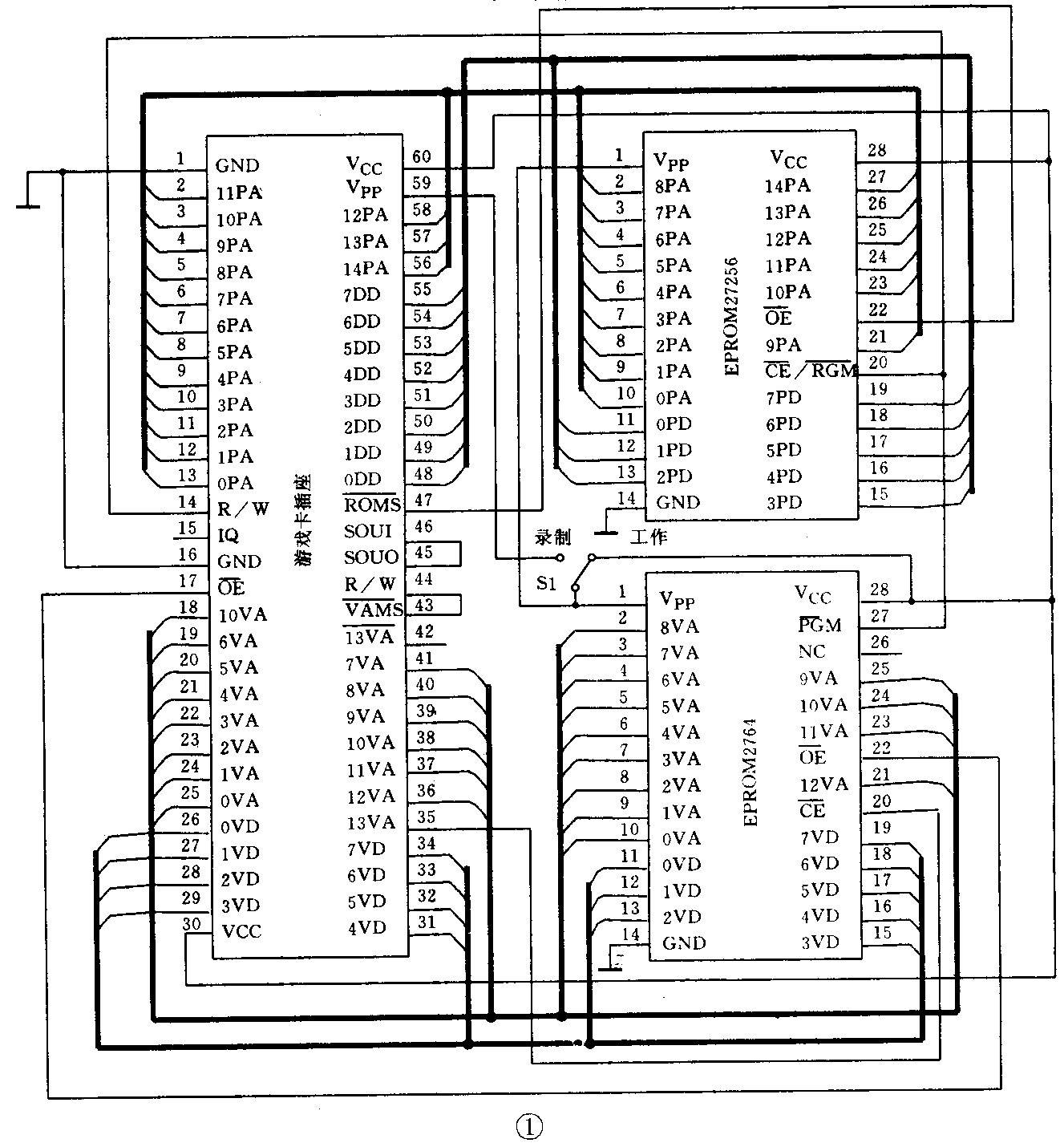
自制卡使用的是两片紫外线可擦除只读存储器EPROM,参见图1,其中EPROM27256是程序管理存储器,存储容量32k×8bit,和主机程序管理最大寻址能力15位对应;另一片EPROM2764是图案信息存储器,存储容量8k×8bit。图中PA0~PA15是游戏管理程序地址引脚,PD0~PD7输出数据信号送入主机,R/W-为CPU读写控制信号,ROMS-为程序存储器选通信号。VA0~VA13是图案信息存储器地址引脚,VD0~VD7为图案输出信号,送入主机PPU处理,OE-为EPROM允许输出控制,CE-为EPROM片选控制,PGM-为编程脉冲输入引脚。2片存储器安装在80×50mm的双面印制板上,对应有60个引脚。游戏时和原卡一样,插入游戏机卡座。录制节目时,拨动自制卡上编程开关,插入自制的录制板上。

二、录制原理

原理框图如图2。NE555组成占空比不对称的振荡发生器,输出计数脉冲由异步计数器计数,其输出作为地址送到原卡和自制卡。原卡处于读状态,自制卡处于写状态。原卡存储内容经隔离电阻送入自制卡。因异步计数器电路简单,但计数速度慢,地址稳定时间长。所以编程脉冲PGM-和选通脉冲OE-分别经延时后,再送入EPROM。延时线路还保证OE-脉冲较PGM-脉冲先到后走。在PGM-脉冲期间,原卡的内容输入到自制卡拷贝,拷贝一个地址内容后,PGM-脉冲结束,EPROM即转为检测状态。原卡和复制卡的内容同时送入异或门检测,如内容相异,则检测输出使振荡计数器停振,计数脉冲不进入下一次计数。如拷贝正确,检测线路允许进入下次计数。具体工作时序图见图3。

三、电路简介
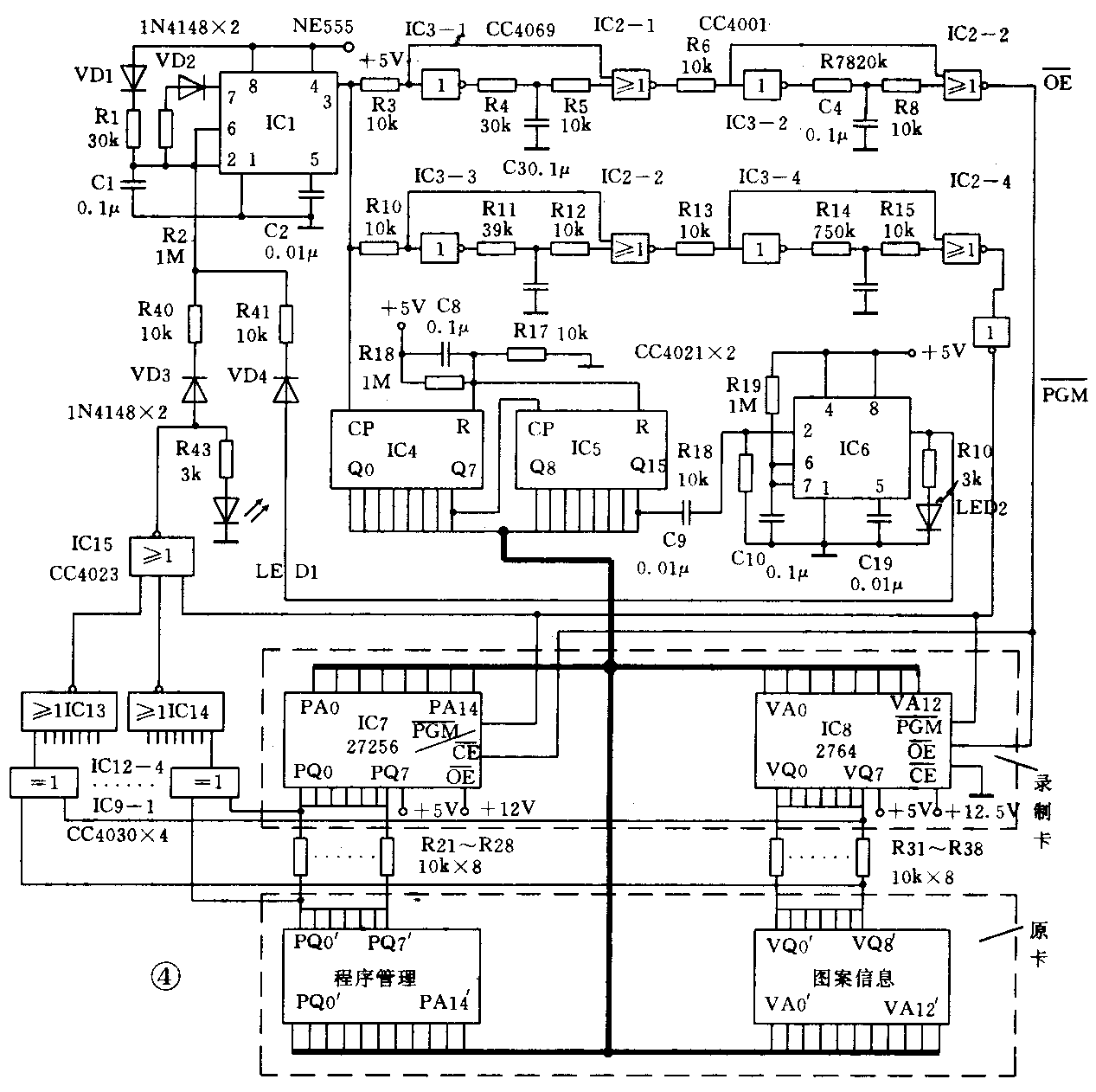
对应原理框图的具体电路组成见图4。

以集成电路IC1为中心组成振荡器,利用二极管VD1、VD2使电容C1充放电时间常数不一致,组成占空比为2ms比70ms左右的计数脉冲,从IC1第3脚输出。计数脉冲后沿触发两路由逻辑门组成的4个单稳电路。上一路第一个单稳起延时作用,延时宽度=0.693RC,实际选定2ms。单稳的后沿触发第二个单稳单元,产生57ms的OE-脉冲。下一路的第一个单稳同样起延时作用,延时宽度3ms,其后沿再触发第二个单稳单元,产生52ms宽的PGM-脉冲。如此设计既保证了有效地址建立所需的稳定时间,又保证了PGM-脉冲落在OE-脉冲范围内,以便正确拷贝。计数脉冲的后沿对异步计数器IC4、IC5计数。因EPROM27256地址有15位,而CC4021为8级异步计数,故用两块串联而成,总计16位输出,EPROM27256用其15位,EPROM2764用其13位,送入原卡和复制卡做为地址。R17、R18、C8是为了初始通电时自动清零,保证从零开始计数。Q14输出端还联接IC6组成的长单稳电路,用以当全部地址上内容拷贝完毕时,Q14后沿触发IC6,IC6第3脚变成高电平,经VD4、R14阻止振荡单元中C1放电,使计数振荡停止,并由LED2显示全部编程结束。在每个地址上编程后立即进入编程检测阶段,此时OE-, 为低电平,EPROM处在检测工作方式,原卡、复制卡的相应位输出数据送入IC9、IC10、IC11、IC12四块4异或门CC4030组成的检测单元。因程序管理、图案信息EPROM共有输出8+8位,对应16个异或门有16个输出结果,再传到IC13、IC14两块8输入或非门,再经3输入或非门IC15得出检测结果。如编程全部正确,16个异或门输出全部为零,总输出也为零。反之为1,则表示编程有错,IC15输出高电平通过R40、VD3阻止振荡单元下一位计数脉冲产生,并由LED2显示。IC15还引入OE-脉冲,用以在编程期间封锁IC15输出。
四、注意事项
整个线路可安装于20×25mm的单面印制板上,原卡和录制卡分别插入两个60脚的印制板插座,因限于篇幅,印制板图和接线图没有绘出,有兴趣的读者只要查集成块引脚图,便可完成原理图和接线图的转换。EPROM在正确使用条件下,一般可擦写数十次,每次重新复制时,可用1W/cm\(^{2}\)的紫外线灯照射EPROM15~20分钟,不具备紫外线灯的情况下,还可以在阳光下连续曝晒一星期,也可达到擦除目的。擦除干净后,EPROM全部输出为1。复制时要注意先通电源V\(_{CC}\),然后再通电源VPP。结束时先断V\(_{PP}\),后断VCC。还要注意V\(_{PP}\)绝对不可以大于22V,否则将造成EPROM的永久损坏。(杨建宁)