无噪点,将色度开至最大可见一淡淡的失掉亮度成份的彩色图像,这是汤姆逊20英寸彩电的常见故障,其原因是电路中的HA11489损坏。沙巴20英寸彩电中的U4606也有同样的故障。
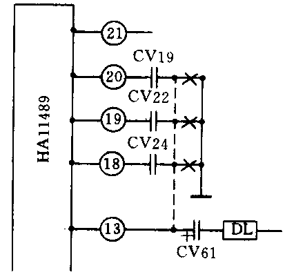
正常情况下,从中放来的亮度信号从集成块的脚输入,放大后从脚输出,再经亮度延时线延时后从脚加入,在内部进行对比度、亮度调整后加至矩阵电路最终输出至视放电路。现已查得,亮度信号从脚至脚都很正常。根据彩色正常,屏幕上无回扫线等现象可判定,此集成块的彩色处理、矩阵、视放激励等电路均完好,损坏的部位只是从脚到矩阵之间的一部分电路即对比度和亮度调整电路等。在测集成块各脚电压时,发现在测量3个脚时,屏幕上分别有红、绿、蓝三色光栅出现,用螺丝刀碰触这3个脚,也可在屏幕上看到剧烈的反应,这就为应急修复创造了条件。试用一只1μF的电容器将脚亮度信号分别引至这3个脚上,可看到屏幕上有模糊的红、绿、蓝三色图像出现。将接在这3个脚对地的电容CV24、CV22、CV19的接地端断开再试,原来模糊的图像变得很清晰了。将试验用电容取下,再将CV24、CV22、CV19断开的接地端连至一起并用导线接在脚上,加附图中的虚线所示,只见屏幕上图像清晰色彩鲜艳,证明集成块已工作。又将以前换下的损坏的集成块进行试验,绝大多数图像均很正常,只有极个别的无色,这时只要用一只2kΩ电阻接至12V电源与之间,彩色即正常。(周秉公)
