AC适配器的检修
AC适配器是M7摄像机的一个重要部件。维修实践表明,许多摄像机之所以不能正常使用,其原因却在于AC适配器出了故障。因此检修摄像机时应首先排除AC适配器出故障的可能,不要贸然拆动摄像机主体。

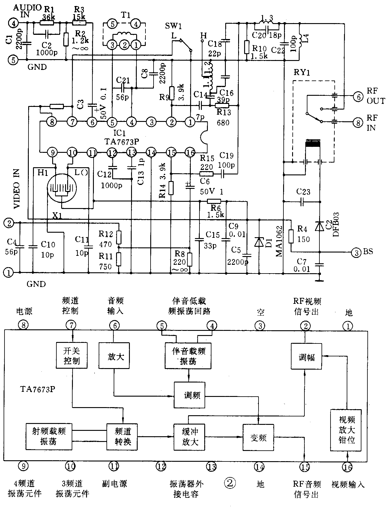
M7摄像机的AC适配器型号为VW—AM7,其电路结构如图1所示,主要是由电源调整电路,RF(射频)变换器和AV(音频视频)接口(端子)电路3部分组成。电源调整电路将220V市电变换为低压直流电压,用于对摄像机直接供电和对电池盒充电。RF变换器的作用是把摄像机输出的视频和音频信号变换为射频信号,以便电视机采用射频接收方式来播放图像和伴音。AV接口电路主要是对摄像机送出的视频信号进行缓冲放大后,分别送入RF变换器作处理和通过AC适配器上的VIDEO OUT(视频输出)插口向外输出;摄像机送出的音频信号在AV接口电路中不作处理,只是经接插件P4、P5等分别送入RF变换器和由标准AUDIO OUT(音频输出)插口向外输出。AC适配器的AV插口输出信号可直接送入电视机或录像机的AV插口,以实现AV连接方式的摄像监视(图像和现场声音)、放像及复制转录等。
RF变换器和AV接口电路原理
M7摄像机的RF变换器有ENC47901等多种型号(见图1),分别适合与多种不同制式的电视机相配接。在我国较常见的是ENC47901和ENC47956型RF变换器,其中前者对应的适配器型号为VW-AM7EN/EA,后者为VW— AM7MC或VW-AM7E/EM。现以ENC47901型RF变换器为例简介其原理,电路见图2。该电路由集成块IC1(TA7673P)为核心组成,IC1的内电路框图及各引脚功能如图2下部所示。电路中,音频信号从RF变换器④脚送入,经R1、C2、R3、C3加到IC1⑥脚,在IC1内被放大后,再调制5.5MHz载频,形成5.5MHz伴音调频信号。该信号在IC1内与射频载频混频,产生伴音载频信号,从脚输出。视频信号从RF变换器②脚输入,经R12、C6加到IC1脚,由视放箝位电路放大箝位,然后对(图像)RF载频调幅,产生调幅的图像载频信号,从IC1②脚输出。②脚和脚信号经C14、R13、R15、C19等而混合为含图像和伴音载频的完整RF电视信号,再经L1、L2、C16、C17和L3、C20、L4、C22等组成的谐振电路选频及滤波后,通过继电器RY1从RF变换器⑥脚送出。

IC1④、⑤脚内电路和外接调感线圈T1、电容C21等组成5.5MHz伴音载频振荡器。射频载频振荡器由IC1⑨、⑩脚内电路和外接的声表面波滤波器X1、电容C10、C11等组成。该RF变换器可输出VHF3/4两频道信号,IC1⑨脚电路担任4频道载频振荡,⑩脚电路担任3频道载频振荡,频道切换由IC1⑦脚电平控制。当频道选择开关SW1拨在L位时,⑦脚为地电平,IC1⑩脚电路工作,产生3频道信号;当SW1置H位时,⑦脚通过R7从⑧脚获得高电平,使IC1⑨脚电路工作,产生4频道信号。SW1还同时对L1、L2进行切换。
RF变换器的⑥脚通常与彩电或监视器的天线插孔连接,⑧脚(RF IN)则与天线连接。在RF变换器工作时,因其③脚有RF12V电压,继电器RY1通过D2得电而吸合,此时⑥脚输出的是RF变换器(即摄像机)送出的信号。当关掉AC适配器电源,即将图1中的SW301、SW302置OFF/TV位时,RF变换器③脚上12V电压消失,变换器停止工作,且RY1因失电而释放,其静合触点将⑥、⑧脚直接相连,使天线信号直送彩电,让彩电可正常接收外来电视信号,避免插拔连接插头的麻烦。当然⑧脚也可输入非来自天线的射频电视信号。总之,RY1起到了自动切换⑥脚输出信号来源的作用。
摄像机输出的视频音频信号经14脚插件(连接器)送到AC适配器插件P5(见图1)。其中音频信号一路由AUDIO OUT插口送出;另一路经插件P4①送至RF变换器。视频信号经P5②、电容C201加至Q201b极,放大后从Q201e极送出,经C203隔直后分成2路。其中一路经R204后由VIDEO OUT插口送出;另一路经R205、L201、C208加至Q202b极,由Q202缓冲放大后从其e极输出,再通过P4③送至RF变换器。
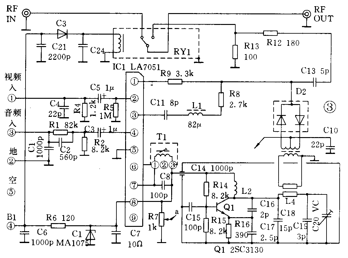
上面介绍的VW-AM7EN/EA适配器,其RF变换器属PAL/B·G制,国内较早期出售的大多是这种机子。由于其图像/伴音载频差(第二伴音中频)为5.5MHz,与PAL/D·K制的6.5MHz不相适应,故连接PAL/ D·K彩电会出现有图无伴音的现象。对此只需将图2中的C21改用39pF,并适当调整T1磁芯便可解决,这一般称为改频。有不少VW-AM7EN/EA型AC适配器在出售前已由厂商改频,对此就不用再改频,维修中应注意到这点。国内后期出售的多为VW-AM7MC型适配器,其RF变换器型号为ENC47956,电路见图3。图3电路的基本原理与图2相同,不同点主要有:(1)集成块为LA7051,它具有直流电压切换伴音载频功能(图3中没用)。(2)射频载频振荡电路由Q1组成,该电路被密封在一个小金属壳内,电路振荡频率可通过调节C20来改变。(3)输出RF信号为UHF25频道或其附近的射频信号,调节C20可在23~27频道范围内选择频率。(4)视频/伴音载频距为6.5MHz,与我国电视制式相适应,不需改频。

RF变换器和AV接口电路检修
1.拆卸方法
AC适配器的外形见图4,拆卸方法如下:(1)拧下图4所示4个螺钉,拆下形顶盖。(2)拆下前面板,断开(拔出)插件P1(见图5)。(3)拧出2个螺钉(B),拆下主电路板(图6)。(4)拧下图7所示3个螺钉(C),便可拆卸电源开关,并取出RF变换器和AV接口电路板组件。再拧下固定RF变换器的2个螺钉,拔出P1五线插件,便可拆出RF变换器。打开RF变换器盖板后,可见其元件面结构,如图8(ENC47901型)和图9(ENC47956型)所示。在通电检查或调整RF变换器时,仍应插好其五线插件;不便时应将其引线适当接长。


2.检修方法和技巧
(1)首先判断故障在摄像机本身还是在RF变换器或AV接口电路中。如果将摄像机输出信号通过AC转换器接头(附件)直接送至彩电AV输入插口,或将摄像机所摄录像带放入录像机重放,能出现正常图声,说明摄像机本身基本无故障,应检查AC适配器。
(2)将AC适配器VIDEO OUT和AUDIO OUT插口信号直送彩电AV插孔。若图声正常,表明故障在RF变换器或在AV接口电路中R205之后的电路;若图像不正常而声音正常,应检查14脚连接器端至适配器VIDEO OUT插口间的电路;若图像正常而无声音,故障一般在连接线路或插件上,只要用万用表测量一下线路便可立即查出断路点。
(3)AV接口电路的故障较少见,偶尔可遇到插件、接线、Q201、Q202及耦合电容等出问题。如果检查Q201、Q202各极电压正常(见图1),C201、C203、C206、L201及插件、接线等无短路或开路现象,可判断AV接口电路正常,应在RF变换器中查找。
(4)拆开RF变换器,看一下五线插件及其连接线有无断路现象,因为不少故障的原因与此有关。
(5)对无图无声或图声极差的故障,应重点检查变换器③端BS电压(图2电路)或④端B1电压(图3电路),正常应为12V左右。若该电压正常,接着查IC1各脚电压或电阻及继电器RY1电路。若发现IC1引脚电压或电阻明显失常,而检查相应外围元器件又无故障,便可判断IC1损坏。为便于检测对照,表1和表2示出了IC1的实测数据。RY1的在路电阻(线圈内阻)为420至480Ω,当线圈开路时所测电阻明显大于正常值,故判断十分容易。


(6)若RF变换器BS(图3为B1)电压正常,但IC1⑧脚电压为零或极低,一般是稳压管D1及电阻R4(图3为R6)损坏所致。
(7)图像正常伴音差故障的原因大都是T1、C21(图2)和T1、C8(图3)谐振回路失谐所致。检修时可试调T1磁芯,一般总会有所改善或彻底排除故障;若T1磁芯已调到极端,应查C21或C8是否不良,确定不良后予以掉换。
(8)伴音正常或尚可但图像不良,应重点检查X1、C6(图2)和Q1振荡电路、C5(图3)等。若正常,可考虑是否IC1有问题,可用前述测量法进行检查。
(9)图像和伴音时好时差或两者之一忽好忽差,应重点检查接插件、连接线、片状阻容及相应焊点是否接触不良或临界损坏。这种故障大多发生在改频或拆修过的RF中。
(10)调T1磁芯要用专用或自制小改锥,否则极易弄坏磁芯。RF变换器外壳通过2个二极管和1个电容接地,拆装时易弄断,发现后应焊好。(王德沅)