SANYO-9005是高档、分体式组合音响。它的功放电路不是采用厚膜功放集成电路,而是采用分立元件组成,其特点是输出功率大,信号瞬态响应好,声音失真小,主要技术指标达到如下要求:当V\(_{C}\)±50V,负载8Ω时,不失真功率(T·H·D≤0.1%)≥50W×2,频率响应(20Hz~20kHz)±1dB,信噪比(S/N)达95dB。
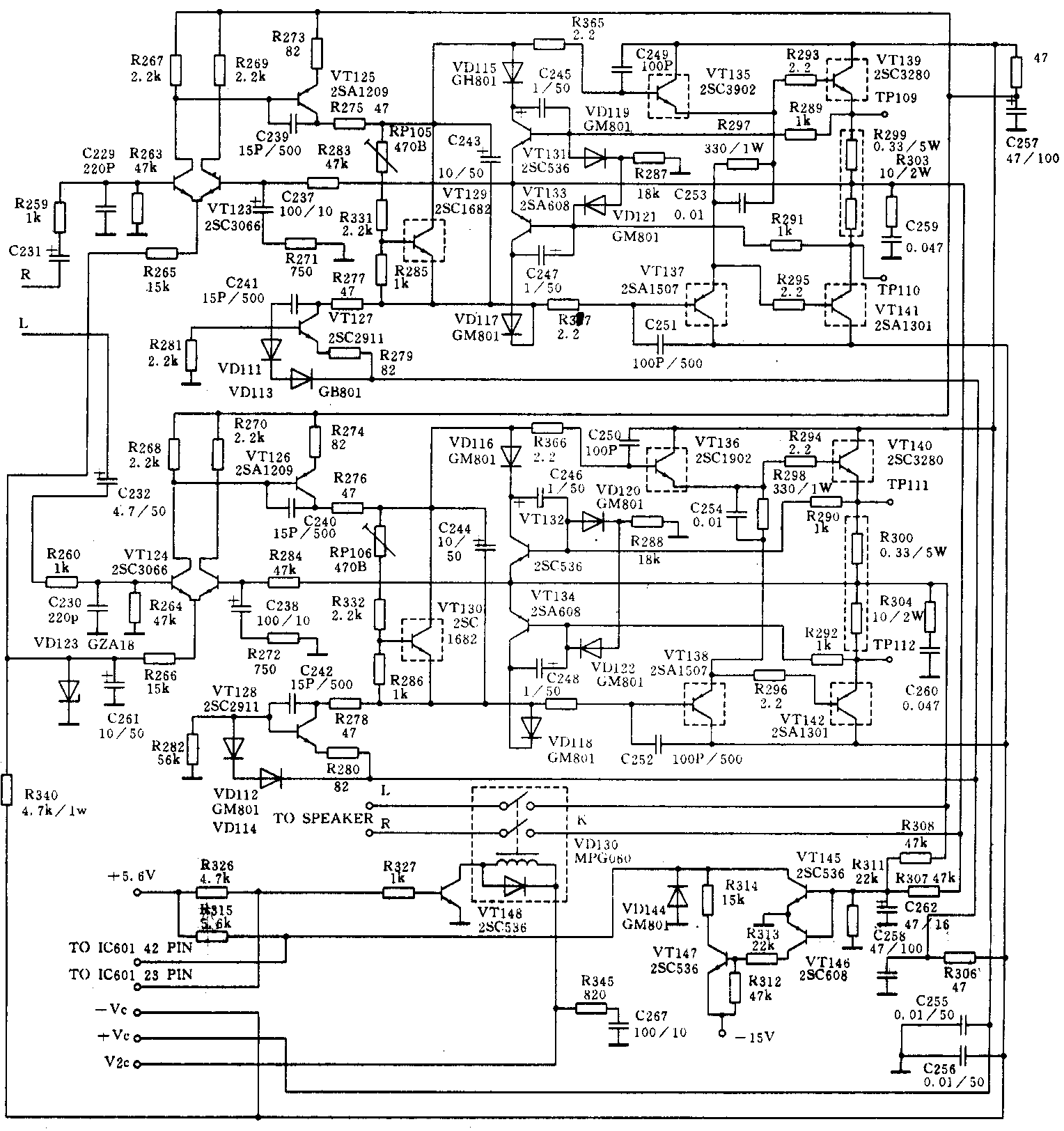
附图为功放电路图。它是一种具有限流保护的OCL准互补推挽功率放大电路。现以右声道为例说明其工作原理。它主要由输入级、电压放大级和输出级组成。

音频信号从C231经过R259、C229组成的低通滤波器进入VT123等元件组成的功放输入级。低通滤波器限制输入信号带宽,有利于减小互调失真和防止超音频干扰。VT123是一种复合三极管,具有差动放大作用。它同R265、稳压管D123等共同组成恒流源差动放大电路,有效地抑制由于温度变化而造成的“零漂”问题。
VT125组成电压放大电路(共射放大),主要提供电压增益。VT127、VD111、VD113等元件组成恒流源,作为VT125集电极负载的一部分。VT129的主要作用是偏置电路,是作为一个近似固定偏压来供给后级互补管的工作偏流的,调整RP105可以调节无信号时VT139、VT141等后级管集电极电流。
VT135、VT137、VT139、 VT141组成利用复合管的准互补推挽输出电路,是功率放大的主要部分。VT131、VT133起分流作用,它把输出晶体管VT139、VT141发射极电阻上产生的电压分压,然后输入基极,并吸收VT135、VT137的部分基极电流。其分流是随着输出的增大而增大,使整个放大器的动态范围加宽,防止大幅度信号下产生的限幅失真。
R283、C237、R271组成电压负反馈电路,改变反馈电阻R283的阻值,可以改变放大电路的增益。
R303、C259组成阻容网络 ,保护末级功放输出管,防止其自激时被击穿。
VT145、VT146和VT147组成保护器,在正常工作情况下,它们不导通,继电器K处于吸合状态,经放大的音频信号输进扬声器。但当电路发生故障,输出端或扬声器出现±0.8V以上(其负压应以绝对值比较大小)的直流电压时,保护器的三极管导通(当正电压时VT145导通,负电压时VT146、VT147导通),此时VT145的集电极为低电位(约0V),IC601的42脚便处于低电位状态。通过IC601内的微电脑控制作用,IC601的23脚也处于低电位状态,使VT148基极为低电位,该管不导通,继电器K断开,保护了扬声器。
功放电路的各级都采用了过流保护的易熔电阻,如R273、R275、R277、R293、k295、R305、R306、R365、R367等。当电路出现短路或过载时,会有大电流通过,此时电阻发热熔断,保护有关电路的的元器件。
功放电路采用±50V电源,电压V\(_{c}\)直接加到功放电路的输出级。功放输入级和电压放大级的电源则由Vc经过R305、C257滤波后供给,以减小电源电压波动对工作影响。负电压(-V\(_{c}\))也是直接加到功放电路的输出级;经R306、C258滤波后的负电压则加到功放电路的前级VT127、VT128。
组装功放电路时应调整好空载电流,方法是:首先关掉电源开关(POWER SW)和扬声器(SPEAKER)开关,将音量电位器置于最小位置,电阻RP105、RP106置于中间;然后打开电源开关,在TP109和TP110之间连接DC电压表,等待2分钟后,调RP105,使DC电压为6±1mV。
调整左声道空载电流时,在TP111与TP112之间连接DC电压表,调RP106,使DC电压为6±1mV。
注:IC601(TMP47C870N)是单片机,主要进行系统控制和频率控制。在图中未画。(罗晋根)